Cheslav Опубликовано 29 декабря, 2019 Поделиться Опубликовано 29 декабря, 2019 10 часов назад, Бес сказал: Мож расстрою, может обрадую неимоверной надежностью, но 217 000 было 12 лет назад, в январе 2007.... Привет1 217000 - детский пробег 398 с гаком! Ссылка на комментарий
Popesych Опубликовано 29 декабря, 2019 Поделиться Опубликовано 29 декабря, 2019 14 часов назад, Бес сказал: lockquote виджет Баляць мае крылы Ссылка на комментарий
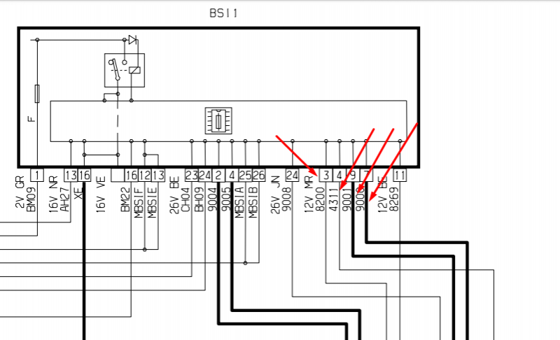
V2oD2o Опубликовано 31 декабря, 2019 Поделиться Опубликовано 31 декабря, 2019 Добрый день! С наступающим! Очень нужно разобраться с управлением системы кондиционирования на данном авто - VF7LANFUF74276134 И если не сложно то еще блок управления вентилятором радиатора и участок BSI - где там CAN-H\L и что за пины 4311 + 8200 Ссылка на комментарий
Бес Опубликовано 31 декабря, 2019 Поделиться Опубликовано 31 декабря, 2019 9 минут назад, V2oD2o сказал: VF7LANFUF74276134 охлаждение двигателя.pdf Охлаждение.pdf V2oD2o 1 Природа мудра, и Всевышнего глаз Видит каждый наш шаг на тернистой дороге Наступает момент, когда каждый из нас У последней черты вспоминает о Боге... Ссылка на комментарий
V2oD2o Опубликовано 31 декабря, 2019 Поделиться Опубликовано 31 декабря, 2019 Только что, Бес сказал: охлаждение двигателя.pdf 589 \u043a\u0411 · 2 загрузки Охлаждение.pdf 506 \u043a\u0411 · 2 загрузки Спасибо! возможно есть еще участок с BSI - я там добавил в тот же пост Ссылка на комментарий
Бес Опубликовано 31 декабря, 2019 Поделиться Опубликовано 31 декабря, 2019 (изменено) Во первых поздно добавил, я в метро. Во вторых я не выцепляю схемы участками, и не могу "вот от этого элемента до этого" или "от этого пинп этой колодки до этого пина этой колодки". В третьих я понятия не имею что за схема, на которой ты все показал. И в четвёртых - читай Правила. Не надо бестолковых цитат. Изменено 31 декабря, 2019 пользователем Бес Природа мудра, и Всевышнего глаз Видит каждый наш шаг на тернистой дороге Наступает момент, когда каждый из нас У последней черты вспоминает о Боге... Ссылка на комментарий
Miv64 Опубликовано 1 января, 2020 Поделиться Опубликовано 1 января, 2020 Помогите, пожалуйста, нужна электросхема на омыватель стекл CITROEN C4 Z8TLC5FWFAM504749 Ссылка на комментарий
Бес Опубликовано 1 января, 2020 Поделиться Опубликовано 1 января, 2020 4 часа назад, Miv64 сказал: Z8TLC5FWFAM504749 стеклоочиститель_стеклоомыватель.pdf Природа мудра, и Всевышнего глаз Видит каждый наш шаг на тернистой дороге Наступает момент, когда каждый из нас У последней черты вспоминает о Боге... Ссылка на комментарий
adamik Опубликовано 3 января, 2020 Поделиться Опубликовано 3 января, 2020 Здравствуйте подскажите схемку подушек безопасности диагностика показывает низкое напряжение хотя с с напряжением всё ок и ещё если можно по задним противотуманкам лампы целые предохранители тоже и да что вы скидывали мне схемы по электронному впрыску они не полные нет датчика наддува пришлось дербанить жгуты VF7JM8HXC97012261 заранее спасибо Ссылка на комментарий
buyden Опубликовано 3 января, 2020 Поделиться Опубликовано 3 января, 2020 Прошу прислать схему для VF7SC8FR0AA508048, касающуюся узлов питание 5В датчиков: давления, частоты вращения коленвала, педали акселератора Вылез чек-инжайн, и за 1-2 часа проблема спрогрессировала до аварийного режима - машина не реагирует на педаль газа и передвигается на холостых оборотах. Вылезли ошибки P0591 P0658 P0228 P2140 P2133 P0565 Местный электрик не помог, придется разобраться самому. Ссылка на комментарий
markusig Опубликовано 4 января, 2020 Поделиться Опубликовано 4 января, 2020 Всем доброго времени,прошу снова помощи,нужна схема связи моторного с BSI, и диагностические линии к моторному Citroen Xsara 2000 1,4 KFX Sagem SL96-9 vin VF7N2KFXF36890908 , OPR 8556,благодарю заранее... Ссылка на комментарий
Бес Опубликовано 4 января, 2020 Поделиться Опубликовано 4 января, 2020 За компом буду 6-7 числа. Кому терпит - ждите, кому нет - поищите в других местах. Природа мудра, и Всевышнего глаз Видит каждый наш шаг на тернистой дороге Наступает момент, когда каждый из нас У последней черты вспоминает о Боге... Ссылка на комментарий
markusig Опубликовано 5 января, 2020 Поделиться Опубликовано 5 января, 2020 Терпит,буду ждать. Ссылка на комментарий
Stiv79031 Опубликовано 5 января, 2020 Поделиться Опубликовано 5 января, 2020 Здравствуйте. VF7UARFJH45155266. Можете выслать схему систем ABS, ESP? Ссылка на комментарий
Бес Опубликовано 6 января, 2020 Поделиться Опубликовано 6 января, 2020 В 03.01.2020 в 14:04, adamik сказал: VF7JM8HXC97012261 В 03.01.2020 в 14:04, adamik сказал: и да что вы скидывали мне схемы по электронному впрыску они не полные нет датчика наддува пришлось дербанить жгуты 1 - других схем нет. 2 - 1312 : Датчик давления воздуха на впуске но его ни на каких схемах нет. ремни безопасности _ подушки безопасности.pdf Природа мудра, и Всевышнего глаз Видит каждый наш шаг на тернистой дороге Наступает момент, когда каждый из нас У последней черты вспоминает о Боге... Ссылка на комментарий
Бес Опубликовано 6 января, 2020 Поделиться Опубликовано 6 января, 2020 В 03.01.2020 в 17:22, buyden сказал: VF7SC8FR0AA508048, касающуюся узлов питание 5В датчиков: давления, частоты вращения коленвала, педали акселератора электронный впрыск 1.pdf электронный впрыск 2.pdf электронный впрыск 3.pdf электронный впрыск 4.pdf электронный впрыск 5.pdf электронный впрыск 6.pdf электронный впрыск 7.pdf электронный впрыск 8.pdf электронный впрыск 9.pdf электронный впрыск 10.pdf электронный впрыск 11.pdf электронный впрыск 12.pdf электронный впрыск 13.pdf электронный впрыск 14.pdf электронный впрыск 15.pdf Природа мудра, и Всевышнего глаз Видит каждый наш шаг на тернистой дороге Наступает момент, когда каждый из нас У последней черты вспоминает о Боге... Ссылка на комментарий
Бес Опубликовано 6 января, 2020 Поделиться Опубликовано 6 января, 2020 В 04.01.2020 в 12:04, markusig сказал: VF7N2KFXF36890908 Очень мало схем на эту машину. Основные вкладки - файл не доступен. электронный впрыск 1.pdf В 05.01.2020 в 16:21, Stiv79031 сказал: VF7UARFJH45155266 Динамическая стабилизация. динамическая стабилизация.pdf markusig 1 Природа мудра, и Всевышнего глаз Видит каждый наш шаг на тернистой дороге Наступает момент, когда каждый из нас У последней черты вспоминает о Боге... Ссылка на комментарий
unteroficer Опубликовано 7 января, 2020 Поделиться Опубликовано 7 января, 2020 Добрый день и всех причастных с праздником! Прошу помочь и прислать схему подключения дпкв, если такая существует. Или схему зажигания Z8TNCNFUCBM509312 Ссылка на комментарий
Бес Опубликовано 7 января, 2020 Поделиться Опубликовано 7 января, 2020 43 минуты назад, unteroficer сказал: Z8TNCNFUCBM509312 электронный впрыск 1.pdf электронный впрыск 2.pdf электронный впрыск 3.pdf unteroficer 1 Природа мудра, и Всевышнего глаз Видит каждый наш шаг на тернистой дороге Наступает момент, когда каждый из нас У последней черты вспоминает о Боге... Ссылка на комментарий
adamik Опубликовано 7 января, 2020 Поделиться Опубликовано 7 января, 2020 Добрый день! Спасибо за схемки может по задним птф есть что нибудьVF7JM8HXC97012261 а ДДН на схемах он есть вот на берлинго но пины с с2 не совпадают а так разобрался немного! Ссылка на комментарий
Бес Опубликовано 7 января, 2020 Поделиться Опубликовано 7 января, 2020 2 часа назад, adamik сказал: по задним птф есть что нибудьVF7JM8HXC97012261 противотуманная фара.pdf Природа мудра, и Всевышнего глаз Видит каждый наш шаг на тернистой дороге Наступает момент, когда каждый из нас У последней черты вспоминает о Боге... Ссылка на комментарий
aleks76 Опубликовано 7 января, 2020 Поделиться Опубликовано 7 января, 2020 Здравствуйте.Нужны электрические схемы на ситроен с1 2012 год, робот вин VF7PNCFB089639375.Нужны все, восстановление после аварии, всю проводку из салона и моторного отсека вынимали, сейчас сложности в подключении.Заранее спасибо. Ссылка на комментарий
Бес Опубликовано 7 января, 2020 Поделиться Опубликовано 7 января, 2020 21 минуту назад, aleks76 сказал: Нужны все, Бог в помощь. Вариант - 1 Вариант - 2 Природа мудра, и Всевышнего глаз Видит каждый наш шаг на тернистой дороге Наступает момент, когда каждый из нас У последней черты вспоминает о Боге... Ссылка на комментарий
buyden Опубликовано 7 января, 2020 Поделиться Опубликовано 7 января, 2020 17 часов назад, Бес сказал: Спасибо большое. Оказалось, что при установке сигнализации, лет 7 назад, задели проводку и создался мостик из окисла меди между 12В и проводкой на педаль газа. В сервисе разобрали пол капота, чтобы долезть до этого места. Вот такая пасхалка от официальных установщиков Starline. Бес 1 Ссылка на комментарий
aleks76 Опубликовано 8 января, 2020 Поделиться Опубликовано 8 января, 2020 18 часов назад, Бес сказал: Бог в помощь. Вариант - 1 Вариант - 2 Наверное я погорячился, насчет всех схем, но к мотору и коробке точно надо. По предложенным вариантам пишет, что заблокировано. Ссылка на комментарий
Рекомендуемые сообщения