Перейти к содержанию
Ситроен Клуб

Электрические схемы Citroen/Peugeot


Рекомендуемые сообщения

Природа мудра, и Всевышнего глаз
Видит каждый наш шаг на тернистой дороге
Наступает момент, когда каждый из нас
У последней черты вспоминает о Боге...
 

 

 

Ссылка на комментарий
30 минут назад, gen33 сказал:

VF7UA9HZH45379109

 

 

фары ближнего света _ фары дальнего света.pdf

Природа мудра, и Всевышнего глаз
Видит каждый наш шаг на тернистой дороге
Наступает момент, когда каждый из нас
У последней черты вспоминает о Боге...
 

 

 

Ссылка на комментарий

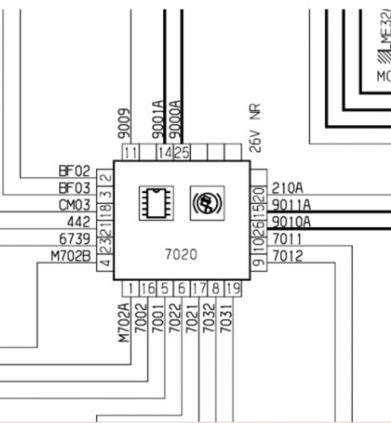
Что-нибудь можешь разглядеть?

 

11.thumb.jpg.f9b1bb1be4e7bba7a4faa2de7b3b2b71.jpg

Природа мудра, и Всевышнего глаз
Видит каждый наш шаг на тернистой дороге
Наступает момент, когда каждый из нас
У последней черты вспоминает о Боге...
 

 

 

Ссылка на комментарий
В 28.06.2020 в 14:13, gianluca сказал:

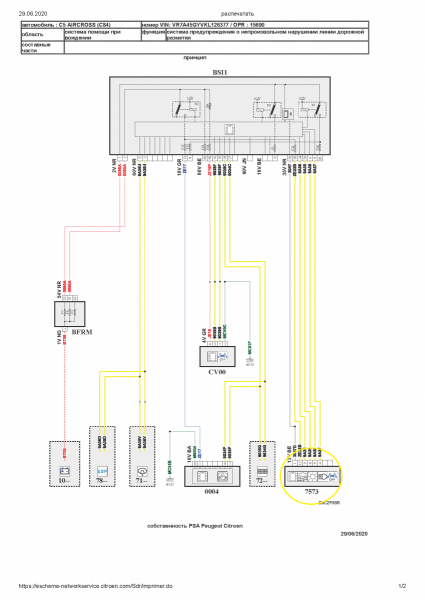
Доброе утро можно иметь схему радара, распознающего дорожные знаки, ту, что на лобовом стекле.

 

VR7A45GYVKL126377

 

Спасибо

photo_2020-06-28_13-12-19.jpg

 

В 29.06.2020 в 22:27, Бес сказал:

 

 

Эта многофункциональная камера "светится" только в двух схемах. И в этих схемах  одинаковые контакты подключения. Предполагаю, что и разпознавание знаков - это программная опция.

 

 

 

 

Природа мудра, и Всевышнего глаз
Видит каждый наш шаг на тернистой дороге
Наступает момент, когда каждый из нас
У последней черты вспоминает о Боге...
 

 

 

Ссылка на комментарий

Читай выше.

Природа мудра, и Всевышнего глаз
Видит каждый наш шаг на тернистой дороге
Наступает момент, когда каждый из нас
У последней черты вспоминает о Боге...
 

 

 

Ссылка на комментарий
18 минут назад, Бес сказал:

 

 

 

камера помощник 9820156080 peugeot 308 t9, скорее всего это просто камера, передающая в цифре в шину изображение, далее мозги его либо обрабатывают, либо просто отдают на дисплей

 

Ссылка на комментарий

@Berlinger еще раз: 

- схемы распознавания знаков НЕТ.

- эта камера есть в схемах "Автоторможение" и "Пересечение разметки"

предполагаю, что разпознавание знаков - это программная опция.

Её даже в схеме "система контроля дистанции между автомобилями" нет - там радар в бампере и всё.

Природа мудра, и Всевышнего глаз
Видит каждый наш шаг на тернистой дороге
Наступает момент, когда каждый из нас
У последней черты вспоминает о Боге...
 

 

 

Ссылка на комментарий

Я должен смонтировать эту систему на C4II, и мне нужно знать, как они подключены. Я ошибочно (и я извиняюсь) я предоставил V5 Aircross C5 в конце июня, думая, что проводка была той же. Но проводов 4, так что теперь у меня есть VIN донорской машины VF7SXBHW6HT538184

Как это должно быть связано с BSI? огромное спасибоDSCN0980.thumb.JPG.58a3296100db86dfc44878a430be2637.JPG928026753_.thumb.png.0aa2189914be4c3f02a7e98973f50d95.png

Ссылка на комментарий

Природа мудра, и Всевышнего глаз
Видит каждый наш шаг на тернистой дороге
Наступает момент, когда каждый из нас
У последней черты вспоминает о Боге...
 

 

 

Ссылка на комментарий

Добрый день, VF32KKFUA44245874 нужна схема схема лямбд, а то я собираю по схеме от дореста с3 и пишет ошибку пл подогреву. Или на TU3 и ЕТ3 лябды отличаются по сопротивлению?

image.thumb.png.0a28d9af50e1242de612da844aa29a45.png

+ подогрева лямбд выходит из 1й ноги разъема 16V блока BSM, но пока мотор не запущен - там нет плюса, это нормально?

image.thumb.png.5d9a98c56b05f600872457e8e4116089.png

И ещё, по вину можно определить, какой блок должен быть под капотом: bsm3 или bsm5? 

Ссылка на комментарий
26 минут назад, A20C сказал:

VF32KKFUA44245874 нужна схема схема лямбд

 

 

 

 

 

Спойлер

электронный впрыск 4.jpg

 

электронный впрыск 1..pdf электронный впрыск 2.pdf электронный впрыск 3.pdf электронный впрыск 5.pdf электронный впрыск 6.pdf

 

 

26 минут назад, A20C сказал:

Или на TU3 и ЕТ3 лябды отличаются по сопротивлению?

 

27 минут назад, A20C сказал:

там нет плюса, это нормально?

 

Не знаю.

Природа мудра, и Всевышнего глаз
Видит каждый наш шаг на тернистой дороге
Наступает момент, когда каждый из нас
У последней черты вспоминает о Боге...
 

 

 

Ссылка на комментарий

 

29 минут назад, A20C сказал:

И ещё, по вину можно определить, какой блок должен быть под капотом: bsm3 или bsm5? 

 

Наверное только взять парт-намбер и гуглить по нему - третий или пятый.

 

КОММУТАЦИОННЫЙ БЛОК ДВИГАТЕЛЯ

6500 Y1    DELPHI

 

6500 Y3   /   RP 6500 Y1  SIEMENS

Природа мудра, и Всевышнего глаз
Видит каждый наш шаг на тернистой дороге
Наступает момент, когда каждый из нас
У последней черты вспоминает о Боге...
 

 

 

Ссылка на комментарий

Эти три штуки - по этому ВИНу.

 

2 часа назад, A20C сказал:

VF32KKFUA44245874

 

А какой реально стоит - наверное надо просто глазами смотреть.

Природа мудра, и Всевышнего глаз
Видит каждый наш шаг на тернистой дороге
Наступает момент, когда каждый из нас
У последней черты вспоминает о Боге...
 

 

 

Ссылка на комментарий
1 час назад, Бес сказал:

А какой реально стоит - наверное надо просто глазами смотреть.

Это невозможно, так как от этой машины у меня только блок управления двигателем, который я вживляю в Берлинго М59. В этом то и вся сложность этого квеста, подбирать запчасти, электросхемы и детали, которые не подходят ни от пежо 206, ни от берлинго. 

А за схемы отдельное спасибо, подключение такое-же как и на С3, вот только почему ошибку по подогреву лябд ловит - никак в толк не возьму. 

Ссылка на комментарий
Гость
Эта тема закрыта для публикации ответов.
×
×
  • Создать...