Бес Опубликовано 29 января, 2020 Поделиться Опубликовано 29 января, 2020 Общей схемы кан нет как таковой. Посмотри эти, может поможет... Блок посмотрю, но сомневаюсь что найду полную распиновку... ОБЩАЯ СХЕМА ВНУТРЕННИХ СОЕДИНЕНИЙ.pdf ОБЩАЯ СХЕМА КОНТАКТОВ МАССЫ.pdf ОБЩАЯ СХЕМА РАСПОЛОЖЕНИЯ КОМПЬЮТЕРОВ.pdf ОБЩАЯ УСТАНОВКА КАБЕЛЕЙ.pdf РАСПРЕДЕЛЕНИЕ ВНУТРЕННИХ СОЕДИНЕНИЙ.pdf РАСПРЕДЕЛЕНИЕ СОЕДИНЕНИЙ.pdf Природа мудра, и Всевышнего глаз Видит каждый наш шаг на тернистой дороге Наступает момент, когда каждый из нас У последней черты вспоминает о Боге... Ссылка на комментарий
Руссел Опубликовано 30 января, 2020 Поделиться Опубликовано 30 января, 2020 Доброго времени суток. Очень нужна схема распиновки реле вентилятора охлаждения двигателя VF77JNFRCCJ672369 Ссылка на комментарий
Бес Опубликовано 30 января, 2020 Поделиться Опубликовано 30 января, 2020 1 час назад, Руссел сказал: VF77JNFRCCJ672369 охлаждение двигателя 1.pdf охлаждение двигателя 2.pdf охлаждение двигателя 3.pdf охлаждение двигателя 4.pdf охлаждение двигателя 5.pdf Руссел 1 Природа мудра, и Всевышнего глаз Видит каждый наш шаг на тернистой дороге Наступает момент, когда каждый из нас У последней черты вспоминает о Боге... Ссылка на комментарий
Руссел Опубликовано 30 января, 2020 Поделиться Опубликовано 30 января, 2020 Огромное спасибо!!!! Ссылка на комментарий
Provinc Опубликовано 30 января, 2020 Поделиться Опубликовано 30 января, 2020 bonjour monsieurs если не затруднит сильно vf7dcrfne76036634 - схемы подключений борткомпьютера (сверху на торпедо), что-то погас монитор vf7dcrlzb76285594 - схема запирание/блокировка замков дверей, сигнализация Ссылка на комментарий
Бес Опубликовано 30 января, 2020 Поделиться Опубликовано 30 января, 2020 12 минут назад, Provinc сказал: vf7dcrlzb76285594 иммобилайзер.pdf сигнализация.pdf Централизованная блокировка.pdf Provinc 1 Природа мудра, и Всевышнего глаз Видит каждый наш шаг на тернистой дороге Наступает момент, когда каждый из нас У последней черты вспоминает о Боге... Ссылка на комментарий
Бес Опубликовано 30 января, 2020 Поделиться Опубликовано 30 января, 2020 12 минут назад, Provinc сказал: vf7dcrfne76036634 Слабо понял о чем ты... Все что нашел с дисплеями. автомагнитола.pdf бортовой компьютер.pdf многофункциональный дисплей.pdf навигационная система Siemens.pdf описание приборных панелей 1.pdf описание приборных панелей 2.pdf Provinc 1 Природа мудра, и Всевышнего глаз Видит каждый наш шаг на тернистой дороге Наступает момент, когда каждый из нас У последней черты вспоминает о Боге... Ссылка на комментарий
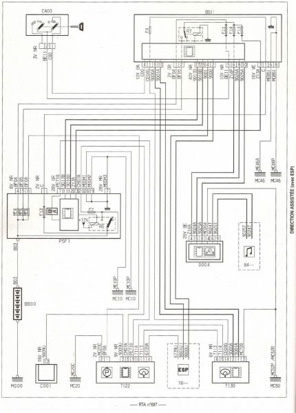
YAAleksei Опубликовано 31 января, 2020 Поделиться Опубликовано 31 января, 2020 И снова хелп-ми вин VF7LANFUF74388835 нужна схема подключения эгура к мозгам и где при этом участвует датчик положения руля и его подключение. заранее благодарен Ссылка на комментарий
Бес Опубликовано 31 января, 2020 Поделиться Опубликовано 31 января, 2020 4 часа назад, YAAleksei сказал: VF7LANFUF74388835 К каким мозгам? Они в этом не участвуют. 7130 : мультиплектированый датчик угла поворота рулевого колеса 7122 : узел электронасоса рулевого усилителя усилитель рулевого управления 1.pdf Природа мудра, и Всевышнего глаз Видит каждый наш шаг на тернистой дороге Наступает момент, когда каждый из нас У последней черты вспоминает о Боге... Ссылка на комментарий
YAAleksei Опубликовано 31 января, 2020 Поделиться Опубликовано 31 января, 2020 14 минут назад, Бес сказал: К каким мозгам? Они в этом не участвуют. спасибо. я имел ввиду BSI, а получается он к нему совсем не подключен. А что за элемент с номером 70-- ? Ссылка на комментарий
Бес Опубликовано 31 января, 2020 Поделиться Опубликовано 31 января, 2020 1 час назад, YAAleksei сказал: а получается он к нему совсем не подключен. "Он" - это кто? К "Нему" - это к кому? 1 час назад, YAAleksei сказал: А что за элемент с номером 70-- ? АБС/ЕСП Природа мудра, и Всевышнего глаз Видит каждый наш шаг на тернистой дороге Наступает момент, когда каждый из нас У последней черты вспоминает о Боге... Ссылка на комментарий
YAAleksei Опубликовано 31 января, 2020 Поделиться Опубликовано 31 января, 2020 32 минуты назад, Бес сказал: "Он" - это кто? К "Нему" - это к кому? АБС/ЕСП эгур никак не связан c BSI а подскажите ещё пожалйста, правильно ли я понимаю, что на картинке под спойлером блок ESP "78--" это то же самое, что и у меня блок ABS "70--" Спойлер Ссылка на комментарий
Бес Опубликовано 31 января, 2020 Поделиться Опубликовано 31 января, 2020 31 минуту назад, YAAleksei сказал: эгур никак не связан c BSI Он связан с датчиком угла поворота, а тот - с БСИ... 31 минуту назад, YAAleksei сказал: на картинке под спойлером блок ESP "78--" это то же самое, что и у меня блок ABS "70--" Да. 7020 компьютер управления антиблокировочной тормозной системой 7800 calculateur controle de stabilite калькулятор стабилизации (ЕСП) антиблокировочная система (ABS).pdf Природа мудра, и Всевышнего глаз Видит каждый наш шаг на тернистой дороге Наступает момент, когда каждый из нас У последней черты вспоминает о Боге... Ссылка на комментарий
YAAleksei Опубликовано 31 января, 2020 Поделиться Опубликовано 31 января, 2020 (изменено) Спасибо большое Изменено 31 января, 2020 пользователем Бес Ссылка на комментарий
DiT Опубликовано 31 января, 2020 Поделиться Опубликовано 31 января, 2020 Добрый день, очень нужны схемы: прокладки жгутов двигателя, BSI, ЭБУ, описание работы компьютера управлением двигателем MED или MEV, не знаю какой стоит у меня на авто. Авто VF7RD5FNAAL564592 Ссылка на комментарий
Бес Опубликовано 31 января, 2020 Поделиться Опубликовано 31 января, 2020 17 минут назад, DiT сказал: схемы: прокладки жгутов двигателя, BSI, ЭБУ, Схемы тут. 17 минут назад, DiT сказал: описание работы компьютера управлением двигателем MED Я сейчас не могу этого сделать - очень коряво и трудоемко выходит. Ты вечером сюда еще раз напиши запрос - напомни о себе, чтобы я не забыл, и я дам нормально информацию. BOSCH MED 17.4 DiT 1 Природа мудра, и Всевышнего глаз Видит каждый наш шаг на тернистой дороге Наступает момент, когда каждый из нас У последней черты вспоминает о Боге... Ссылка на комментарий
DiT Опубликовано 31 января, 2020 Поделиться Опубликовано 31 января, 2020 Огромное спасибо, если не трудно, то ещё схему прокладки кабелей(жгутов) (электронный впрыск). Ссылка на комментарий
Бес Опубликовано 31 января, 2020 Поделиться Опубликовано 31 января, 2020 1 час назад, DiT сказал: то ещё схему прокладки кабелей(жгутов) (электронный впрыск). БЛОК-СХЕМА СИСТЕМА НЕПОСРЕДСТВЕННОГО ВПРЫСКА BOSCH MED 17.4 (ДВИГАТЕЛИ EP6CDT И EP6CDTM).pdf ОПИСАНИЕ - РАБОТА КОМПЬЮТЕР УПРАВЛЕНИЯ ДВИГАТЕЛЕМ BOSCH MED 17.4 - MED 17.4.2.pdf ПРЕЗЕНТАЦИЯ ИНТЕЛЛЕКТУАЛЬНЫЙ КОММУТАЦИОННЫЙ БЛОК.pdf ПРЕЗЕНТАЦИЯ КОММУТАЦИОННЫЙ БЛОК ДВИГАТЕЛЯ.pdf РАСПОЛОЖЕНИЕ ЖГУТ ДВИГАТЕЛЯ.pdf DiT 1 Природа мудра, и Всевышнего глаз Видит каждый наш шаг на тернистой дороге Наступает момент, когда каждый из нас У последней черты вспоминает о Боге... Ссылка на комментарий
Andrii_R Опубликовано 1 февраля, 2020 Поделиться Опубликовано 1 февраля, 2020 (изменено) Добрый день. Нужна схема электрических стеклоподъемников передних и задних. Ситроен С4 2008 года. VIN VF7LCNFUF74876458 Спасибо. Да и если не трудно с распределением соединений жгутов и тд Изменено 1 февраля, 2020 пользователем Andrii_R исправление Ссылка на комментарий
frog2050 Опубликовано 3 февраля, 2020 Поделиться Опубликовано 3 февраля, 2020 Нужна схема: Z8TNC5FS9CM506027 Замок лючка бензобака, кнопка открытия бензобака. Z8TND5FS9GM015235 Замок лючка бензобака. Есть Lexia/DiagBox 7.83, могу помочь в выходные, район Бутово. — Хочу, чтобы у меня была роскошная шуба, в которой я бы могла ходить и летом и зимой! – воскликнула женщина. И превратилась в лисицу! Точнее нужно формулировать свои желания Ссылка на комментарий
Бес Опубликовано 3 февраля, 2020 Поделиться Опубликовано 3 февраля, 2020 1 час назад, frog2050 сказал: Z8TNC5FS9CM506027 Спойлер Централизованная блокировка 11.pdf Централизованная блокировка 13.pdf 1 час назад, frog2050 сказал: Z8TND5FS9GM015235 Централизованная блокировка 21.pdf Централизованная блокировка 22,.pdf Централизованная блокировка 23.pdf В 01.02.2020 в 11:28, Andrii_R сказал: VF7LCNFUF74876458 стеклоподъемник.pdf frog2050 1 Природа мудра, и Всевышнего глаз Видит каждый наш шаг на тернистой дороге Наступает момент, когда каждый из нас У последней черты вспоминает о Боге... Ссылка на комментарий
frog2050 Опубликовано 3 февраля, 2020 Поделиться Опубликовано 3 февраля, 2020 А этот вин сможешь проверить, на предмет закрытия лючка бензобака и кнопки открывания LDCC23146D1561812 С4L Sedan (China) И вообще, по этим VIN, можно найти схемы или в других местах искать ? LDCC23245G1604300 и этот 8BCND5GVUKG503134 Если по ним инфа есть, задам тогда вопросы. Есть Lexia/DiagBox 7.83, могу помочь в выходные, район Бутово. — Хочу, чтобы у меня была роскошная шуба, в которой я бы могла ходить и летом и зимой! – воскликнула женщина. И превратилась в лисицу! Точнее нужно формулировать свои желания Ссылка на комментарий
Бес Опубликовано 3 февраля, 2020 Поделиться Опубликовано 3 февраля, 2020 6 минут назад, frog2050 сказал: LDCC23146D1561812 Централизованная блокировка 1.pdf Централизованная блокировка 2.pdf Централизованная блокировка 3.pdf Централизованная блокировка 4.pdf Централизованная блокировка 5.pdf frog2050 1 Природа мудра, и Всевышнего глаз Видит каждый наш шаг на тернистой дороге Наступает момент, когда каждый из нас У последней черты вспоминает о Боге... Ссылка на комментарий
frog2050 Опубликовано 3 февраля, 2020 Поделиться Опубликовано 3 февраля, 2020 А по остальным VIN - есть информация доступная ? Есть Lexia/DiagBox 7.83, могу помочь в выходные, район Бутово. — Хочу, чтобы у меня была роскошная шуба, в которой я бы могла ходить и летом и зимой! – воскликнула женщина. И превратилась в лисицу! Точнее нужно формулировать свои желания Ссылка на комментарий
Базилио Опубликовано 3 февраля, 2020 Поделиться Опубликовано 3 февраля, 2020 Буду благодарен если у нас на форуме поможете со схемой на собрата-конкурента Пежо. Если нельзя — отнесусь с пониманием. Нужна схема внутреннего освежения Пежо 307 2006г vin VF33ENFUF84425271 Ссылка на комментарий
Рекомендуемые сообщения