Freeman69 Опубликовано 25 августа, 2021 Поделиться Опубликовано 25 августа, 2021 Может ли кто ответить на вопрос: как узнать каким блоком BSM комплектовался автомобиль с завода? Приобрёл Ситроен С4 на днях (VIN: VF7LC5FWF9Y545736), оказывается, что глючит блок BSM-R-04 9675878280. Автомобиль 2009 года, блок - 2013-го. Значит уже меняли, и не только меняли, но и этот блок ковыряли. Установлена перемычка между двумя предохранителями, кроме того постоянно работал топливный насос (между контактами реле бензонасоса сопротивление около 4 Ом в разомкнутом положении). Реле пришлось ставить навесное, чтобы обойти коротыш. Но хотелось бы узнать родной ли блок установлен, или заменили, что подошло. Цель: заменить блок на 100% рабочий, чтоб без колхоза Ссылка на комментарий
Бес Опубликовано 25 августа, 2021 Поделиться Опубликовано 25 августа, 2021 12 часов назад, Freeman69 сказал: BSM-R-04 9675878280 Как интересно ))) На эту машину нет партнамбера этого блока. Это происходило, когда производитель делал замену партнамберов. Такое случается. Если без ВИН, то смотри комплектацию (правая колонка.) Твой DAM - 11910 88 Спойлер То, что у тебя там наколхозили - это 146% сгорело реле топливного насоса. Временно кидают перемычку, чтобы чуть поездить, а потом дибо вскрывают блок и перепаивают реле, либо вешают наружное реле, выламывая родное. Природа мудра, и Всевышнего глаз Видит каждый наш шаг на тернистой дороге Наступает момент, когда каждый из нас У последней черты вспоминает о Боге... Ссылка на комментарий
Freeman69 Опубликовано 25 августа, 2021 Автор Поделиться Опубликовано 25 августа, 2021 @Бес вот и я смотрел на все эти наименования блоков с DAM, до DAM и нифига не понял. Единственное, что комплектация авто "стандарт" и нет омывателя фар. И то таких блоков несколько. Но сделал вывод, что номер блока, скорее всего, установлен правильный. По реле бензонасоса теперь. Я сначала подумал, что оно залипло во включенном состоянии. Выпаять не смог ни с отсосом для олова ни медной оплёткой. Поэтому сначала разрезал корпус реле, чтобы убедиться в догадках. Короче, реле оказалось рабочим. Удалить его пришлось потому, что искал коротыш параллельный контактам релюшки. Сейчас висит на блоке внешнее реле в обход КЗ с подпаянным предохранителем. Пока работает. Видимо придется с Алика заказывать. На Экзисте менеджер открестился, сказал, что поставок блоков нет. Так что, либо Али-Экспресс, либо разборка. Ссылка на комментарий
Бес Опубликовано 25 августа, 2021 Поделиться Опубликовано 25 августа, 2021 5 минут назад, Freeman69 сказал: с DAM, до DAM и нифига не понял. Чего не понятного? Твой ДАМ 11910 88. Если написано "блок номер... ДАМ до 11950 88 , то это твой блок. 11910 88 меньше 11950 88 Если написано "блок номер... ДАМ от 11950 88 , то это НЕ твой блок. Этот блок для ДАМ 11950 88 и дальше, а у тебя - 11910 88 Природа мудра, и Всевышнего глаз Видит каждый наш шаг на тернистой дороге Наступает момент, когда каждый из нас У последней черты вспоминает о Боге... Ссылка на комментарий
Freeman69 Опубликовано 25 августа, 2021 Автор Поделиться Опубликовано 25 августа, 2021 @Бес да теперь понятно. Днём не было понятно, когда на Экзисте изучал список модификаций. Благодарю за подсказку. Бес 1 Ссылка на комментарий
Mars102 Опубликовано 26 октября, 2022 Поделиться Опубликовано 26 октября, 2022 @Бес снова без твоей помощи никак. У меня погорелец стоит третью неделю без «чека» и искры🫣 Спасибо за схемы подробные, всё прозвонил, всё провода рабочие👍 Сейчас вопрос про блоки BSM, BSI и сам комп. двигателя. Есть большая вероятность, что они не родные и не дружат друг с другом По вину скажи, пожалуйста, номера блоков🙏🏽 VF7GJKFWB93205303 Ссылка на комментарий
Бес Опубликовано 27 октября, 2022 Поделиться Опубликовано 27 октября, 2022 9 часов назад, Mars102 сказал: VF7GJKFWB93205303 Дорого. Ищи б/у. КОНТРОЛЬНЫЙ СТЕНД И КОРОБКА ПРЕДОХРАНИТ_.pdf ЭЛЕКТРОННЫЙ БЛОК ’MUX’_1.pdf ЭЛЕКТРОННЫЙ БЛОК ’MUX’_2.pdf Mars102 1 Природа мудра, и Всевышнего глаз Видит каждый наш шаг на тернистой дороге Наступает момент, когда каждый из нас У последней черты вспоминает о Боге... Ссылка на комментарий
A20C Опубликовано 27 октября, 2022 Поделиться Опубликовано 27 октября, 2022 9 часов назад, Mars102 сказал: BSM, BSI и сам комп. двигателя фотки где? Ссылка на комментарий
Mars102 Опубликовано 27 октября, 2022 Поделиться Опубликовано 27 октября, 2022 2 минуты назад, A20C сказал: фотки где? Позже сделаю 🫡 Ссылка на комментарий
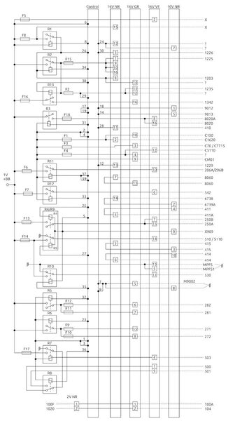
A20C Опубликовано 27 октября, 2022 Поделиться Опубликовано 27 октября, 2022 BSM-B2 — не стоит реле ПТФ. нужно ее впаять или подключить внешнее + установить предохранитель F6. BSM-B3 и BSM-B4 есть реле для птф. нужно активировать в РР2000 (если не активировать то будет включаться одновременно спереди и сзади). BSM-B4 отличается присутствием предохранителя F16, который отвечает за продувку катализатора на холодном движке. Картинки: R1 — реле с отключением по таймеру (так понимаю — системное реле) R2 — реле бензонасоса R3 — реле питания блока управления вентилятором салона R4 — реле включения звуковых сигналов высокой и низкой частоты R5 — реле дальнего света фар R6 — реле ближнего света фар R7 и R8 — реле управления очистителем лобового стекла R9 — реле питания датчика жидкости омывателя R10 — управление омывателями переднего/заднего стекол R11 — реле передних противотуманных фар R12 — реле включения омывателя фар R13 — реле вентилятора добавочного воздуха Сименсы — разбираются, Дельфи — нет — или греть феном с риском потерять пластик или выпаивать ВСЕ разъемы. схема BSM B3 siemens C70 питание блока АБС C150 / с220 питание контакта заднего хода С5110 питание датчика уровня жидкости стеклоочистителя C1320 +12В зажигание на ECU C1620 питание датчика скорости автомобиля на МКПП C7715 питание блока BHI CM01 сигнал +CC "зажигание включено" MPFS масса MPFS1 масса M9002 масса X909 питание от BSI 100A включение втягивающего реле стартера — от ключа зажигания 100F включение втягивающего реле стартера — на стартер 104 цепь управления (?) генератором от ECU 1020 цепь управления (?) генератором — к генератору 1203 питание ECU при включении системного реле 1226 управление реле топливного насоса от ECU 1225 питание датчиков и исполнительных устройств впрыска 1229 масса от ECU для включения системного реле 1235 питание топливного насоса 1342 питание насоса подачи дополнительного воздуха 206A/206B противотуманные лампы в передних фарах 250A питание звукового сигнала высокой частоты 250B питание звукового сигнала низкой частоты 271 ближний свет левой фары 272 ближний свет правой фары 281 дальний свет левой фары 282 дальний свет правой фары 410 сигнал датчика пониженного давления масла в двигателе 411 сигнал датчика температуры масла в двигателе (к BSI) 411A сигнал датчика температуры масла в двигателе (к датчику) 414/415 цепи датчика уровня масла (от датчика к BSI) 500 управление скоростью (?) мотора заднего стеклоочистителя 501 питание мотора заднего стеклоочистителя 503 управление задним стеклоочистителем от BSI 510 / 530 цепи датчика уровня жидкости стеклоочистителя и насоса переднего/заднего стеклоомывателя 542 питание мотора омывателя фар 6738 сигнал от датчика 1620 6739A сигнал от датчика 1620 в ECU 8020 / 8020A питание модуля управления вентилятора салона 8060 цепь от компрессора кондиционера до BSI 9012/9013 — CAN 125 кбит/с — BSI Бес 1 Ссылка на комментарий
Mars102 Опубликовано 27 октября, 2022 Поделиться Опубликовано 27 октября, 2022 @A20C Мои блоки, которые стоят. И неизвестно родные они или нет🤷🏻♂️ BSI (в салоне) BSM (под капотом) ECU (Sagem) Француз меня хочет одолеть, но сдаваться не собираюсь 😊 Ссылка на комментарий
A20C Опубликовано 27 октября, 2022 Поделиться Опубликовано 27 октября, 2022 сдаётся мне что блок двигателя от Пежо 406 1.8, нужна нормальная фотка со всеми номерами. BSI и BSM на первый взгляд годные, нужно подключать лексию и смотреть что там из BSI нужно выдернуть pin c помощью программатора, для этого bsi нужно разобрать. блок двигателя разковырять от резины в двух местах, залить туда флеш от версии 1.4 и поменять в еепроме pin Mars102 1 Ссылка на комментарий
A20C Опубликовано 28 октября, 2022 Поделиться Опубликовано 28 октября, 2022 23 часа назад, Mars102 сказал: Француз меня хочет одолеть хм, сдаётся мне что блок мало того что от мотора 1.8, дак ещё и от механического дросселя. Отличить просто, если блок под механический дроссель, то Верхний ряд контактов (A4...H4, A1...M1 и A1...H1) отсутствует. для блока с электрическим дросселем ряда, без контактов, нет и это является отличительным признаком этих ЭБУ. Ссылка на комментарий
Mars102 Опубликовано 28 октября, 2022 Поделиться Опубликовано 28 октября, 2022 41 минуту назад, A20C сказал: хм, сдаётся мне Ты ванга🤝 Вчера приезжал диагност. Подключался. Сказал, что ЭБУ не подключается. Начал пины смотреть на ЭБУ , оказалось реально отсутствуют эти пины в первом ряду Вывод: мозги не подходят Сейчас в поиске мозгов Вот как выбрать: Искать, чтобы пины были в первом ряду? Еще есть разные названия на авторазборках: Bosch, Sagem, Siemens. Название важно? Ссылка на комментарий
A20C Опубликовано 28 октября, 2022 Поделиться Опубликовано 28 октября, 2022 дроссель электрический или с тросиком? жгут моторный откуда, с какой машины? по VIN должен быть sagem S2000, да только их 4 вида существует. Старых не осталось? пусть даже в виде обгоревшего блока Ссылка на комментарий
Mars102 Опубликовано 28 октября, 2022 Поделиться Опубликовано 28 октября, 2022 @A20C 1. дроссель электрический 2. Жгут по виду родной стоит. Точной инфа нет. Пины на 1 ряду стоят на штекере 3. Старого блока нету😏 Ссылка на комментарий
A20C Опубликовано 28 октября, 2022 Поделиться Опубликовано 28 октября, 2022 13 минут назад, Mars102 сказал: дроссель электрический значит sagem s2000pm1 или s2000pm2 отличительным признаком являются номера HOM. Надпись HOM: S2PM-380, говорит о том, что перед нами блок управления системой впрыска Sagem S2000PM1. Собственно говоря, достаточно наличия надписи S2PM, потому как вариаций цифр во второй части, после тире, очень много: S2PM-240, S2PM-270, S2PM-350, S2PM-383 и т.п. Ссылка на комментарий
A20C Опубликовано 28 октября, 2022 Поделиться Опубликовано 28 октября, 2022 31 минуту назад, Mars102 сказал: 1. дроссель электрический а педаль электрическая или с тросиком? Просто там может быть уже насовано под капот разных моторов и жгутов глянул цены на блоки и был крайне неприятно удивлён. Ссылка на комментарий
A20C Опубликовано 28 октября, 2022 Поделиться Опубликовано 28 октября, 2022 В 27.10.2022 в 01:04, Mars102 сказал: BSI и сам комп. двигателя. Есть большая вероятность, что они не родные и не дружат друг с другом вот прямо в Уфе готовый комплект и ничего не надо вскрывать и шить https://www.avito.ru/ufa/zapchasti_i_aksessuary/blok_upravleniya_dvigatelem_sitroen_pezho_1.4_2552581891 Ссылка на комментарий
Mars102 Опубликовано 28 октября, 2022 Поделиться Опубликовано 28 октября, 2022 7 минут назад, A20C сказал: а педаль электрическая или с тросиком? На педали трос, который выходит под капот на датчик положения акселлератора. Получается электронная Ссылка на комментарий
A20C Опубликовано 28 октября, 2022 Поделиться Опубликовано 28 октября, 2022 14 минут назад, Mars102 сказал: 25 минут назад, A20C сказал: а педаль электрическая или с тросиком? На педали трос значит механическая. электрическая выглядит вот так: Ссылка на комментарий
Mars102 Опубликовано 28 октября, 2022 Поделиться Опубликовано 28 октября, 2022 @A20C Вот так выглядит под капотом. Электронная же считается или нет? Ссылка на комментарий
A20C Опубликовано 28 октября, 2022 Поделиться Опубликовано 28 октября, 2022 32 минуты назад, Mars102 сказал: Вот так выглядит под капотом. это фотка от дизеля, не надо тут запутывать у этого автомобиля трос и датчик должен быть слева Ссылка на комментарий
A20C Опубликовано 28 октября, 2022 Поделиться Опубликовано 28 октября, 2022 тем не менее, раз дроссель электрический, то и блок управления двигателем должен быть S2000PM1 или S2000PM2/ в блоке находится код на разрешение запуска, блок программируется 1 раз при сборке автомобиля, дальше его официально (лексией например) нельзя поставить на другую машину. Код должен совпадать с кодом в BSI, тогда мотор запустится, если BSI даст разрешение на запуск, тоесть если в замок зажигания вставлен правильный ключ. Ключ, который прописан в BSI Всё это может быть взято с разных машин, ПИН-коды меняются в блоке управления двигателем и в BSI, для этого нужно иметь компьютер и программатор для микросхем серии 95128. в ключе зажигания используется чип PCF7936 ID46, для прописывания ключа нужно знать ПИН-код из BSI или блока двигателя. Ссылка на комментарий
Рекомендуемые сообщения
Для публикации сообщений создайте учётную запись или авторизуйтесь
Вы должны быть пользователем, чтобы оставить комментарий
Создать учетную запись
Зарегистрируйте новую учётную запись в нашем сообществе. Это очень просто!
Регистрация нового пользователяВойти
Уже есть аккаунт? Войти в систему.
Войти