- Никола - Опубликовано 11 июля, 2021 Поделиться Опубликовано 11 июля, 2021 20 часов назад, ИС-Xantia сказал: Сейчас можно заказать с али У самого лежит парктроник с али,купленый ещё года четыре-пять назад? правда для другой машины. Всё руки не доходят ставить. Ты мне напомнил? Ссылка на комментарий
Владко Опубликовано 19 ноября, 2022 Поделиться Опубликовано 19 ноября, 2022 А вдруг кто-нибудь из знающих ответит? Ситроен 2003г с5-1 сарай, штатные парктроники только сзади. На блоке парктроников, что в нише запаски, пропало питание 12 в. Разобрал обшивку багажника и обнаружил, что жгут проводов от блока уходит куда-то под потолочную обшивку. Проследить их трудно: надо и потолок снимать. Может кто знает: откуда в штатном режиме берутся 12в, питающие блок парктроников? Ссылка на комментарий
Бес Опубликовано 19 ноября, 2022 Поделиться Опубликовано 19 ноября, 2022 https://citroens-club.ru/topic/74441-электрические-схемы-citroenpeugeot/ Природа мудра, и Всевышнего глаз Видит каждый наш шаг на тернистой дороге Наступает момент, когда каждый из нас У последней черты вспоминает о Боге... Ссылка на комментарий
Владко Опубликовано 19 ноября, 2022 Поделиться Опубликовано 19 ноября, 2022 @Бес Спасибо большое, но куда мне в таких схемах разобраться😭 Сейчас вытащил бардачок и увидел, что жгут проводов от блока парктроника прошел под потолком, спустился внутри правой передней стойки и под бардачком нырныл в торпедо. Но вот куда дальше? Если бы Вы сказали на понятном и дилетанту языке? Ссылка на комментарий
Бес Опубликовано 19 ноября, 2022 Поделиться Опубликовано 19 ноября, 2022 @Владко 8 минут назад, Владко сказал: но куда мне в таких схемах разобраться А как же ты собрался провода искать? ВИН кинь в ту тему по ссылке. Скину схему твоих парктроников. Поедешь в сервис и отдашь схему электрику. Он все сделает. Природа мудра, и Всевышнего глаз Видит каждый наш шаг на тернистой дороге Наступает момент, когда каждый из нас У последней черты вспоминает о Боге... Ссылка на комментарий
Владко Опубликовано 19 ноября, 2022 Поделиться Опубликовано 19 ноября, 2022 Благодарю! VIN скинул. Ссылка на комментарий
- Никола - Опубликовано 19 ноября, 2022 Поделиться Опубликовано 19 ноября, 2022 Поэтому я и забил на эти парктроники😉 Всю жизнь без них и не чувствую неудобств😌 Ссылка на комментарий
Владко Опубликовано 19 ноября, 2022 Поделиться Опубликовано 19 ноября, 2022 @- Никола -Спасибо доброму человеку прислал схему для моего авто. Посидел полдня из принципа и разобрался что к чему😁 Не так уж и сложно как оказалось. Как говорится и зайца можно научить курить.😂 А парктроник однажды спас меня: на парковке у супермаркета какое-то дите лет 4-5 захотело поиграть в прятки с идиоткой-мамашей и присело сзади за бампером и в зеркала и окна его видно не было😭 Причем имею привычку: перед тем как сесть в авто и тронуться обхожу авто вокруг. Так вот, ребенка не было! Поэтому, помимо парктроника еще и камеру прилепил, которая смотрит сразу за бампером: пуганая ворона куста боится🤣 Ссылка на комментарий
- Никола - Опубликовано 21 ноября, 2022 Поделиться Опубликовано 21 ноября, 2022 В 19.11.2022 в 18:04, Владко сказал: А парктроник однажды спас меня Естесственно,всё это хорошо и реально помогает,а то и спасает кого-то. Но резко падает к нему доверие,когда он просто так,неожиданно,отказывает. На ситроенах парктроник - больное место. Или,банально,не видит объект. Ссылка на комментарий
Владко Опубликовано 21 ноября, 2022 Поделиться Опубликовано 21 ноября, 2022 @- Никола - Так потому-то и пытаюсь разобраться, что б работал как должно, да и в дополнение и камеру для страховки прилепил😁 Ссылка на комментарий
Rykopop Опубликовано 21 ноября, 2022 Поделиться Опубликовано 21 ноября, 2022 @- Никола - "эх, спою!")) Имею абсолютно рабочий парктроник, т.е. комп считает его рабочим, три датчика нормальные, а один, поменяный летом от "Loro" комп устраивает, но при этом ни препятствий не видит по лексии, ни дистанции, вечно бесконечность. Однако все работает, кроме небольшой мертвой зоны этого сенсора. Такая вот "не баг, а фича") VIN: VF7DCRFNC76465859 Ссылка на комментарий
arthan Опубликовано 1 августа, 2023 Поделиться Опубликовано 1 августа, 2023 Комрады - пользователи ситроена. Может кто подскажет. отрубился парктроник. Считываю ошибки Лексией. Пишет что нет питания или обрыв заднего зуммера. Скрин ошибок прикладываю. Что за задий зуммер и где он стоит? может кто сталкивался? По блок схеме он есть, но физически вижу только сам блок -компьютер (стоит в нише с запаской) и датчики к нему. Спойлер Спойлер Спойлер Ссылка на комментарий
Rykopop Опубликовано 1 августа, 2023 Поделиться Опубликовано 1 августа, 2023 @arthan пищалка в задней стойке это. Как правило в левой, но лучше уточнить в теме своей машины) Ну и посмотреть разъемы блок, может там бяка зелёная прост. arthan 1 VIN: VF7DCRFNC76465859 Ссылка на комментарий
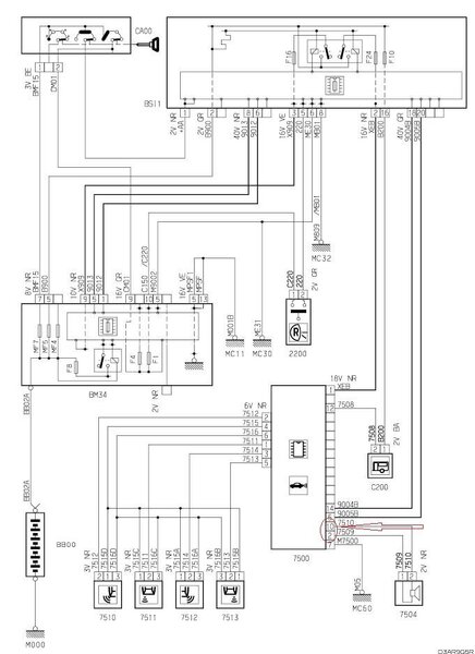
arthan Опубликовано 1 августа, 2023 Поделиться Опубликовано 1 августа, 2023 4 часа назад, Rykopop сказал: @arthan пищалка в задней стойке это. Как правило в левой, но лучше уточнить в теме своей машины) Ну и посмотреть разъемы блок, может там бяка зелёная прост. ОК. Спс, поищу. Блок снимал, разъемы смотрел. Даже плату вытаскивал из корпуса. На вид все как новое. Буду выколупывать пищалку... Смотреть что с ней. Схему нашел. Попробую еще для начала ее прозвонить от разъема блока парктроника. Спойлер Ссылка на комментарий
Rykopop Опубликовано 2 августа, 2023 Поделиться Опубликовано 2 августа, 2023 @arthan если хэтч- заднюю левую стойку дербань до самой крыши. А так- стать на разъеме мультом на ее выводы и банально прозвонить. Если пустота- то дербаниьть уже. Боковина обшивки багажника и выше она в районе подушки стоит. Да, пластиковый шильдик подушки- тоже крепёжная защёлка. Разбирается несложно, но геморно. Я лазил когда усилитель переносил из антенны за потолок. Главное не торопиться, там кнопки из пластикового чепика и закладной пружинной, последние могут выпадать) В теме снятия антенны вроде описана разборка, если правильно помню и ещё актуально) VIN: VF7DCRFNC76465859 Ссылка на комментарий
Рекомендуемые сообщения
Для публикации сообщений создайте учётную запись или авторизуйтесь
Вы должны быть пользователем, чтобы оставить комментарий
Создать учетную запись
Зарегистрируйте новую учётную запись в нашем сообществе. Это очень просто!
Регистрация нового пользователяВойти
Уже есть аккаунт? Войти в систему.
Войти