Бес Опубликовано 5 апреля, 2022 Поделиться Опубликовано 5 апреля, 2022 В 02.04.2022 в 17:00, stalker78yd сказал: нужна схема подключения панели приборов или Система преднакала дизельного двигателя (модели с турбонаддувом) вообщем любая схема, где есть подключение тахометра ... Странно.... Где связь между свечами накала и тахо? Свечи в схеме впрыска. Панель отдельно, но нет как такового подключения. Тахо отдельно нету. описание приборных панелей.pdf описание приборных панелей 2.pdf электронный впрыск.pdf stalker78yd 1 Природа мудра, и Всевышнего глаз Видит каждый наш шаг на тернистой дороге Наступает момент, когда каждый из нас У последней черты вспоминает о Боге... Ссылка на комментарий
Бес Опубликовано 5 апреля, 2022 Поделиться Опубликовано 5 апреля, 2022 Видимо каким-то образом с 1620 : датчик скорости автомобиля / инфа приходит на приборку и там уже сигнал преобразуется на спидометр в скорость, на тахометр в обороты. Так же на КсараПикассо есть исполнение. . информация спидометра одометра.pdf Да, именно так. ДАТЧИК СКОРОСТИ и он же ВИНТ УПРАВЛ. ТАХОМЕТРОМ ДАТЧИК СКОРОСТИ НО!!! ВИНТ УПРАВЛ. ТАХОМЕТРОМ.pdf stalker78yd 1 Природа мудра, и Всевышнего глаз Видит каждый наш шаг на тернистой дороге Наступает момент, когда каждый из нас У последней черты вспоминает о Боге... Ссылка на комментарий
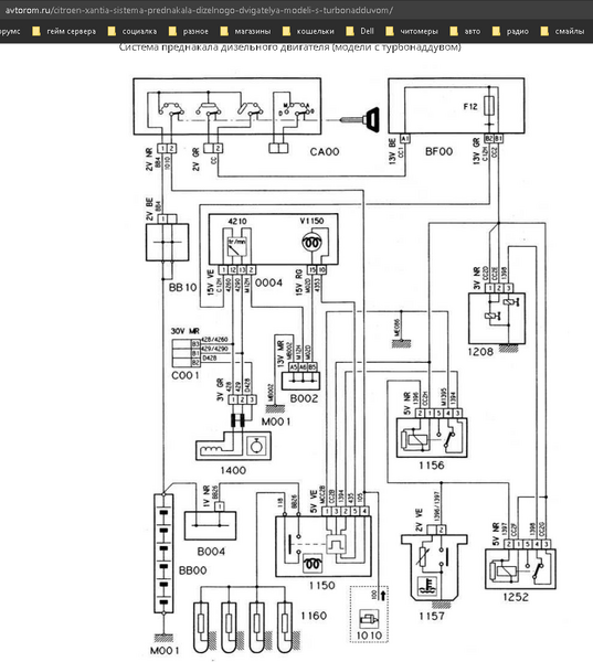
stalker78yd Опубликовано 6 апреля, 2022 Поделиться Опубликовано 6 апреля, 2022 10 часов назад, Бес сказал: транно.... Где связь между свечами накала и тахо? Свечи в схеме впрыска На схеме преднакала и запуска, от старых ксантий, есть подключение тахо и датчика вмт , но она не совпадает с ксюхами конца 99 и 2000-2001 годов... Да и у пежо 406 с 2000 года схемы не совпадают со старыми... Французы, сэр(с)... Спасибо , уважаемый Бес ))) Ссылка на комментарий
Бес Опубликовано 6 апреля, 2022 Поделиться Опубликовано 6 апреля, 2022 21 минуту назад, stalker78yd сказал: На схеме преднакала Нет такой. 21 минуту назад, stalker78yd сказал: На схеме ...запуска Нет там свечей. Природа мудра, и Всевышнего глаз Видит каждый наш шаг на тернистой дороге Наступает момент, когда каждый из нас У последней черты вспоминает о Боге... Ссылка на комментарий
stalker78yd Опубликовано 6 апреля, 2022 Поделиться Опубликовано 6 апреля, 2022 4 часа назад, Бес сказал: Нет такой. такая схема. пробовали по ней, но даже число пинов на разъёме не совпадает и цвет... это от х1 и первых х2 98-99 года. Спойлер Ссылка на комментарий
Бес Опубликовано 6 апреля, 2022 Поделиться Опубликовано 6 апреля, 2022 10 минут назад, stalker78yd сказал: такая схема. Я знаю, что есть схемы предпрогрева. ))) Я говорю на твою машину нет такой. Природа мудра, и Всевышнего глаз Видит каждый наш шаг на тернистой дороге Наступает момент, когда каждый из нас У последней черты вспоминает о Боге... Ссылка на комментарий
stalker78yd Опубликовано 6 апреля, 2022 Поделиться Опубликовано 6 апреля, 2022 11 минут назад, Бес сказал: Я говорю на твою машину нет такой. ааа, теперь понял )) ну машина не моя, это ребятам из группы ситроен ксантия в РБ помогаю ))) хотел себе ситроен бэкап скачать, но как то руки не доходят... а автодата по пежыкам только есть, с лексией3 шла . я схемы тут смотрю, но с 99-2001 года не совпадают . Ссылка на комментарий
Бес Опубликовано 6 апреля, 2022 Поделиться Опубликовано 6 апреля, 2022 35 минут назад, stalker78yd сказал: ну машина не моя, По этой машине свечи в схеме электронного впрыска. Вроде все подключение и распиновка есть. Природа мудра, и Всевышнего глаз Видит каждый наш шаг на тернистой дороге Наступает момент, когда каждый из нас У последней черты вспоминает о Боге... Ссылка на комментарий
stalker78yd Опубликовано 6 апреля, 2022 Поделиться Опубликовано 6 апреля, 2022 1 минуту назад, Бес сказал: По этой машине свечи в схеме электронного впрыска. Вроде все подключение и распиновка есть. ну хозяин уже отписался, схемы совпали, но сама машинка, видимо, побывала в шаловливых ручках, тнвд другой стоит и управляющая форсунка, провод обрезан под корень... короче франкенштейн, будет пробовать в сток приводить... так что возможно ещё обратимся к Вам. Бес 1 Ссылка на комментарий
Evgen32 Опубликовано 6 апреля, 2022 Поделиться Опубликовано 6 апреля, 2022 Доброго времени, не подскажете схему управления вентилятора охлаждения VF7GJKFWC8N034637. Спасибо! Ссылка на комментарий
Бес Опубликовано 6 апреля, 2022 Поделиться Опубликовано 6 апреля, 2022 3 часа назад, Evgen32 сказал: VF7GJKFWC8N034637 охлаждение двигателя с кондиционером.pdf охлаждение двигателя иные варианты.pdf Evgen32 1 Природа мудра, и Всевышнего глаз Видит каждый наш шаг на тернистой дороге Наступает момент, когда каждый из нас У последней черты вспоминает о Боге... Ссылка на комментарий
PanDa4x4 Опубликовано 8 апреля, 2022 Поделиться Опубликовано 8 апреля, 2022 Доброго. Нужна схема противотуманок\ДХО (цвета проводов) и схема генератора (куда идет управляющий провод) VF7NX5FEACY572552. Заранее благодарствую. Ссылка на комментарий
Сергей2310 Опубликовано 8 апреля, 2022 Поделиться Опубликовано 8 апреля, 2022 Добрый день,нужна схема распиновки разъёма замка двери водителя, без суперблокировки,Ситроен с4б7 хетчбэк 2012г.в. Ссылка на комментарий
Бес Опубликовано 8 апреля, 2022 Поделиться Опубликовано 8 апреля, 2022 @Сергей2310 вин. Вечером наверное смогу. Природа мудра, и Всевышнего глаз Видит каждый наш шаг на тернистой дороге Наступает момент, когда каждый из нас У последней черты вспоминает о Боге... Ссылка на комментарий
Сергей2310 Опубликовано 8 апреля, 2022 Поделиться Опубликовано 8 апреля, 2022 Подскажите микропереключатель открытия двери при открытии двери замыкается на массу или наоборот размыкается? Ссылка на комментарий
Бес Опубликовано 8 апреля, 2022 Поделиться Опубликовано 8 апреля, 2022 @Сергей2310 я не знаю. Если бы знал, то ответил в той теме. P.S. в это обсуждать ничего не надо, тут только электросхемы. 10 минут назад, Бес сказал: вин. ??? Если не хочешь "светить", я могу конечно по своему вину посмотреть или вообще по опру, но тогда есть вероятность, что схемка будет отличаться. Природа мудра, и Всевышнего глаз Видит каждый наш шаг на тернистой дороге Наступает момент, когда каждый из нас У последней черты вспоминает о Боге... Ссылка на комментарий
Сергей2310 Опубликовано 8 апреля, 2022 Поделиться Опубликовано 8 апреля, 2022 (изменено) @Бес Citroen C4 хетчбек II 1.6 16V VIN:Z8TNC5FS9CM508745 2012г если есть возможность,то и какие есть схемы на мой автомобиль скинь Изменено 8 апреля, 2022 пользователем Сергей2310 дополнение Ссылка на комментарий
Бес Опубликовано 8 апреля, 2022 Поделиться Опубликовано 8 апреля, 2022 39 минут назад, Сергей2310 сказал: если есть возможность,то и какие есть схемы на мой автомобиль скинь Тут пояснения про "все какие есть схемы на автомобиль". https://citroens-club.ru/topic/74441-электрические-схемы-citroenpeugeot/?do=findComment&comment=1460509 Природа мудра, и Всевышнего глаз Видит каждый наш шаг на тернистой дороге Наступает момент, когда каждый из нас У последней черты вспоминает о Боге... Ссылка на комментарий
dkm Опубликовано 8 апреля, 2022 Поделиться Опубликовано 8 апреля, 2022 Здравствуйте, нужны схемы Внутреннее освещение и Стеклоподъемники. VF7DCRFNF76525436 Заранее Спасибо. Ссылка на комментарий
Сергей2310 Опубликовано 8 апреля, 2022 Поделиться Опубликовано 8 апреля, 2022 @Бес Я понял,тогда схему распиновки разъёма замка двери водителя, без суперблокировки,. и саму схему замка двери.Спасибо Ссылка на комментарий
Бес Опубликовано 8 апреля, 2022 Поделиться Опубликовано 8 апреля, 2022 18 часов назад, PanDa4x4 сказал: VF7NX5FEACY572552 дневное освещение.pdf противотуманная фара.pdf Запуск двигателя 1.pdf Запуск двигателя 2.pdf mister z и PanDa4x4 1 1 Природа мудра, и Всевышнего глаз Видит каждый наш шаг на тернистой дороге Наступает момент, когда каждый из нас У последней черты вспоминает о Боге... Ссылка на комментарий
Бес Опубликовано 8 апреля, 2022 Поделиться Опубликовано 8 апреля, 2022 12 часов назад, dkm сказал: VF7DCRFNF76525436 освещение закрытых пространств _ салона.pdf стеклоподъемник.pdf dkm и mister z 1 1 Природа мудра, и Всевышнего глаз Видит каждый наш шаг на тернистой дороге Наступает момент, когда каждый из нас У последней черты вспоминает о Боге... Ссылка на комментарий
Сергей2310 Опубликовано 9 апреля, 2022 Поделиться Опубликовано 9 апреля, 2022 @Бес Доброе утро,по распиновке разъёма замка будет схема? Ссылка на комментарий
Бес Опубликовано 9 апреля, 2022 Поделиться Опубликовано 9 апреля, 2022 @Сергей2310 сорян, подбухнул Схемы ковырнул, но не прицепил.... Централизованная блокировка 1.pdf Централизованная блокировка 2.pdf Централизованная блокировка 3.pdf Природа мудра, и Всевышнего глаз Видит каждый наш шаг на тернистой дороге Наступает момент, когда каждый из нас У последней черты вспоминает о Боге... Ссылка на комментарий
GreenLord Опубликовано 10 апреля, 2022 Поделиться Опубликовано 10 апреля, 2022 Добрый день! Можно схему ABS, электронный впрыск vf77f9hf0cj582776 Спасибо. Ссылка на комментарий
Рекомендуемые сообщения