Ser_Zh Опубликовано 25 февраля, 2018 Поделиться Опубликовано 25 февраля, 2018 (изменено) @ZIGGY, Ок. Из перечисленного в домашних условиях можно проверить только катушки и свечи. С этого и начну. DB может измерить давление в рампе? У меня есть Лексия. Изменено 25 февраля, 2018 пользователем Ser_Zh Ссылка на комментарий
Олегович Опубликовано 25 февраля, 2018 Поделиться Опубликовано 25 февраля, 2018 может измерить давление в рампе? можно измерить манометром для колес XP 2008г.в.; TU5JP4; ручная КПП. ЮВАО Ссылка на комментарий
Shemahov Опубликовано 13 мая, 2019 Поделиться Опубликовано 13 мая, 2019 Доброго дня форумчане. Может кто сталкивался с подобной проблемой. Автомобиль периодически начинает тупить и глохнуть. На горячую. На данный момент заменены: катушка свечи, обе лямбды , поросят инжектор Винсом, и промыт дроссель. Несколько дней назад загорелся чек и машина стала ехать нормально. После сброса ошибки в сервисе опять такая же хрень. Лекция показывает множественные пропуски зажигания. По датчикам все норм. Причем на скорости ни каких проблем нет только при трогании.троит и стреляет даеш газ в пол простирается и едет нормально. Ссылка на комментарий
LDS Опубликовано 13 мая, 2019 Поделиться Опубликовано 13 мая, 2019 @Shemahov продолжаем здесь. Не забываем пользоваться поиском All we are saying is give peace a chance Ссылка на комментарий
dkapotov Опубликовано 13 мая, 2019 Автор Поделиться Опубликовано 13 мая, 2019 Хотел добавить резюме своей проблемы с ошибками и пропусками зажигания. 1. Многочисленные сервисы могут нормально работать за мои деньги исключительно когда стоишь у слесаря над душой и говоришь что делать, куда посмотреть, что заменить и т.д. При этом авторизованные дилеры кардинально лучше работают на общем фоне остальных, так как имеют запчасти и хорошо знают матчасть. 2. Большая часть проблем исчезла после восстановления положения меток ГРМ, которые либо сбились, либо изначально не были правильно выставлены при замене ремня. Ремень меняли в клубном сервисе в Ермаковой роще. Больше туда не поеду. 3. Как оказалось двигатель чрезвычайно чувствителен к зазору между электродами свечей. В целях эксперимента на новых свечах выставил зазор по норме, потом менял с шагом в 0.1 мм. При погрешности 0.2 мм двигатель очень ощутимо меняет поведение в худшую сторону, особенно в динамике. 4. Нижний кислородный датчик было решено заменить, чтобы побороть ошибку катализатора. Купленный аналог оказался с коротким кабелем. Пока думал как нарастить ошибка исчезла на старом, видимо был плохой контакт в разъеме, хотя визуально все чисто и нормально. 5. На данный момент провалы не исчезли. На максимальных оборотах есть провалы с частотой приблизительно 1 раз в 1-1.5 секунды. Так и не удалось выявить причину и дельных мыслей на этот счет нет. Пока осталась ошибка "пропуски во вспышках", номер не записал, но двигатель работает уже почти удовлетворительно. 6. Есть подозрение, что момент зажигания убежал. Надо проверить и отрегулировать при необходимости, ищу достойного кандидата на эту операцию. Никто из расположенных рядом не делает. 7. Надо отрегулировать точку схватывания сцепления на роботе, имею китайский сканер и лексию с диагбоксом. Можно ли данную процедуру выполнить самостоятельно? Олегович и LDS 2 Ссылка на комментарий
LDS Опубликовано 13 мая, 2019 Поделиться Опубликовано 13 мая, 2019 3 минуты назад, dkapotov сказал: 7. Надо отрегулировать точку схватывания сцепления на роботе, имею китайский сканер и лексию с диагбоксом. Можно ли данную процедуру выполнить самостоятельно? Олегович 1 All we are saying is give peace a chance Ссылка на комментарий
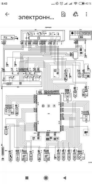
NEPTUNS Опубликовано 31 марта, 2020 Поделиться Опубликовано 31 марта, 2020 привет!троит двигатель!!почти все датчики поменяли,ошибок нет,лексия пишет множественные пропуски.пропуски на разных горшках,НО!!!отключаем генератор.троение прекращается,генератор заменили на новый!все равно троит!пипец какойто,официалы ничего не нашли,может схема инжектора у кого есть по этому движку ,нигде немогу найти Ссылка на комментарий
ZIGGY Опубликовано 1 апреля, 2020 Поделиться Опубликовано 1 апреля, 2020 Катушку-свечи, конечно, новую подкидывали? Подбор автомобилей Peugeot\Citroen, подробности "Понакупят шнурков по объявлению, а пользоваться не умеют!" © Enzo С4-С5-С6-С4P-5008 Ссылка на комментарий
NEPTUNS Опубликовано 1 апреля, 2020 Поделиться Опубликовано 1 апреля, 2020 И катушка и свечи и оба лямда,датчик и клапан фаз,даже датчик уровень масла,так как вылазили ошибка по нему.такое ощущение что мозг этой машины тупо перебирает датчики.единственная зацепка это отсоединение силового провода гены.на аккомуляторе работает без пропусков. Ссылка на комментарий
paul03 Опубликовано 2 апреля, 2020 Поделиться Опубликовано 2 апреля, 2020 Она троить начинает сразу после запуска или через некоторое время? Секунд 30, минута? Скажи OPR машины вечером схему посмотрю. Где находишься? Ссылка на комментарий
NEPTUNS Опубликовано 3 апреля, 2020 Поделиться Опубликовано 3 апреля, 2020 (изменено) троит сразу,VIN:VF7RERFJC76631499 пенза.заречный .схемку Бес подкинул.спасибо ему.пока проверяю.блок psf1 и bsi1 я так понимаю в одной коробке? Изменено 4 апреля, 2020 пользователем Олегович злоупотребление цитированием Ссылка на комментарий
paul03 Опубликовано 3 апреля, 2020 Поделиться Опубликовано 3 апреля, 2020 Далеко. Нужен не вин, а OPR. Это пять цифр на шильдике у водительской двери. По этому номеру схемы смотрят Ссылка на комментарий
ZIGGY Опубликовано 3 апреля, 2020 Поделиться Опубликовано 3 апреля, 2020 10221 По вину опр чтоль не понять... Подбор автомобилей Peugeot\Citroen, подробности "Понакупят шнурков по объявлению, а пользоваться не умеют!" © Enzo С4-С5-С6-С4P-5008 Ссылка на комментарий
paul03 Опубликовано 3 апреля, 2020 Поделиться Опубликовано 3 апреля, 2020 (изменено) Поздно. ? Туплю... А можно поподробнее с чего вообще всё началось. И что делали до появления. Изменено 4 апреля, 2020 пользователем Олегович злоупотребление цитированием Ссылка на комментарий
Олегович Опубликовано 4 апреля, 2020 Поделиться Опубликовано 4 апреля, 2020 8 часов назад, NEPTUNS сказал: psf1 и bsi1 я так понимаю в одной коробке? Нет. ПСФ в моторном отсеке, БСИ под торпедо. На 3-й странице схемы место нахождения блоков, разъемов... XP 2008г.в.; TU5JP4; ручная КПП. ЮВАО Ссылка на комментарий
Бес Опубликовано 4 апреля, 2020 Поделиться Опубликовано 4 апреля, 2020 В 02.04.2020 в 01:52, NEPTUNS сказал: единственная зацепка это отсоединение силового провода гены.на аккомуляторе работает без пропусков. А массы проверь. общая схема контактов массы.pdf Олегович 1 Природа мудра, и Всевышнего глаз Видит каждый наш шаг на тернистой дороге Наступает момент, когда каждый из нас У последней черты вспоминает о Боге... Ссылка на комментарий
paul03 Опубликовано 4 апреля, 2020 Поделиться Опубликовано 4 апреля, 2020 Скорее всего где то масса... Причём проверить нужно все. В схемах есть точки подключения на кузов. Ссылка на комментарий
NEPTUNS Опубликовано 4 апреля, 2020 Поделиться Опубликовано 4 апреля, 2020 Проверяли,по схеме конечно посмотрим,но что-то мне подсказывает это не масса.чтож получается плюсовой с гены снимаем и масса появляется чтоль)).официалы про компрессию заикнулись,говорю отсоединили плюс и компрессия чтоль появилась.вот и с массой также.еще они про катушку говорили,типа с другой тачки ставили и лучше стала,но говорю троение же не пропало,нет.мы когда новую катушку поставили она тоже переставала троить где-то на минуту,потом мозг этой машины решил что мы хочем его наеб...ть и начал опять троить)) В 04.04.2020 в 00:31, paul03 сказал: Далеко. Нужен не вин, а OPR. Это пять цифр на шильдике у водительской двери. По этому номеру схемы смотрят Спойлер В 04.04.2020 в 09:17, Олегович сказал: Нет. ПСФ в моторном отсеке, БСИ под торпедо. На 3-й странице схемы место нахождения блоков, разъемов... Что-то с псф и бси непонятки.смотрю вот я схему и эти блоки,даже по количеству предохранителей и релюшек не то. Спойлер Где-то в инете есть ремонт бси,так там бси это под капотом и в ней две платы залитые герметиком.поэтому я и подумал что бси и псф это в одной коробке.да и по количеству предохранителей и релюшек несостыковки.Кстати здесь реле зажигания уже поменяли на выносное Спойлер Может схема не та.по схеме бсм вообще нет??)чёт я уж туплю Спойлер Ссылка на комментарий
Олегович Опубликовано 5 апреля, 2020 Поделиться Опубликовано 5 апреля, 2020 БСМ(BSM) он же PSF1 на последней схеме слева второй сверху (в моторном отсеке всегда стоит в коробке с крышкой, к нему прикручиаается толстый провод +12v к боковой площадке блока). BSl верх схемы по середине. Там все подписано. 1320 - компьютер двигателя (моторник). Схему запуска дали по вашему вину? Значит она. ЗЫ. Начинаю переживать за электрику вашего авто. алш 1 XP 2008г.в.; TU5JP4; ручная КПП. ЮВАО Ссылка на комментарий
dkapotov Опубликовано 5 апреля, 2020 Автор Поделиться Опубликовано 5 апреля, 2020 В 01.04.2020 в 01:01, NEPTUNS сказал: отключаем генератор.троение прекращается,генератор заменили на новый!все равно троит Попробуйте посмотреть осциллографом на форму сигнала, выдаваемого генератором. Может реле регулятор вышло из строя? Я бы еще щетки генератора проверил. Ссылка на комментарий
Бес Опубликовано 5 апреля, 2020 Поделиться Опубликовано 5 апреля, 2020 32 минуты назад, dkapotov сказал: Может реле регулятор вышло из строя? Я бы еще щетки генератора проверил. В 01.04.2020 в 01:01, NEPTUNS сказал: генератор заменили на новый! Природа мудра, и Всевышнего глаз Видит каждый наш шаг на тернистой дороге Наступает момент, когда каждый из нас У последней черты вспоминает о Боге... Ссылка на комментарий
paul03 Опубликовано 5 апреля, 2020 Поделиться Опубликовано 5 апреля, 2020 А вы пробовали скидывать с генератора провод второй, который тонкий? Он управляет модулем зарядки и т.д. Идет с мозгов. Изменяется что нить? Процентов 95, что это масса. Просто при подключении генератора возрастают токи в проводке... Я бы посмотрел массу двигателя, массу АКБ, массу мозгов (она кстати обычно общая с ещё каким нибудь модулем), и отдельно массу модуля зажигания. Измерить ток во время троения клещами на силовом проводе с генератора. Измерить напряжение на АКБ в это время. Если есть возможность, то посмотреть индукционной линейкой на осциллографе сигнал с катушки. Ну либо оставшиеся 5% - это мозги. Хотелось бы конечно её посмотреть... Ссылка на комментарий
Олегович Опубликовано 5 апреля, 2020 Поделиться Опубликовано 5 апреля, 2020 18 часов назад, NEPTUNS сказал: Кстати здесь реле зажигания уже поменяли на выносное Реле бензонасоса XP 2008г.в.; TU5JP4; ручная КПП. ЮВАО Ссылка на комментарий
paul03 Опубликовано 5 апреля, 2020 Поделиться Опубликовано 5 апреля, 2020 (изменено) мы когда новую катушку поставили она тоже переставала троить где-то на минуту,потом мозг этой машины решил что мы хочем его обмануть и начал опять троить)) Вот эта фраза ооооочень интересная. Я вас спрашивал: она сразу троить начинает или нет? Дело в том, что мозги генератор включают не сразу, а через секунд 30-60... Пробуйте отсоединить тонкий провод. Только до того как завести. Чтобы мозги не убить. Изменено 5 апреля, 2020 пользователем Бес Ссылка на комментарий
NEPTUNS Опубликовано 6 апреля, 2020 Поделиться Опубликовано 6 апреля, 2020 (изменено) Если бсм это psf1 то где на схеме нужное количество предохранителей и релюшек?выше есть фото бсм с этого авто,где хорошо видно сколько там пред.и реле.про массы я уже думал и смотрел.есть задумка мозги авто запитать через стабилизатор 12в.может получется обмануть её.тонкий провод с гены естественно отсоединяли,никакой разницы,напряжение на акком.идеальное14,2 -это на новом гене.на старом было 13,8поэтому и разобрали старый.щетки были одинаковой длины,а вот износ колец был странным .как будто одна щётка только начала притираться и подвисла,а вторая щётка нормально проточила кольцо миллиметра на полтора.подшипники все были сухие,не стали заморачиваться с ремонтом,купили новый.троить начинала той осенью раз в три,две недели на ходу .глушили,заводили и все ок.потом чаще и чаще.мерили компрессию.не ахти но как уже говорил ,без гены компрессия не может вырасти.была мысль с гены через амперметр подключить.никто не в курсе сколько примерно ампер должно быть без фар и печки? Изменено 7 апреля, 2020 пользователем Олегович убран оверквотинг Ссылка на комментарий
Рекомендуемые сообщения
Для публикации сообщений создайте учётную запись или авторизуйтесь
Вы должны быть пользователем, чтобы оставить комментарий
Создать учетную запись
Зарегистрируйте новую учётную запись в нашем сообществе. Это очень просто!
Регистрация нового пользователяВойти
Уже есть аккаунт? Войти в систему.
Войти