Archer Опубликовано 16 ноября, 2021 Поделиться Опубликовано 16 ноября, 2021 Да по сути автос больше года стоял в гараже. Проводка сухая. Как мог переворачивал блок и видел, что проблема не одиночная. И да, дыра имеется под крыло. Вырежу кусок резинки и приклею туда. Я же санта фе 4 в 20 году себе купил. Год ездил расслаблялся. А вот теперь снова геморрой вспомнил) Ссылка на комментарий
Олегович Опубликовано 16 ноября, 2021 Поделиться Опубликовано 16 ноября, 2021 4 часа назад, Archer сказал: И да, дыра имеется под крыло. У моей там точно стоял какой-то пыльник, еще была вспененная резинка на жгуте при входе жгута в коробку BSI. XP 2008г.в.; TU5JP4; ручная КПП. ЮВАО Ссылка на комментарий
Archer Опубликовано 22 ноября, 2021 Поделиться Опубликовано 22 ноября, 2021 Итог: 4 провода(сигнал, диагностический разъем, реле ближнего света). Достаются, конечно, разъемы хреново. Ножки на релюхе ближнего света пожрало. Ссылка на комментарий
trmntr Опубликовано 22 ноября, 2021 Поделиться Опубликовано 22 ноября, 2021 А фото есть? Ссылка на комментарий
Archer Опубликовано 23 ноября, 2021 Поделиться Опубликовано 23 ноября, 2021 Если не забуду, в след раз сделаю. Того, что осталось от разъемов Ссылка на комментарий
Mr.Venik Опубликовано 26 августа, 2025 Поделиться Опубликовано 26 августа, 2025 Добрый день. Писал в теме про ц/з, продублирую вкратце тут. Сгорели разом замки в дверях в апреле. Поменяли. Причина не выявлена, в момент диагностики к БСИ вопросов не было. 3 месяца было норм, и опять то же самое. Вдобавок пару раз в движении появились прочерки вместо скорости с одновременными ощибками по АБС и тормозам. Периодически щелкает какое то реле под рулем. Замки пока не меняли, вырезали сигналку, в надежде что виновник она. Но результата не дало - и реле и приборка периодически чудат Ссылка на комментарий
Mr.Venik Опубликовано 26 августа, 2025 Поделиться Опубликовано 26 августа, 2025 Полез к БСИ. Разъемы внутри как новые. Низ платы тоже. Бегло просмотрел пайку, вроде норм, но сильно не акцентировал на этом внимание, т к морально был готов увидеть "ужасы" как в этой теме. Верх платы осмотреть не удалось, т к не смог снять верхнюю крышку (боялся сломать). Но в отверстие видно, что голубой разъем все же немного в окисле от воды. Глянул на стоимость блоков - с идентичными номерами 150-200$. И это б/у. Поэтому собрал корпус обратно. Думаю вот на лексию подъехать сперва. Увидим мы что-нибудь? В апреле гонял, когда первый раз сгорели замки, так диагност с еле скрываемым одолжением продиагностировал, но по БСИ вообще ничего не сказал, типа авто старое, не видно. Ездил в наполеон-авто, альтернативы то в Гродно я и не знаю, если честно. Поэтому тоже нет уверенности (( Ссылка на комментарий
ситровод771 Опубликовано 26 августа, 2025 Поделиться Опубликовано 26 августа, 2025 Старые замки где? Фото сгоревших есть? Что там за механизм? Соленоид или моторчик? Я вообще первый раз слышу что ЦЗ горят. И здесь вряд ли кто знает причину. А остальные форумы по французам мертвые. Ссылка на комментарий
Mr.Venik Опубликовано 26 августа, 2025 Поделиться Опубликовано 26 августа, 2025 В гараже. Там электромоторы. Никто их не ковырял, поэтому внешне ничем не отличаются. Случай не распространенный, конечно, но не единичный. Палить их могла как сигналка, так и сам БСИ. Первая уже ампутирована. Но остались глюки по электрике. Поэтому перед заменой замков во второй раз хотелось бы перестраховаться что ли? Спецов по старым ситроенам на районе я не знаю, поэтому приходится вникать самому. Пока получается не очень (( Ссылка на комментарий
ситровод771 Опубликовано 26 августа, 2025 Поделиться Опубликовано 26 августа, 2025 Вы те что в гараже отдельно запускали? От аккума напрямую? Почему пишете что они сгорели? Ссылка на комментарий
Mr.Venik Опубликовано 26 августа, 2025 Поделиться Опубликовано 26 августа, 2025 Не запускал. Ибо х.з. какой длительности должен быть сигнал и каким вольтажем. Передние не переключались даже вручную после снятия (личинки зависшие). Изначально все были заблокированы. Потом 2 или 3 разблокировать, но ни на сигналку, ни на кнопку из салона не реагировал ни один. Сейчас разблокированы передняя левая и задняя правая. На кнопку и радио ключ не реагируют. После подкидки донорского, он начинал реагировать на кнопку, в то время как остальные продолжали молчать. Сейчас донор не подкидывал, но уверен, ситуация будет аналогичной Ссылка на комментарий
ситровод771 Опубликовано 26 августа, 2025 Поделиться Опубликовано 26 августа, 2025 Продается на озоне ЦЗ совсем не дорого, его поставить. Они должны подходить. Ссылка на комментарий
forummailandlogin Опубликовано 26 августа, 2025 Поделиться Опубликовано 26 августа, 2025 @Mr.Venikможет просто закисли? Там полно мест для этого. Ссылка на комментарий
Mr.Venik Опубликовано 26 августа, 2025 Поделиться Опубликовано 26 августа, 2025 Не думаю, тем более "новые" снова закисли через 3 мес? Ссылка на комментарий
forummailandlogin Опубликовано 26 августа, 2025 Поделиться Опубликовано 26 августа, 2025 @Mr.Venik всё может быть. А вообще мультиметр ответит на многие вопросы. Ссылка на комментарий
Mr.Venik Опубликовано 26 августа, 2025 Поделиться Опубликовано 26 августа, 2025 В прошлый раз проверял контролькой человек. В момент диагностики вопросов к бси не было - давал сигнал на замок (смотрели на водительской). После замены всех замков все было хорошо. Но недолго. Плюсом добавились глюки приборки и щёлкает реле пол рулём иногда. По-моему грешить на налипший замок при таких вводных - это идти по одному следу. Попытался продиагностить BSI лексией - культурно был послан...разбирать пол авто и проливать, проливать, проливать. Доводы, что там сухо не помогли. В итоге даже лексию никто не подключили. Видимо придется превентивно вместе с замками заменить и BSI. Проблема в нем с большой вероятностью. А вот причина... 37 минут назад, ситровод771 сказал: Продается на озоне ЦЗ совсем не дорого, его поставить. Они должны подходить. Так купить то не проблема. Но ведь подключать все равно через BSI насколько я понимаю. А по нему вопросики пока не сняты Ссылка на комментарий
forummailandlogin Опубликовано 26 августа, 2025 Поделиться Опубликовано 26 августа, 2025 Почему тогда лексию не купить самому? Ссылка на комментарий
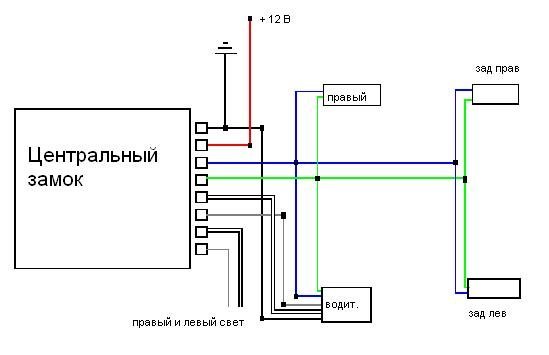
kashcei Опубликовано 26 августа, 2025 Поделиться Опубликовано 26 августа, 2025 24 минуты назад, Mr.Venik сказал: Но ведь подключать все равно через BSI насколько я понимаю. На этом рисунке видно BSI? Ссылка на комментарий
Mr.Venik Опубликовано 26 августа, 2025 Поделиться Опубликовано 26 августа, 2025 Не видно, но в тех темах, что я видел ранее, бси был. Но сильно не интересовался, авто не моё, да и причин ранее не было - с 2011 сигнализация стояла и было все ок. Ссылка на комментарий
Рекомендуемые сообщения
Для публикации сообщений создайте учётную запись или авторизуйтесь
Вы должны быть пользователем, чтобы оставить комментарий
Создать учетную запись
Зарегистрируйте новую учётную запись в нашем сообществе. Это очень просто!
Регистрация нового пользователяВойти
Уже есть аккаунт? Войти в систему.
Войти