emusic Опубликовано 22 февраля, 2025 Поделиться Опубликовано 22 февраля, 2025 16 минут назад, Лы́хны сказал: та которую вы приводили не является тем о чем мы говорим Картинка, которую я приводил, в точности соответствует фитингу, ввинченному в баллон Arnott A-2939, я говорю именно о нем: это фитинг системы "ниппель" - трубка легко вставляется в первый раз, но для ее извлечения и/или повторной вставки нужны приседания, которые под силу не каждому сервисмену. А фитинг, установленный в родном баллоне - типичный быстросъем, трубку легко вставить и легко вынуть. Ссылка на комментарий
Лы́хны Опубликовано 22 февраля, 2025 Поделиться Опубликовано 22 февраля, 2025 4 часа назад, emusic сказал: Картинка, которую я приводил, в точности соответствует фитингу, ввинченному в баллон Arnott A-2939 Это не так. Вот часть картинки которую вы приводили Спойлер Это резьбовой фитинг, вы должны сам фитинг одеть на трубку и потом поставить стопорное кольцо (стрелочка) и только потом в крутить его сжав стопорное кольцо. Действия на вашей картинке идут снизу вверх. У Арнота стоят фитинги немного другие я не спец что бы дать классификацию но они стандартные и точно такие стоят на подавляющем количестве легковых авто европейского производства (На пикасе другие). Вот такие Fittings Pneumatic QUICKER Спойлер У меня такие стоят на баллонах от БМВ 5(под которые я переделал крепления) все они являются быстросъемами и не одноразовыми. При желании вы можете их выкрутить и поставить дорогие вашему сердцу с нажиманием. типа Спойлер Как еще вас убедить, что в данном фитинге нет ничего страшного. я не знаю. Да собственно и не буду так как данные баллоны не эксплуатировал, а свои уже три года как не трогал и как там снимается трубка с фитинга тупо не помню. emusic 1 Ссылка на комментарий
emusic Опубликовано 22 февраля, 2025 Поделиться Опубликовано 22 февраля, 2025 1 час назад, Лы́хны сказал: вы должны сам фитинг одеть на трубку и потом поставить стопорное кольцо (стрелочка) и только потом в крутить его сжав стопорное кольцо. Действия на вашей картинке идут снизу вверх Я реально восхищаюсь Вашей уверенностью, основанной исключительно на домыслах. :) И ведь хоть бы тень сомнения промелькнула, что ли... Вот скан листа, из которого я вырезал ту картинку: 1 час назад, Лы́хны сказал: У Арнота стоят фитинги немного другие Возможно, "у Арнота" они действительно другие, а вот в двух экземплярах баллонов A-2939, которые купил я, фитинги в точности такие. 1 час назад, Лы́хны сказал: Как еще вас убедить, что в данном фитинге нет ничего страшного. я не знаю Меня в этом убеждать не нужно - для меня самого в них действительно нет ничего страшного, просто неудобство. Если у меня при снятии/установке вдруг сломается цанга, я всяко придумаю, как зафиксировать трубку в фитинге. А вот абстрактный работник французского автосервиса, у которого смекалка за пределами инструкций отсутствует напрочь, в этой ситуации скажет мне, что необходимо заменить весь баллон, и без этого сервис никак не сможет вернуть мне машину в состоянии, способном к самостоятельному передвижению. Лы́хны 1 Ссылка на комментарий
Лы́хны Опубликовано 23 февраля, 2025 Поделиться Опубликовано 23 февраля, 2025 10 часов назад, emusic сказал: Меня в этом убеждать не нужно - для меня самого в них действительно нет ничего страшного, просто неудобство. Если у меня при снятии/установке вдруг сломается цанга, я всяко придумаю, как зафиксировать трубку в фитинге. А вот абстрактный работник французского автосервиса, у которого смекалка за пределами инструкций отсутствует напрочь, в этой ситуации скажет мне, что необходимо заменить весь баллон, и без этого сервис никак не сможет вернуть мне машину в состоянии, способном к самостоятельному передвижению. Ладно окей, у нас разные ситуации, я обслуживаю машину сам обращаясь в сервис только при острой необходимости(отсутствие нужного сложного инструмента как то стенд для проверки форсунок) я поставил сам баллоны от БМВ и никого это не парит, даже на техосмотре. У вас все по другому нужно все по заводу. Тогда не очень понятны ваши желания от форума, вы хотите что бы вам подсказали какие баллоны ставить или как обойти проблему с этими фитингами? Ссылка на комментарий
emusic Опубликовано 23 февраля, 2025 Поделиться Опубликовано 23 февраля, 2025 1 час назад, Лы́хны сказал: я поставил сам баллоны от БМВ и никого это не парит, даже на техосмотре У нас на техосмотре это тоже никого не парит - у них же нет списков "официально допущенных" деталей по каждой модели, они физически не в состоянии это отслеживать. Смотрят прежде всего фактическое состояние ходовой, двигателя, тормозов, кузова и т.п. (как и везде). Если заметят какие-то совсем уж разительные отличия от заводской комплектации - могут возбудиться, наверное, но специально рассматривать и сравнивать никто не будет. В случае серьезного ДТП, наверное, полиция или страховая могут делать экспертизу соответствия, но и такое тоже везде возможно. 1 час назад, Лы́хны сказал: У вас все по другому нужно все по заводу. "Все по заводу" нужно только на официальных сервисах. Неофициальные ставят любые совместимые детали, лишь бы на них были документы о приобретении, чтобы указать их в отчетности (поэтому они редко соглашаются ставить детали, принесенные заказчиком). А самые мелкие из неофициальных (они иногда и самые лучшие, ибо еще не успели зажраться) ставят и детали заказчика, если они новые и в фабричных упаковках, а не россыпью с разборки. :) 1 час назад, Лы́хны сказал: вы хотите что бы вам подсказали какие баллоны ставить Ну да. Вы посоветовали A-2939 (за что Вам спасибо) - я про них почитал, увидел, что особых нареканий нет, да и купил. 1 час назад, Лы́хны сказал: или как обойти проблему с этими фитингами? Лучшим способом обхода проблемы с фитингами будет их замена на быстросъемы, а для этого мне нужно знать параметры резьбы. :) Вы, случайно, не в курсе? Сперва я думал, что там 1/8", но теперь подозреваю, что с гайкой на 10 она была бы почти вровень. Если в этих фитингах не используются резьбы UNF, то по виду больше всего подходит М8. Ссылка на комментарий
Лы́хны Опубликовано 23 февраля, 2025 Поделиться Опубликовано 23 февраля, 2025 3 часа назад, emusic сказал: Лучшим способом обхода проблемы с фитингами будет их замена на быстросъемы, а для этого мне нужно знать параметры резьбы. :) Вы, случайно, не в курсе? Сперва я думал, что там 1/8", но теперь подозреваю, что с гайкой на 10 она была бы почти вровень. Если в этих фитингах не используются резьбы UNF, то по виду больше всего подходит М8. Точных данных по фитингам у меня нет. По моему, лучшим вариантом, если есть баллон, то выкрутить фитинг и штангелем обмереть его. Потому как сама контора Арнот американская и шанс что там применяют дюймовую систему есть, хотя учитывая что применяют для Европы и размер пневмо-трубки(4мм) мы знаем точно, и вы говорите что головка на 10, то вполне логично что разные части штуцера не могут изготавливаться в разных системах мер и резьба тоже метрическая. Вот для мерса штуцер шаг резьбы 1мм, единственное я не знаю какой у него диаметр трубки. emusic 1 Ссылка на комментарий
emusic Опубликовано 23 февраля, 2025 Поделиться Опубликовано 23 февраля, 2025 1 час назад, Лы́хны сказал: если есть баллон, то выкрутить фитинг и штангелем обмереть его Баллоны есть, но оба уже стоят. :) Не догадался снять размеры, когда вывинчивал штуцер перед установкой. :( Если из Arnott не ответят, то буду обмерять, когда соберусь менять амортизаторы. 1 час назад, Лы́хны сказал: сама контора Арнот американская Сама-то да, но баллоны идут от Arnott Europe. хз, что они могли там поменять... 1 час назад, Лы́хны сказал: вы говорите что головка на 10 Это я говорю, что ключ на 10 мм на нее хорошо ложится. :) Но есть же близкие дюймовые и метрические размеры, а я не спец во всех тонкостях. В таблицах соответствия для 10 мм указан размер 13/32", вроде таких гаек в имперской системе нет. А "континентальные" гайки для дюймовых резьб вполне себе имеют метрические расстояния между гранями. Если резьба дюймовая, то больше всего похожа на 5/16"-24 UNF. Ссылка на комментарий
emusic Опубликовано 24 февраля, 2025 Поделиться Опубликовано 24 февраля, 2025 Пришел ответ от Arnott на мой вопрос о параметрах резьбы фитинга - прислали обстоятельное описание с картинками, как извлекать, разбирать, собирать и устанавливать фитинг, но на вопрос о резьбе ответить забыли. :) Кстати, если кому интересно - дали ссылку на видео. Ситруа Жомапель 1 Ссылка на комментарий
emusic Опубликовано 24 февраля, 2025 Поделиться Опубликовано 24 февраля, 2025 Оперативно ответили на повторное письмо с просьбой уточнить - на фитинге резьба M8x1. Ситруа Жомапель 1 Ссылка на комментарий
emusic Опубликовано 28 февраля, 2025 Поделиться Опубликовано 28 февраля, 2025 Кто менял силикагель в компрессоре - была ли разница от того, какой и где брали? Я заказал банку 250 г. за 7 евро, и уже после того, как ее отправили, вспомнил, что у меня осталось от кошки два пакета силикагелевого наполнителя для лотков, каждый килограмма по три. :) Только там не шарики, а гранулы - наверное, кошкам они нравятся больше шариков. Теперь думаю, что будет лучше засыпать в компрессор. :) Ссылка на комментарий
Лы́хны Опубликовано 28 февраля, 2025 Поделиться Опубликовано 28 февраля, 2025 @emusic От котов нельзя. Он хрупкий и крошиться забьет компрессор. Варианта два купить отдельно специальный селикогель или купить и разобрать фильтр воздушный. я разбирал вабко вот такой, там гранул на пять замен хватит. Спойлер emusic 1 Ссылка на комментарий
emusic Опубликовано 1 марта, 2025 Поделиться Опубликовано 1 марта, 2025 8 часов назад, Лы́хны сказал: От котов нельзя Это теория, или кто-то уже пробовал? 8 часов назад, Лы́хны сказал: Он хрупкий и крошиться Силикагель хрупок по своей природе, разве что шарики более прочны за счет своей формы. Но откуда в емкости компрессора силы, способные сколько-нибудь активно разрушать наполнитель? 9 часов назад, Лы́хны сказал: забьет компрессор Как он попадет в компрессор сквозь волокнистые фильтры? Разве что сами фильтры забьет. 9 часов назад, Лы́хны сказал: купить отдельно специальный селикогель В чем конкретно состоит "специальность" силикагеля, как вещества? Или Вы исключительно о том, что написано на упаковке? Ссылка на комментарий
Лы́хны Опубликовано 1 марта, 2025 Поделиться Опубликовано 1 марта, 2025 6 минут назад, emusic сказал: Это теория, или кто-то уже пробовал? Пробуйте, нам поведаете, что да как потом. В теории, жопу можно подтирать и наждачной бумагой ОНА ТОЖЕ БУМАГА. Ситруа Жомапель и emusic 1 1 Ссылка на комментарий
emusic Опубликовано 1 марта, 2025 Поделиться Опубликовано 1 марта, 2025 1 час назад, Лы́хны сказал: жопу можно подтирать и наждачной бумагой Я правильно понимаю, что по существу Вам сказать нечего? Ссылка на комментарий
Лы́хны Опубликовано 1 марта, 2025 Поделиться Опубликовано 1 марта, 2025 @emusic По существу чего? того что вы хотите запихнуть кошачий наполнитель в компрессор, потому что это дешевле? Вас не смущает мой пример с бумагой? Нет понимания, что силикогель также выпускается с разными физическими свойствами, заданными при производстве, для разных задач? Ссылка на комментарий
LDS Опубликовано 1 марта, 2025 Поделиться Опубликовано 1 марта, 2025 Прекращаем флуд и оффтоп. emusic 1 All we are saying is give peace a chance Ссылка на комментарий
emusic Опубликовано 1 марта, 2025 Поделиться Опубликовано 1 марта, 2025 1 час назад, Лы́хны сказал: Вас не смущает мой пример с бумагой? Меня смущает то, что Вы, делая уверенные и безапелляционные утверждения, не демонстрируете познаний и/или опыта, на которых они основаны. Без этого утверждения выглядят на уровне пересказа баек, простите уж. 1 час назад, Лы́хны сказал: Нет понимания, что силикогель также выпускается с разными физическими свойствами, заданными при производстве, для разных задач? Это понимание как раз есть - силикагель выпускается в гранулах разного размера и пористости, и все они пригодны для осушения воздуха, не содержащего капель влаги. Вы утверждали, что он "забьет компрессор", но не пожелали или не смогли пояснить, каким образом это может произойти. Вы упомянули "специальный силикагель", я спросил о конкретных свойствах этой "специальности", а Вы не нашли ничего лучшего, как съязвить. А я как раз попытался найти сколько-нибудь жесткие требования к силикагелям для осушителей воздуха, но не нашел - для установок общего назначения условия достаточно либеральные, применяются силикагели разной пористости, с разными размерами гранул. Ссылка на комментарий
merse126 Опубликовано 1 марта, 2025 Поделиться Опубликовано 1 марта, 2025 Да прекратите же уже... Там засыпан действительно другой. И на вид и на зубок так сказать. Ну правда, хорош уже флудить.)) emusic 1 Ссылка на комментарий
emusic Опубликовано 1 марта, 2025 Поделиться Опубликовано 1 марта, 2025 @merse126 Вот я и пытаюсь понять, в чем именно заключается это "другой". Все, кто отписывался о своем опыте замены (и здесь, и в других местах), подбирают фактически наугад - технических параметров оригинального никто не выяснял. На этом фоне утверждения "этот точно подойдет, а этот точно не подойдет" имеют больше религиозный характер, нежели технический. А вообще забавно, что понятие "флуд" давно приобрело значение "то, что мне не нравится или непонятно". :) Домыслы, поданные в простой и краткой форме - это, типа, "не флуд", а рассуждения логического/технического плана - "флуд". :) Ссылка на комментарий
Shelk Опубликовано 1 марта, 2025 Поделиться Опубликовано 1 марта, 2025 Силикагели есть тёх видов: 1. как в пакетиках с орешками, обуви и у кошек в лотке - влагу впитывают хорошо, отдают только при прокаливании. 2. в системах горячей осушки - осушитель продувается горячим воздухом, схожи с №1. 3. в системах холодной осушки - осушитель продувается резким обратным потоком воздуха из ресивера. Применяется в компрессорах грузовиков и относительно небольших промышленных системах. когда грузовик говорит резко "ПШИК" - это как раз идёт продувка осушителя. Для нас необходим реагент именно №3, из-за того, что ресивера нет, продувка происходит когда подушки стравливаются при опускании подвески. Самый лучший вариант - разобрать, как писали выше качественный осушитель от грузовиков и взять оттуда гранулы. Кстати из-за того, что продувка происходит при выпуске воздуха, то получается, что если есть утечка (трещины в баллонах, в соединениях), компрессор в основном подкачивает и практически не стравливает воздух. Получается, что влага накапливается, а продуваться не успевает. Всё это означает, что утечки воздуха - основная причина выхода осушителя из строя, бороться необходимо в первую очередь с ними. emusic, LDS и merse126 2 1 Ссылка на комментарий
emusic Опубликовано 1 марта, 2025 Поделиться Опубликовано 1 марта, 2025 @Shelk Силикагели (матрицы оксида кремния) бывают только первого вида - они связывают влагу за счет гидратации (химического изменения), и отдают ее только при нагревании до 120-150 C. Без нагревания извлечь влагу невозможно, сколько ни продувай сухим воздухом - как, например, из медного купороса. Если сорбент поддается осушению без нагрева выше сотни - это по определению не силикагель, а "гидрофильный сорбент", "осушитель" и т.п. В компрессорах наших ситроенов стравливание воздуха действительно происходит по тому же пути, что и накачка, Вы точно это знаете? Сколько ни читал про эти компрессоры - нигде не встречал таких подробностей. Свой пока не разбирал, поэтому судить не могу. Если там на самом деле осушение обратной продувкой, то никакой силикагель так работать не будет - он просто наберет влагу за какое-то время, и останется в таком состоянии. Нужен именно осушающий состав, способный отдавать влагу более сухому воздуху. Если же стравливание происходит просто наружу, то в "составах для грузовиков" нет никакого смысла, сгодится любой подходящий "одноразовый" состав, в том числе и любой силикагель. Гляжу, во многих публикациях силикагели путают с цеолитами, алюмогелями и прочими сорбентами. Это совершенно разные вещества, и свойства у них разные. Силикагели регенерируются только "горячим способом", а те же цеолиты могут регенерироваться и холодным, Ссылка на комментарий
Shelk Опубликовано 1 марта, 2025 Поделиться Опубликовано 1 марта, 2025 @emusic продувка через стравливание реализована практически на всех легковых авто, в том числе тех, у которых есть ресивер. Можно поискать vag ssp, там есть просто довольно подробные описания. У нас пневма вообще на минималках, можно сказать, даже нет ресивера, но принцип такой же, как на Ауди Аллроад, или А8. Как именно называется такой реагент, не помню точно. Приходилось сталкиваться с компрессорами atlas copco и нашими ДЭН, там бывает осушка горячая, с подогреваемым продувочным воздухом и холодная. Реагенты при этом разные. Раз привезли обычный силикагель вместо реагента для холодной осушки хотели сэкономить, хватило на день работы. merse126 и emusic 2 Ссылка на комментарий
emusic Опубликовано 1 марта, 2025 Поделиться Опубликовано 1 марта, 2025 @Shelk Если все действительно так, то получается, что на протяжении 10-20 лет в этой и других темах под "силикагелем" (иногда - "специальным силикагелем") регулярно упоминается то, что силикагелем быть никак не может. :) В итоге лишь особо старательные ищут "специальный силикагель для компрессоров" (и, подозреваю, нередко находят обычный - просто потому, что ищут именно "силикагель"), а остальные засыпают что попало. А когда мне приспичило это прояснить, претензии предъявляют именно мне за "флуд", а не тем, кто все это время вводил народ в заблуждение. :) Ссылка на комментарий
Лы́хны Опубликовано 1 марта, 2025 Поделиться Опубликовано 1 марта, 2025 19 минут назад, emusic сказал: В итоге лишь особо старательные ищут "специальный силикагель для компрессоров" (и, подозреваю, нередко находят обычный - просто потому, что ищут именно "силикагель"), Последний раз. 1. "Силикогель " - для пневмы уже есть имя нарицательное, как ксерокс в мире копиров. существуют и другие адсорбенты. 2. Вас интересовало можно ли использовать силикогель для лотков животных. И вам на это дали исчерпывающий ответ НЕТ НЕЛЬЗЯ. напомню что форум это про поговорить или спросить а не образование или приобретение специфических знаний. 3. Что бы закончить этот разговор. Силикогель не весь одинаковый, основная проблема обычного силикогеля это низкая водостойкость(разрушается в пыль или плотную массу если мокрый). Существуют и водостойкие марки силикогеля. Так же есть такое понятие как механическая прочность силикогеля. Механически прочные и водостойкие марки силикогеля применяются например в пневмосистеме Land Rover. Спойлер Ну а теперь то, что интересует вас относительно пневмосистемы С4Picasso. В осушителе нашего компрессора силикогель НЕ ПРИМЕНЯЕТСЯ!!!!. У нас применяется ЦЕОЛИТ(захотите узнать какой см. пункт 2) Скажу лишь только то что он в точности: размер, форма, похож на цеолит применяемый в фильтрах Wabco цвет у нас белый у Wabco см. картинку, по характеристикам это аналоги, о чем я вам уже писал. Спойлер По этому у вас как и прежде две дороги: Купить оригинальный или аналог например Спойлер Или разобрав фильтр Wabco взять сколько нужно от туда. emusic 1 Ссылка на комментарий
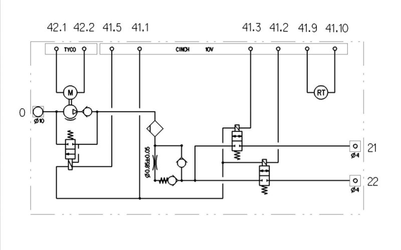
Shelk Опубликовано 2 марта, 2025 Поделиться Опубликовано 2 марта, 2025 @Лы́хны На фото с осушителем от ренжа, судя по всему уже не оригинальный реагент, а простой силикагель. На 100% не уверен, утверждать не буду, но все реагенты для продувки выглядят +/- одинаково и они непрозрачные. Недавно поменял реагент в своём компрессоре, взял из самого дешевого от грузовика. Гранулы крупнее чем у нас в оригинале и более тёмные, немного сомневаюсь в качестве, но посмотрим... Кстати, обсуждаемая тема про смазку поршня силиконовой смазкой ведёт к тому, что эта смазка попадает на гранулы и делает их гидрофобными, т.е. они перестают работать и ничего кроме их замены не поможет. на промышленных осушках именно замасливание реагента является основной причиной его замены. Нашёл схему нашего компрессора: ромб - осушитель, для стравливания/продувки стоит третий электроклапан (на схеме под компрессором) и обратный клапан с жиклёром (на схеме под осушителем) emusic и merse126 2 Ссылка на комментарий
Рекомендуемые сообщения
Для публикации сообщений создайте учётную запись или авторизуйтесь
Вы должны быть пользователем, чтобы оставить комментарий
Создать учетную запись
Зарегистрируйте новую учётную запись в нашем сообществе. Это очень просто!
Регистрация нового пользователяВойти
Уже есть аккаунт? Войти в систему.
Войти