semserge Опубликовано 18 февраля, 2024 Поделиться Опубликовано 18 февраля, 2024 Помогите найти сабж. VF7LCNFUF74924062 Спасибо. Ссылка на комментарий
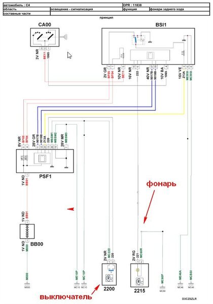
Алексей 2010 Опубликовано 18 февраля, 2024 Поделиться Опубликовано 18 февраля, 2024 Примерно так: Ссылка на комментарий
semserge Опубликовано 19 февраля, 2024 Автор Поделиться Опубликовано 19 февраля, 2024 Спасибо! Ссылка на комментарий
Рекомендуемые сообщения
Для публикации сообщений создайте учётную запись или авторизуйтесь
Вы должны быть пользователем, чтобы оставить комментарий
Создать учетную запись
Зарегистрируйте новую учётную запись в нашем сообществе. Это очень просто!
Регистрация нового пользователяВойти
Уже есть аккаунт? Войти в систему.
Войти