kardens Опубликовано 16 февраля, 2024 Поделиться Опубликовано 16 февраля, 2024 Всем доброго. Руль стал как на ГАЗоне - видимо сдох гидроусилитель. Примерно за полгода до этого был ремонт рулевой рейки. Может-ли тут быть какая-нибудь связь? Подвеска работает нормально. Ошибок типа STOP не выдает. Как решить задачку? Если снизу посмотреть, то сверху можно подумать, что сбоку не видно. Ссылка на комментарий
ИС-Xantia Опубликовано 16 февраля, 2024 Поделиться Опубликовано 16 февраля, 2024 29 минут назад, kardens сказал: Как решить задачку? Мои метания: С5-II, ГА-3, 2,0 RFJ (EW10A) 2007г МКПП. До него Xantia 1,9D 1994г была 12 лет. Ссылка на комментарий
kardens Опубликовано 16 февраля, 2024 Автор Поделиться Опубликовано 16 февраля, 2024 Считаешь, что всё-таки рейка? У меня руль не капризничает "работаю\не работаю", а тупо всегда дубовый. Если снизу посмотреть, то сверху можно подумать, что сбоку не видно. Ссылка на комментарий
mister z Опубликовано 16 февраля, 2024 Поделиться Опубликовано 16 февраля, 2024 @kardens Какой насос гидроусилителя? +7 963 245 1140 Ссылка на комментарий
kardens Опубликовано 16 февраля, 2024 Автор Поделиться Опубликовано 16 февраля, 2024 2 часа назад, mister z сказал: @kardens Какой насос гидроусилителя? Если я правильно определил по VIN: VF7RCRFJF76780097 - это 4007.QH Если снизу посмотреть, то сверху можно подумать, что сбоку не видно. Ссылка на комментарий
mister z Опубликовано 16 февраля, 2024 Поделиться Опубликовано 16 февраля, 2024 @kardens Состояние проводов на подходе к насосу проверяли? Надо снять бачок омывателя и проверить состояние косы. Обычно перетёрт тонкий красный провод. +7 963 245 1140 Ссылка на комментарий
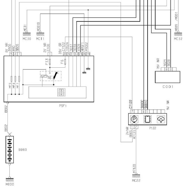
ИС-Xantia Опубликовано 17 февраля, 2024 Поделиться Опубликовано 17 февраля, 2024 12 часов назад, mister z сказал: Обычно перетёрт тонкий красный провод. Какой из них красный? Здесь насос под номером 7122, провода 9000С, 9001С это CAN-шина, провод BB05 это сила. Наверное это провод C7122 ? С5-II, ГА-3, 2,0 RFJ (EW10A) 2007г МКПП. До него Xantia 1,9D 1994г была 12 лет. Ссылка на комментарий
kardens Опубликовано 22 февраля, 2024 Автор Поделиться Опубликовано 22 февраля, 2024 В 16.02.2024 в 21:53, mister z сказал: @kardens Состояние проводов на подходе к насосу проверяли? Надо снять бачок омывателя и проверить состояние косы. Обычно перетёрт тонкий красный провод. Как снять бачок аккуратно? Получиться без снятия бампера? Встречал рекомендации попробовать после снятия правого колеса и подкрылка. Но что-то сомневаюсь, что этого будет достаточно. Если снизу посмотреть, то сверху можно подумать, что сбоку не видно. Ссылка на комментарий
mister z Опубликовано 22 февраля, 2024 Поделиться Опубликовано 22 февраля, 2024 @kardens Бампер надо отводить в сторону. +7 963 245 1140 Ссылка на комментарий
Рекомендуемые сообщения
Для публикации сообщений создайте учётную запись или авторизуйтесь
Вы должны быть пользователем, чтобы оставить комментарий
Создать учетную запись
Зарегистрируйте новую учётную запись в нашем сообществе. Это очень просто!
Регистрация нового пользователяВойти
Уже есть аккаунт? Войти в систему.
Войти