DarkGhost Опубликовано 27 декабря, 2023 Поделиться Опубликовано 27 декабря, 2023 Здраствуйте и с наступающим новым годом ! Citroen c4 2012 г. Пробег- 205 000 Под конец года вылезла данные ошибки. И если во многих форумах ошибка постоянная, то у меня она появляется спонтанно после чистки кодов ошибки. Т.е. я могу неделю проездить и все хорошо будет, а на 8 день вылезет и начнет кузов дребезжать)) . Если не сбрасывать ошибку, то со временем она пропадет и через n - количество времени снова вылезет. Данная ошибка появлялась и при прогреве автомобиля даже. В общем плавающий отказ Итак пройдемся то что я уже проверил и в каких местах точно нет проблемы: 1) Изначально как и во всех форумах все говорят про свечи, но свечи я поменял на новые и даже со старыми та же проблема; 2) Следующий момент так как машина с пробегом проверял компрессию в двигателе все цилиндры одинаково идеальны; 3) Дальше многие обращают внимание на катушки зажигания, но у моего француза целый модуль Естественно меня жабу задушило целиком модуль менять, т.к. денег не особо много есть. Согласно мануалу по технической эксплуатации я начал позванивать катушки (какое сопротивление и на каком сайте нашел информацию сказать не могу, т.к. забыл) согласно книге все было хорошо, но было бы странно если было обратное так как у меня плавающий отказ. Следующие мне посоветовали поменять саму резину Изначально я их местами поменял с надеждой что ошибка перекинется на другой цилиндр, но увы ошибка осталась та же. Также согласно мануалу катушки работают соосно, т.е. 1 завязана на 3, а 2, на 4 что видно даже по самой картинки. Из этого можно сделать вывод, что если бы у меня была проблема с катушкой во 2 цилиндре, то тогда ошибка была и на 4 цилиндре тоже. Вывод: по моему мнению катушка тоже отходит (но в этом я могу быть не уверен) Следующий этап может быть с топливными форсунками, но туда я пока не лез еще да и не особо хочется(так как много дел и работы, да и место нет где этим заняться) Вопрос в том может ли топливные форсунки быть данной ошибкой или куда-то еще надо заглянуть. Просто дело в том что ошибка плавающая и может я даже не в том направлении смотрю. У кого-то даже до седел доходило, но у всех людей ошибки были постоянные... Подскажите пожалуйста, а то с этой ошибкой новый год встречать не особо хочется )) Ссылка на комментарий
DarkGhost Опубликовано 27 декабря, 2023 Автор Поделиться Опубликовано 27 декабря, 2023 Двигатель TU5JP4 Мощность двигателя: 109 л. с. Ссылка на комментарий
Rykopop Опубликовано 27 декабря, 2023 Поделиться Опубликовано 27 декабря, 2023 Свечи как поживают? Масло в свечных колодцах есть? Пружинки в наконечниках не просели? И таки да, к катушке возможно тоже стоит готовится, она может отказывать на горячую. VIN: VF7DCRFNC76465859 Ссылка на комментарий
Алексей 2010 Опубликовано 27 декабря, 2023 Поделиться Опубликовано 27 декабря, 2023 2 часа назад, DarkGhost сказал: катушки работают соосно, т.е. 1 завязана на 3, а 2, на 4 что видно даже по самой картинки. Из этого можно сделать вывод, что если бы у меня была проблема с катушкой во 2 цилиндре, то тогда ошибка была и на 4 цилиндре тоже. Немного не так, 2-3 и 1-4. И совсем не обязательно в 3-м будут пропуски, катушка по разному может из строя выходить. Катушка ли это? Неизвестно. Попробуйте во 2-м цилиндре облегчить жизнь катушке, зазор в свече уменьшите до 0,8 мм. Ссылка на комментарий
DarkGhost Опубликовано 28 декабря, 2023 Автор Поделиться Опубликовано 28 декабря, 2023 @Алексей 2010 извиняюсь, нумерацию перепутал немного Вопрос, если я свечи местами менял и абсолютно тоже самое Из-за этого не понимаю зачем уменьшать зазор для одной катушки ? Ссылка на комментарий
DarkGhost Опубликовано 28 декабря, 2023 Автор Поделиться Опубликовано 28 декабря, 2023 @Rykopop Масло в свечных коробках не наблюдалось. Пружины как и накладки поменял между друг другом местами, так уж они отпадают Ссылка на комментарий
Rykopop Опубликовано 28 декабря, 2023 Поделиться Опубликовано 28 декабря, 2023 @DarkGhost чудес увы не бывает. Имеем пропуски по второму, 36я ошибка общая, говорит о наличии пропусков. Если уверен, что не свечи, ни катушка- надо бы замерить компрессию, хотя на этом моторе вроде как нет проблем с седлами. И самое странное- при возникновении ошибки, посмотри график второй лямбды. На драйве была инфа, что человеку помогла ее замена, ибо показывала ерунду в этот момент. VIN: VF7DCRFNC76465859 Ссылка на комментарий
koro Опубликовано 28 декабря, 2023 Поделиться Опубликовано 28 декабря, 2023 3 часа назад, Rykopop сказал: чудес увы не бывает. Имеем пропуски по второму, 36я ошибка общая, говорит о наличии пропусков. Если уверен, что не свечи, ни катушка- надо бы замерить компрессию, хотя на этом моторе вроде как нет проблем с седлами. И самое странное- при возникновении ошибки, посмотри график второй лямбды. На драйве была инфа, что человеку помогла ее замена, ибо показывала ерунду в этот момент. Да, нужно смотреть на компрессию и уже от её отталкиваться. Ссылка на комментарий
Hunter82 Опубликовано 28 декабря, 2023 Поделиться Опубликовано 28 декабря, 2023 3 часа назад, Rykopop сказал: Если уверен, что не свечи, Свечи ещё должны иметь нужное "калильное" число -это температурный параметр при котором она устойчиво выдаёт искру в разных составах бензовоздушной смеси (богатой или бедной). Поэтому при пропусках на холодном двигателе надо ещё попробовать поставить более "горячие" свечи и наоборот Ссылка на комментарий
Алексей 2010 Опубликовано 28 декабря, 2023 Поделиться Опубликовано 28 декабря, 2023 5 часов назад, DarkGhost сказал: Вопрос, если я свечи местами менял и абсолютно тоже самое Из-за этого не понимаю зачем уменьшать зазор для одной катушки ? Условия пробоя искрового промежутка хуже там, где выше давление, несмотря на то, что катушки парами работают. Ссылка на комментарий
mister z Опубликовано 28 декабря, 2023 Поделиться Опубликовано 28 декабря, 2023 16 часов назад, DarkGhost сказал: Подскажите пожалуйста, а то с этой ошибкой новый год встречать не особо хочется )) А она вам праздник испортит? Подождите и она в конце концов нормально проявится. Вангую, что на 90% это катушка. Ну а пока найдите себе более важную заботу. Rykopop 1 +7 963 245 1140 Ссылка на комментарий
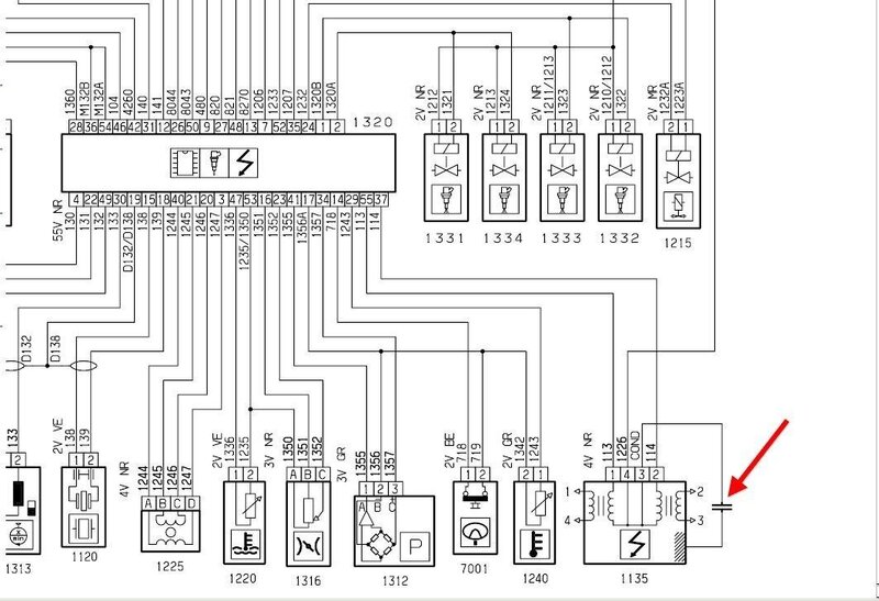
DarkGhost Опубликовано 28 декабря, 2023 Автор Поделиться Опубликовано 28 декабря, 2023 @koro компрессия была проверена как и писалась выше @Алексей 2010 если учитывать рисунок ниже рисунок 1135(модуль в упрощенке) то тут получается всего две катушки, которые работают на два цилиндра каждой. Тогда вот никак не могу понять почему и третья не уходит в отказ... Хоть и пишут что может только одна, хотя с логической точки зрения не могу понять почему только одна Ссылка на комментарий
Алексей 2010 Опубликовано 28 декабря, 2023 Поделиться Опубликовано 28 декабря, 2023 1 час назад, DarkGhost сказал: вот никак не могу понять почему и третья не уходит в отказ... Хоть и пишут что может только одна, хотя с логической точки зрения... Пойдём простым логическим ходом. ) Смотрите на картинку, откуда 2-й цил. возьмёт U для пробоя искрового промежутка, если на свече с двух сторон - масса? При этом третий будет нормально работать. Ссылка на комментарий
Рекомендуемые сообщения
Для публикации сообщений создайте учётную запись или авторизуйтесь
Вы должны быть пользователем, чтобы оставить комментарий
Создать учетную запись
Зарегистрируйте новую учётную запись в нашем сообществе. Это очень просто!
Регистрация нового пользователяВойти
Уже есть аккаунт? Войти в систему.
Войти