HSV74 Опубликовано 30 декабря, 2022 Поделиться Опубликовано 30 декабря, 2022 Всем доброго. Нуждаюсь в совете и подсказке. Владею Citroen Berlingo 1.9D dw8b. Перестал работать вентилятор печки. Замерил вольтаж на клемме вентилятора 13,2 приходит, проверил под капотом предохранитель на 40А целый. Моторчик на прямую от аккумулятора крутит как бешенный. На вентилятор беру + от штекера а - с корпуса не работает. Беру + с аккум а - с штекера моторчик работает. подскажите где копать, может где реле стоит? Ссылка на комментарий
defekt Опубликовано 7 января, 2023 Поделиться Опубликовано 7 января, 2023 Год машины хоть какой? Самый надёжный ремонт машины выглядит так: откручивается крышечка бензобака и к ней прокручивается новый автомобиль. Во всех остальных случаях возможны шероховатости. Ссылка на комментарий
HSV74 Опубликовано 7 января, 2023 Автор Поделиться Опубликовано 7 января, 2023 @defekt 2010 год рождения Ссылка на комментарий
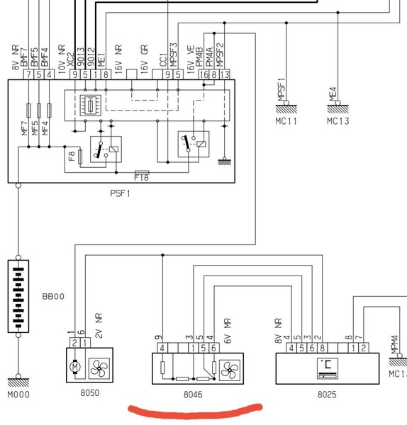
A20C Опубликовано 7 января, 2023 Поделиться Опубликовано 7 января, 2023 В 30.12.2022 в 16:43, HSV74 сказал: подскажите где копать, Схема изучай Ссылка на комментарий
defekt Опубликовано 7 января, 2023 Поделиться Опубликовано 7 января, 2023 Смотри есть ли плюс на 8 и 16 пинах зеленого разъема в подкапотном блоке предохранителей. Только с нагрузкой смотри, хотя бы лампочку на 21 Вт. И да, он должен появиться при работающем двигателе. И так же на фишке моторчика меряй плюс с нагрузкой, а не просто тестером. Самый надёжный ремонт машины выглядит так: откручивается крышечка бензобака и к ней прокручивается новый автомобиль. Во всех остальных случаях возможны шероховатости. Ссылка на комментарий
Рекомендуемые сообщения
Для публикации сообщений создайте учётную запись или авторизуйтесь
Вы должны быть пользователем, чтобы оставить комментарий
Создать учетную запись
Зарегистрируйте новую учётную запись в нашем сообществе. Это очень просто!
Регистрация нового пользователяВойти
Уже есть аккаунт? Войти в систему.
Войти