Evgen32 Опубликовано 9 января, 2022 Поделиться Опубликовано 9 января, 2022 довольно долго пытаюсь разобраться в чём дело , купил лексию3 китай. Вот что показывает лексия. Ошибки не стираются Ссылка на комментарий
Evgen32 Опубликовано 9 января, 2022 Автор Поделиться Опубликовано 9 января, 2022 и попутный вопрос, бывают схемы на ван шины этого VF7GJKFWC8N034637 автомобиля? Ссылка на комментарий
Бес Опубликовано 9 января, 2022 Поделиться Опубликовано 9 января, 2022 @Evgen32 1 - вот когда вот так вот задают вопросы, то шансы устранить причину минимальны. "Ой, у маня машина без акб постоит и не заводится. Вот ошибки, почему-то нет связи между блоками..."(С) А на самом деле немного не так.... На самом деле проблема такая, при открывании двери включается свет ближний габариты и загорается панель приборов на ней почти все лампочки включаются там где пробег прочерки, включаю зажигание, загорается плюс к этому подсветка часов и включается топливный насос, стартер крутит но не заводит. ни на какие переключатели не реагирует вообще. Выключаю зажигание, через 50 секунд всё тухнет. Пробовал читать лексией 3 китайской, кроме блока BSI ничего не видит. Я еще раз посоветую подкинуть исправный ПСФ. Но я, конечно, не последняя инстанция... Подождем, что скажут соклубни. Но информацию надо давать как можно полнее, чтобы люди не гадали, почему не заводится машина. А оказывается я тут недавно брод преодолевал по самое лобовое и немного блок и залил... И т.д... 2 - я снова скажу про схемы ПСА. 5 часов назад, Evgen32 сказал: бывают схемы на ван шины этого VF7GJKFWC8N034637 автомобиля? Тоже я не последняя инстанция и может у кого есть.... Но сколько я не смотрел, ПСА - это не жигули, где дается вся электрика на развороте листа. Тут на каждую систему своя схема. Далее тут И общей схемы ВАН или КАН просто нет. Даже схематично ее нет. Например в ПРЕЗЕНТАЦИЯ МУЛЬТИПЛЕКСНАЯ АРХИТЕКТУРА есть схемка, где указано, что сеть ВАН-кузов связывает БИС/ПСФ/подрулевой и SRS. Как связывает, по каким контактам, где искать - этого нет. В ПРЕЗЕНТАЦИЯ НАРУЖНОЕ ОСВЕЩЕНИЕ_СИГНАЛИЗАЦИЯ есть схемка на которой видно, что подрулевой связан с БСИ. И даже номер связи5 есть и написано, что ВАН-кузов.... Но мы это уже знаем и.... Как связывает, по каким контактам, где искать - тоже нет. Эти сети наверняка показаны на простых схемах, например фары ближнего света / фары дальнего света. Там наверняка есть и КАН и ВАН, но они не подписаны... Даже если их как-то можно идентифицировать, то это будет ВАН-кузов только для схемы ближний/дальний. Для иных мест, где он есть он будет в соответствующих схемах. Но все схемы для твоего авто выковыривать никто не будет. Слишком много. Если сам автоэлектрик и шаришь в ван/кановых соединениях и понимаешь разницу между осциллографом и тестером, то поставь себе программку и смотри свои схемы, разбирайся. Тут как поставить. P.S. и в третий раз: можно подождать еще мнений. Но я бы искал подкапотный блок. ПРЕЗЕНТАЦИЯ МУЛЬТИПЛЕКСНАЯ АРХИТЕКТУРА.pdf ПРЕЗЕНТАЦИЯ НАРУЖНОЕ ОСВЕЩЕНИЕ_СИГНАЛИЗАЦИЯ.pdf фары ближнего света _ фары дальнего света.pdf Природа мудра, и Всевышнего глаз Видит каждый наш шаг на тернистой дороге Наступает момент, когда каждый из нас У последней черты вспоминает о Боге... Ссылка на комментарий
Evgen32 Опубликовано 9 января, 2022 Автор Поделиться Опубликовано 9 января, 2022 @Бес огромное спасибо за ответ и его дополнение. Французов только начинаю познавать, дело идёт но с большим скрипом. Citroen Service Box Documentation Backup 2013-11 (VirtualBox) не получается что то пока установить, винда почему то запрещает её запуск. Ссылка на комментарий
Бес Опубликовано 10 января, 2022 Поделиться Опубликовано 10 января, 2022 @Evgen32 а я ж тебя обманул.... Они бывают. Спойлер Но к сожалению не на всех авто есть эти схемы. Природа мудра, и Всевышнего глаз Видит каждый наш шаг на тернистой дороге Наступает момент, когда каждый из нас У последней черты вспоминает о Боге... Ссылка на комментарий
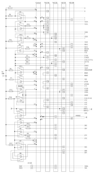
Evgen32 Опубликовано 11 января, 2022 Автор Поделиться Опубликовано 11 января, 2022 @Бес нашёл по каким проводам и какой алгоритм. вроде всё рабочее. ниже блок бсм. Подключаемые цепи (на моем BSM, на других — в соответствии с комплектацией может быть больше): C70 питание блока АБС C150 / с220 питание контакта заднего хода С5110 питание датчика уровня жидкости стеклоочистителя C1320 +12В зажигание на ECU C1620 питание датчика скорости автомобиля на МКПП C7715 питание блока BHI CM01 сигнал +CC "зажигание включено" MPFS масса MPFS1 масса M9002 масса X909 питание от BSI 100A включение втягивающего реле стартера — от ключа зажигания 100F включение втягивающего реле стартера — на стартер 104 цепь управления (?) генератором от ECU 1020 цепь управления (?) генератором — к генератору 1203 питание ECU при включении системного реле 1226 управление реле топливного насоса от ECU 1225 питание датчиков и исполнительных устройств впрыска 1229 масса от ECU для включения системного реле 1235 питание топливного насоса 1342 питание насоса подачи дополнительного воздуха 206A/206B противотуманные лампы в передних фарах 250A питание звукового сигнала высокой частоты 250B питание звукового сигнала низкой частоты 271 ближний свет левой фары 272 ближний свет правой фары 281 дальний свет левой фары 282 дальний свет правой фары 410 сигнал датчика пониженного давления масла в двигателе 411 сигнал датчика температуры масла в двигателе (к BSI) 411A сигнал датчика температуры масла в двигателе (к датчику) 414/415 цепи датчика уровня масла (от датчика к BSI) 500 управление скоростью (?) мотора заднего стеклоочистителя 501 питание мотора заднего стеклоочистителя 503 управление задним стеклоочистителем от BSI 510 / 530 цепи датчика уровня жидкости стеклоочистителя и насоса переднего/заднего стеклоомывателя 542 питание мотора омывателя фар 6738 сигнал от датчика 1620 6739A сигнал от датчика 1620 в ECU 8020 / 8020A питание модуля управления вентилятора салона 8060 цепь от компрессора кондиционера до BSI 9012/9013 — CAN 125 кбит/с — BSI Если имеется ошибка связи — смотрим провода от разъема 10V NR (10ти-контактный черный) пины 1й и 5й до разъема BSI 40V NR 6й и 8й пины соответственно. Если провода целые, то проверяем сопротивление этой цепи при подключенном к BSI разъеме — должно быть что-то вроде 8 кОм. Похожее сопротивление — между контактами разъема BM34. Если BM34 жив (имеется ввиду его микроконтроллер), а связи с BSI нет, но проводка к BSI подключена, включается вентилятор добавочного воздуха при включении зажигания. Честно украдено с другого сайта. Ссылка на комментарий
Evgen32 Опубликовано 11 января, 2022 Автор Поделиться Опубликовано 11 января, 2022 @Бес и что более непонятно. пошевелил фишку центральную под подрулевым переключателем, она в ответ пикнула, ну думаю щастье привалило, разобрал-пропоял-собрал включаю зажигание, пикнула, взмах дворниками один раз и снова молчёк. Фишку снимаешь ставишь, снова так же. Ссылка на комментарий
Рекомендуемые сообщения
Для публикации сообщений создайте учётную запись или авторизуйтесь
Вы должны быть пользователем, чтобы оставить комментарий
Создать учетную запись
Зарегистрируйте новую учётную запись в нашем сообществе. Это очень просто!
Регистрация нового пользователяВойти
Уже есть аккаунт? Войти в систему.
Войти