indoor Опубликовано 15 сентября, 2021 Поделиться Опубликовано 15 сентября, 2021 Добрый день, недавно стал обладателем Citroen Berlingo, на улице осень и периодически ночью становится холодно, утром заводишь выскакивает чек P1352. Нашел реле, снял фишку проверил свечи, проверял между общим и 1,2,3 и 4 контактом 6,5кОМ. С нял фишку на двигателе, которая ведет непосредственно к свечам накала, все 4 есть сопротивление около 1 Ом, похоже свечи рабочие. На втором силовом выводе при включении постоянно 12В, должно ли оно там быть? Как проверить реле на столе или заставить авто включить свечи, реле электронное. Сейчас оно ещё не всегда включается, пока не так холодно, но проблему хочется решить до наступления холодов. Заранее спасибо за помощь Ссылка на комментарий
mister z Опубликовано 15 сентября, 2021 Поделиться Опубликовано 15 сентября, 2021 @indoor А производительность ТНВД уже проверили? Распыл форсунок обязательно проверьте. И давление воздуха на впуске тоже. А то холода наступят и неприятности могут начаться. +7 963 245 1140 Ссылка на комментарий
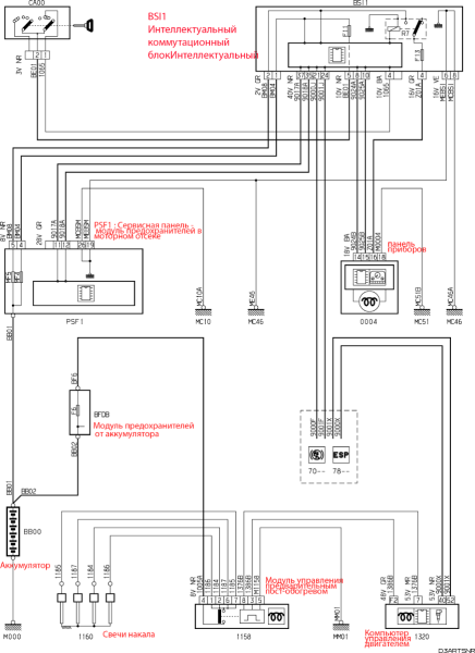
indoor Опубликовано 15 сентября, 2021 Автор Поделиться Опубликовано 15 сентября, 2021 сейчас все по очереди, пока машинка едет нормально, хочу сначала это устранить, потом все расходники, ну а далее по мере поступления проблем, благо есть вторая машина, так что без колес зимой не останусь. Дальше к вопросу, скачал схемы открыл, на фишку на 4 контакт подается 12В от аккума через предохранитель, оно там есть. Далее приблизительно разрисовал распиновку фишки, согласно схемы. Знающие могут подсказать, правильно пронумеровал или нет? Ссылка на комментарий
indoor Опубликовано 16 сентября, 2021 Автор Поделиться Опубликовано 16 сентября, 2021 На фишке нашел нумерацию, действительно совпадает со схемой(свечи(1,2,6,7pin) и 12В(4pin) точно, остальные не прозванивал), тогда на 5 выводе у меня должна быть постоянная масса, но её там нет, и при включении зажигания там появляется 12В. Как найти точку ММ01, именно физически в машине? Ссылка на комментарий
Бес Опубликовано 16 сентября, 2021 Поделиться Опубликовано 16 сентября, 2021 6 часов назад, indoor сказал: Как найти точку ММ01, именно физически в машине? ВИН давай. Природа мудра, и Всевышнего глаз Видит каждый наш шаг на тернистой дороге Наступает момент, когда каждый из нас У последней черты вспоминает о Боге... Ссылка на комментарий
indoor Опубликовано 17 сентября, 2021 Автор Поделиться Опубликовано 17 сентября, 2021 VF77F9HF0CJ537456 Ссылка на комментарий
Бес Опубликовано 17 сентября, 2021 Поделиться Опубликовано 17 сентября, 2021 8 часов назад, indoor сказал: VF77F9HF0CJ537456 ОБЩАЯ СХЕМА КОНТАКТОВ МАССЫ.pdf Упс, нету... Природа мудра, и Всевышнего глаз Видит каждый наш шаг на тернистой дороге Наступает момент, когда каждый из нас У последней черты вспоминает о Боге... Ссылка на комментарий
Бес Опубликовано 17 сентября, 2021 Поделиться Опубликовано 17 сентября, 2021 Масса есть, а точки нету... Природа мудра, и Всевышнего глаз Видит каждый наш шаг на тернистой дороге Наступает момент, когда каждый из нас У последней черты вспоминает о Боге... Ссылка на комментарий
indoor Опубликовано 17 сентября, 2021 Автор Поделиться Опубликовано 17 сентября, 2021 Спасибо тебе, дорогой друг, хоть что то, подозреваю, что где-то спплавились провода и из-за это там вместо массы 12в. Придется шерстить всю проводку? Ссылка на комментарий
indoor Опубликовано 19 сентября, 2021 Автор Поделиться Опубликовано 19 сентября, 2021 Нашел таки, где эта точка. Какой-то добрый дядя её просто не прикрутил, а напряжение скорее всего наводилось, так как провод просто в воздухе висел. Прикрутил на место теперь все в порядке, осталось только как-то проверить или дождаться похолодания Бес и mister z 1 1 Ссылка на комментарий
Бес Опубликовано 19 сентября, 2021 Поделиться Опубликовано 19 сентября, 2021 44 минуты назад, indoor сказал: осталось только как-то проверить или дождаться похолодания В Днепре есть сервисы где есть Лексия. Подъехать и проверить. Природа мудра, и Всевышнего глаз Видит каждый наш шаг на тернистой дороге Наступает момент, когда каждый из нас У последней черты вспоминает о Боге... Ссылка на комментарий
indoor Опубликовано 19 сентября, 2021 Автор Поделиться Опубликовано 19 сентября, 2021 а есть контакты, буду признателен. Вообще в планах приобрести шнурочек. Нужно только выбрать что-то хорошее, а то их много, фиг его знает что брать:)))) Ссылка на комментарий
Бес Опубликовано 19 сентября, 2021 Поделиться Опубликовано 19 сентября, 2021 6 минут назад, indoor сказал: а есть контакты, буду признателен. Ну пошукай у себя в городе. Я-то не знаю... 6 минут назад, indoor сказал: Нужно только выбрать что-то хорошее, а то их много, фиг его знает что брать:)))) Читай, выбирай, советуйся... Природа мудра, и Всевышнего глаз Видит каждый наш шаг на тернистой дороге Наступает момент, когда каждый из нас У последней черты вспоминает о Боге... Ссылка на комментарий
indoor Опубликовано 21 сентября, 2021 Автор Поделиться Опубликовано 21 сентября, 2021 короче, сегодня ночью похолодало и ошибка снова выскочила. Так как проводка в норме и свечи тоже, то остается только реле и модуль управления двигателем. Если б знать назначения проводов 1376В и 1386В, можно было бы как-то проверить реле и тогда наверняка сказать, кто виновник. Может кто знает какие сигналы передаются по этим двум проводам. Подозреваю что один управляющий, а один обратная связь. Подавал отдельно на реле 12В на 4 и 5 вывод, на 8-мом тоже висит 12В на остальных тишина. Ссылка на комментарий
Рекомендуемые сообщения
Для публикации сообщений создайте учётную запись или авторизуйтесь
Вы должны быть пользователем, чтобы оставить комментарий
Создать учетную запись
Зарегистрируйте новую учётную запись в нашем сообществе. Это очень просто!
Регистрация нового пользователяВойти
Уже есть аккаунт? Войти в систему.
Войти