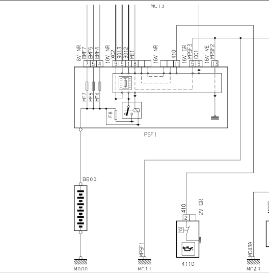
Mops Опубликовано 5 июля, 2021 Поделиться Опубликовано 5 июля, 2021 Здравствуйте ! Подскажите пожалуйста кто нибудь ! Берлинго М 59 , 2003 года , 1.4 бензин. В каком жгуте (косе ) проводке в моторном отсеке найти провод на датчик давления масла , какого он цвета и номер ? Мне досталась машина после пожара в моторном отсеке , провода на датчике не было . Заранее спасибо ! Ссылка на комментарий
A20C Опубликовано 6 июля, 2021 Поделиться Опубликовано 6 июля, 2021 Подеапотный блок предохранителей, чёрный 16ти контактный разъём, нога N11. На проводе маркировка "410" Ссылка на комментарий
Mops Опубликовано 6 июля, 2021 Автор Поделиться Опубликовано 6 июля, 2021 Спасибо А20С ! Попробую подключу ! Ссылка на комментарий
Рекомендуемые сообщения
Для публикации сообщений создайте учётную запись или авторизуйтесь
Вы должны быть пользователем, чтобы оставить комментарий
Создать учетную запись
Зарегистрируйте новую учётную запись в нашем сообществе. Это очень просто!
Регистрация нового пользователяВойти
Уже есть аккаунт? Войти в систему.
Войти