Sirozha Опубликовано 1 июля, 2023 Поделиться Опубликовано 1 июля, 2023 Здравствуйте ещё раз можно схему работы генератора VF7FCHFXB26739914.Спасибо. @Uspenie Ссылка на комментарий
Бес Опубликовано 2 июля, 2023 Поделиться Опубликовано 2 июля, 2023 В 01.07.2023 в 10:11, Sirozha сказал: VF7FCHFXB26739914 Запуск двигателя.pdf Природа мудра, и Всевышнего глаз Видит каждый наш шаг на тернистой дороге Наступает момент, когда каждый из нас У последней черты вспоминает о Боге... Ссылка на комментарий
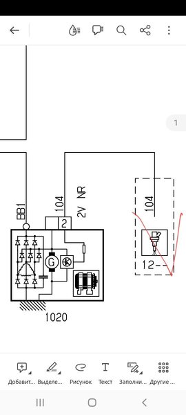
Sirozha Опубликовано 3 июля, 2023 Поделиться Опубликовано 3 июля, 2023 Прошу прощения неподскажите что за элемент?Спасибо. Ссылка на комментарий
Бес Опубликовано 3 июля, 2023 Поделиться Опубликовано 3 июля, 2023 @Sirozha система впрыска. Форсунка нарисована. Природа мудра, и Всевышнего глаз Видит каждый наш шаг на тернистой дороге Наступает момент, когда каждый из нас У последней черты вспоминает о Боге... Ссылка на комментарий
Dmitriyb Опубликовано 3 июля, 2023 Поделиться Опубликовано 3 июля, 2023 Здравствуйте, можно схему подключения передних фар (ближний, дальний габариты, ДХО, и наклон фар)? VF7RW5FEACL506012 Ссылка на комментарий
Бес Опубликовано 3 июля, 2023 Поделиться Опубликовано 3 июля, 2023 6 минут назад, Dmitriyb сказал: VF7RW5FEACL506012 ДХО нет. фары ближнего света фары дальнего света.pdf габаритные фонари.pdf указатели поворота повторителя фонари аварийной сигнализации.pdf Природа мудра, и Всевышнего глаз Видит каждый наш шаг на тернистой дороге Наступает момент, когда каждый из нас У последней черты вспоминает о Боге... Ссылка на комментарий
serg_999 Опубликовано 3 июля, 2023 Поделиться Опубликовано 3 июля, 2023 Здравствуйте! Нужна схема системы отопления/кондиционирования и расположение элементов пежо 301, 2013 год, 1,6 бензин, VF3DDNFP0DJ781108. OPR 13451 Ссылка на комментарий
Dmitriyb Опубликовано 3 июля, 2023 Поделиться Опубликовано 3 июля, 2023 Здравствуйте, можно схему подключения передних фар (ближний, дальний габариты, и протоивотуманки)? VF7RD5FNABL518832 Ссылка на комментарий
Бес Опубликовано 3 июля, 2023 Поделиться Опубликовано 3 июля, 2023 45 минут назад, serg_999 сказал: VF3DDNFP0DJ781108 Охлаждение.pdf вентиляция отопление и кондиционирование.pdf 44 минуты назад, Dmitriyb сказал: VF7RD5FNABL518832 А по этому ни ДХО ни ближний/дальний нет. противотуманная фара.pdf габаритные фонари.pdf serg_999 1 Природа мудра, и Всевышнего глаз Видит каждый наш шаг на тернистой дороге Наступает момент, когда каждый из нас У последней черты вспоминает о Боге... Ссылка на комментарий
Саня Знаменский Опубликовано 3 июля, 2023 Поделиться Опубликовано 3 июля, 2023 Доброго дня! Нужна схема впрыска ММ48Р на VF7DCRFNC76315539 Спасибо! RFN 2 литра бенз 136лс 2002 ГА3+ Ссылка на комментарий
Climat Опубликовано 3 июля, 2023 Поделиться Опубликовано 3 июля, 2023 Подскажите, какой программой или как конвертируете svg в pdf. Ссылка на комментарий
Бес Опубликовано 4 июля, 2023 Поделиться Опубликовано 4 июля, 2023 12 часов назад, Саня Знаменский сказал: VF7DCRFNC76315539 электронный впрыск.pdf Саня Знаменский 1 Природа мудра, и Всевышнего глаз Видит каждый наш шаг на тернистой дороге Наступает момент, когда каждый из нас У последней черты вспоминает о Боге... Ссылка на комментарий
avmoskalenko Опубликовано 4 июля, 2023 Поделиться Опубликовано 4 июля, 2023 Добрый день, нужна схема блока bsm, vin VF7LCNFUF74924662 Citroen C4 Ссылка на комментарий
vertoletchik Опубликовано 4 июля, 2023 Поделиться Опубликовано 4 июля, 2023 Добрый день! Пожалуйста, помогите со схемами задних светодиодных фонарей и заднего стеклоочистителя VF73ABHXTJJ788736. Заранее спасибо. Ссылка на комментарий
Бес Опубликовано 5 июля, 2023 Поделиться Опубликовано 5 июля, 2023 16 часов назад, avmoskalenko сказал: VF7LCNFUF74924662 НАЗНАЧЕНИЕ ПРЕДОХРАНИТЕЛЕЙ PSF1.pdf 9 часов назад, vertoletchik сказал: VF73ABHXTJJ788736 фонари заднего хода.pdf габаритные фонари.pdf задний стеклоочиститель, омыватель.pdf стоп-сигнал.pdf указатели поворота повторителя фонари аварийной.pdf avmoskalenko 1 Природа мудра, и Всевышнего глаз Видит каждый наш шаг на тернистой дороге Наступает момент, когда каждый из нас У последней черты вспоминает о Боге... Ссылка на комментарий
Владислав55 Опубликовано 5 июля, 2023 Поделиться Опубликовано 5 июля, 2023 Здравствуйте, пожалуйста помогите найти схему электронного впрыска со всеми датчиками двигателя. Вин: VF7RCRHRG76669093 Citroen c5, двигатель dw10bted4, система впрыска Siemens sid803 Ссылка на комментарий
Uncle_Fox Опубликовано 5 июля, 2023 Поделиться Опубликовано 5 июля, 2023 Здравствуйте. VF7LC9HXC74679164 Скиньте пожалуйста схемы подключений ближнего и дальнего света. Ссылка на комментарий
ZINZIYAHO Опубликовано 5 июля, 2023 Поделиться Опубликовано 5 июля, 2023 Здравсивуйте Бес Не смогли бы снабдить электросхемой на РКП Ошибка постоянная датчик педали тормоза, РРКП не видит положение пежали тормоза, это через абс идет или же отдельна? Спасибо С4 пикассо VF7UD9HR8BJ851296 Ссылка на комментарий
Бес Опубликовано 7 июля, 2023 Поделиться Опубликовано 7 июля, 2023 В 05.07.2023 в 13:42, Владислав55 сказал: VF7RCRHRG76669093 электронный впрыск.pdf В 05.07.2023 в 18:20, ZINZIYAHO сказал: VF7UD9HR8BJ851296 механическая коробка передач.pdf В 05.07.2023 в 15:49, Uncle_Fox сказал: VF7LC9HXC74679164 СПЕЦИАЛЬНЫЕ ХАРАКТЕРИСТИКИ СПЕЦИАЛЬНАЯ СЕРИЯ №6 Вроде не ошибся. ближний свет.pdf ZINZIYAHO 1 Природа мудра, и Всевышнего глаз Видит каждый наш шаг на тернистой дороге Наступает момент, когда каждый из нас У последней черты вспоминает о Боге... Ссылка на комментарий
Бес Опубликовано 7 июля, 2023 Поделиться Опубликовано 7 июля, 2023 @Climat у меня немного по-другому. На сколько помню у вас должно быть : распечатать, принтер выбрать, сохранить в ПДФ. Ну а дальше только суметь вытащить с виртуального на физический диск. Природа мудра, и Всевышнего глаз Видит каждый наш шаг на тернистой дороге Наступает момент, когда каждый из нас У последней черты вспоминает о Боге... Ссылка на комментарий
Uncle_Fox Опубликовано 7 июля, 2023 Поделиться Опубликовано 7 июля, 2023 @Бес здравствуйте еще раз. По дальнему очень интересно подключение. Нигде найти не могу. Ссылка на комментарий
Climat Опубликовано 8 июля, 2023 Поделиться Опубликовано 8 июля, 2023 @Бес Да, есть распечатать в pdf, только почему то меняются пропорции, и получается сжато с боков , читается конечно, но что то не так. Ссылка на комментарий
yury50 Опубликовано 8 июля, 2023 Поделиться Опубликовано 8 июля, 2023 Здравствуйте, на машине появилось много неисправностей по CAN шине. Например: U1313 -дефект связи АКПП с BSI и/или ESP. U1108 - ошибка связи ESP с BSI. U1109 - ошибка связи ESP с АКПП. U1003 и U1009 сеть CAN ходовой части или high speed2. Эти ошибки висят постоянно. Временами появляются: отсутствия связи управления двигателем с АКПП и BSI и ошибка связи управления двигателем и электрогидроусилителя руля. Нужны схемы по АКПП и двигателю, эл.гидроусилителю руля, ESP. Из "Размещения" общая схема внутренних соединений и сращивание проводов т.е. распределение соединительной цепи. Буду благодарен за советы и предоставленные схемы. VIN Z8TND5FS9GM015293 Ссылка на комментарий
Бес Опубликовано 8 июля, 2023 Поделиться Опубликовано 8 июля, 2023 @Uncle_Fox что непонятного? 1-3 - ближний, 4-6 - дальний. Природа мудра, и Всевышнего глаз Видит каждый наш шаг на тернистой дороге Наступает момент, когда каждый из нас У последней черты вспоминает о Боге... Ссылка на комментарий
Бес Опубликовано 8 июля, 2023 Поделиться Опубликовано 8 июля, 2023 1 час назад, yury50 сказал: Буду благодарен за советы К диагносту нормальному надо. "Кто-то" гадит в кан-шину и эта гадость разлетается по всем блокам. Надо найти этого "Кого-то". А так... Можно доусрачки искать и менять поблочно... 1 час назад, yury50 сказал: Z8TND5FS9GM015293 автоматическая коробка передач.pdf динамическая стабилизация.pdf общая схема внутренних соединений.pdf общая схема контактов массы.pdf общая схема расположения компьютеров.pdf общая установка кабелей.pdf усилитель рулевого управления.pdf электронный впрыск.pdf Природа мудра, и Всевышнего глаз Видит каждый наш шаг на тернистой дороге Наступает момент, когда каждый из нас У последней черты вспоминает о Боге... Ссылка на комментарий
Рекомендуемые сообщения