Бес Опубликовано 11 марта, 2023 Поделиться Опубликовано 11 марта, 2023 15 часов назад, lex1503 сказал: VF7EBRFNC13025162 Цвета - в первом сообщении файл. диагностический разъем 1.pdf 14 часов назад, АЛЕКС 321 сказал: vf7 7jnfrc bj716542 противотуманная фара.pdf 10 часов назад, Dima75 сказал: VF72RHNVWK4026527 динамическая стабилизация.pdf автоматическая коробка передач.pdf АЛЕКС 321 и Dima75 2 Природа мудра, и Всевышнего глаз Видит каждый наш шаг на тернистой дороге Наступает момент, когда каждый из нас У последней черты вспоминает о Боге... Ссылка на комментарий
Andrew7568381 Опубликовано 11 марта, 2023 Поделиться Опубликовано 11 марта, 2023 W0VZCYHZ6KS106417 Добрый день, нужна схема расположения блоков в авто bfh3, bsi, чтобы одновременно 2 блока было показано, в схеме складывания зеркал заднего вида. Ссылка на комментарий
Бес Опубликовано 11 марта, 2023 Поделиться Опубликовано 11 марта, 2023 1 час назад, Andrew7568381 сказал: W0VZCYHZ6KS106417 То есть ты считаешь, что блок показанный в одной схеме, в другой переедет в другое место? 1 час назад, Andrew7568381 сказал: чтобы одновременно 2 блока было показано, Нет такой картинки. Может это поможет... Хотя сомневаюсь. общая схема расположения компьютеров.pdf GRANDLAND X (P1UO) - D4EG0157P0 - 0 - 31_05_2021 - Снятие - установка _ Интеллектуальный коммутационный блок (BSI).pdf место второго блока уже давал. БСИ.pdf Природа мудра, и Всевышнего глаз Видит каждый наш шаг на тернистой дороге Наступает момент, когда каждый из нас У последней черты вспоминает о Боге... Ссылка на комментарий
Andrew7568381 Опубликовано 11 марта, 2023 Поделиться Опубликовано 11 марта, 2023 Может и по блоку предохранителей BFH3 есть мануал снятие установка, не могу его там найти, вроде сопоставив картинки должен быть за bsi, но его там нет Ссылка на комментарий
Бес Опубликовано 11 марта, 2023 Поделиться Опубликовано 11 марта, 2023 1 час назад, Бес сказал: W0VZCYHZ6KS106417 Не понимаю, как такой огромный блок можно не найти... У левого колена должен быть. 28 минут назад, Andrew7568381 сказал: Может и по блоку предохранителей BFH3 есть мануал снятие установка Нет, нету. Природа мудра, и Всевышнего глаз Видит каждый наш шаг на тернистой дороге Наступает момент, когда каждый из нас У последней черты вспоминает о Боге... Ссылка на комментарий
Andrew7568381 Опубликовано 11 марта, 2023 Поделиться Опубликовано 11 марта, 2023 Нормально спрятан, ровно за bsi. Дело не в предохранителе, может поможете мануалом по разборке зеркала заднего вида ? Ссылка на комментарий
Бес Опубликовано 11 марта, 2023 Поделиться Опубликовано 11 марта, 2023 16 минут назад, Andrew7568381 сказал: Дело не в предохранителе, может поможете мануалом по разборке зеркала заднего вида ? Нет его. Только это, GRANDLAND X (P1UO) - C4CG01K2P0 - 0 - 20_05_2021 - Снятие - установка _ Стекло наружного зеркала заднего вида.pdf GRANDLAND X (P1UO) - C4CG01K3P0 - 1 - 21_10_2021 - Снятие - установка _ Наружного зеркала заднего вида.pdf GRANDLAND X (P1UO) - C4CS018JP0 - 2 - 13_07_2021 - Разборка-сборка _ Передняя дверь.pdf GRANDLAND X (P1UO) - C5HG029DP0 - 0 - 31_05_2021 - Снятие - установка _ Датчик температуры наружного воздуха.pdf GRANDLAND X (P1UO) - D6AM03P0 - 106 - 06_02_2023 - Ремонт _ Жгуты электрических проводов.pdf GRANDLAND X (P1UO) - C4CG01G0P0 - 10 - 13_04_2022 - Снятие - установка _ Передняя дверь.pdf Природа мудра, и Всевышнего глаз Видит каждый наш шаг на тернистой дороге Наступает момент, когда каждый из нас У последней черты вспоминает о Боге... Ссылка на комментарий
jonyk Опубликовано 12 марта, 2023 Поделиться Опубликовано 12 марта, 2023 День добрый, подскажите по схеме на управление стеклоподьемниками, зеркалами с водительской двери. перестал реагировать на кнопки. Немного ранее началочь с зеркал, то не сложатся, то не развернутся. Слегка стукнешь по двери или дверной карте- все норм. А сегодня вообще погас даже диод блокировки задних зеркал. Спасибо. VF73A5GXAHJ815695 Ссылка на комментарий
Бес Опубликовано 12 марта, 2023 Поделиться Опубликовано 12 марта, 2023 2 часа назад, jonyk сказал: VF73A5GXAHJ815695 стеклоподъемник.pdf зеркала заднего вида с электроприводом.pdf Природа мудра, и Всевышнего глаз Видит каждый наш шаг на тернистой дороге Наступает момент, когда каждый из нас У последней черты вспоминает о Боге... Ссылка на комментарий
leri Опубликовано 12 марта, 2023 Поделиться Опубликовано 12 марта, 2023 Добрый день. VF33ERHSB8311925 интересуют схемы ABS Задние оба датчика левый и правый и датчик угла поворота руля. за ранее благодарю! Ссылка на комментарий
Бес Опубликовано 12 марта, 2023 Поделиться Опубликовано 12 марта, 2023 3 часа назад, leri сказал: VF33ERHSB8311925 ВИН не правильный. Природа мудра, и Всевышнего глаз Видит каждый наш шаг на тернистой дороге Наступает момент, когда каждый из нас У последней черты вспоминает о Боге... Ссылка на комментарий
METALMAN1988 Опубликовано 12 марта, 2023 Поделиться Опубликовано 12 марта, 2023 @Бес Спасибо в общем, тоже самое, что и с охлаждением - без расшифровки непонятно Ссылка на комментарий
Бес Опубликовано 12 марта, 2023 Поделиться Опубликовано 12 марта, 2023 @METALMAN1988 тебе какая расшифровка нужна? Не пойму? Природа мудра, и Всевышнего глаз Видит каждый наш шаг на тернистой дороге Наступает момент, когда каждый из нас У последней черты вспоминает о Боге... Ссылка на комментарий
METALMAN1988 Опубликовано 12 марта, 2023 Поделиться Опубликовано 12 марта, 2023 @Бес по системе охлаждения и рулевому, что ты до этого скинул) там в файлах нет страницы с расшифровкой.. Ссылка на комментарий
Бес Опубликовано 12 марта, 2023 Поделиться Опубликовано 12 марта, 2023 @METALMAN1988 7 минут назад, METALMAN1988 сказал: там в файлах нет страницы с расшифровкой.. Ну нету и нету и хрен с ней. То, что ты выложил в файле на телеге - это совсем другое. Это грубо говоря расшифровка всех соединений и "стыков" на пути от одного элемента к другому. То, про что разговор - расшифровка элементов в первом сообщении, и в телеге тебе дали еще один файл. Качай и пользуйся. Природа мудра, и Всевышнего глаз Видит каждый наш шаг на тернистой дороге Наступает момент, когда каждый из нас У последней черты вспоминает о Боге... Ссылка на комментарий
lex1503 Опубликовано 12 марта, 2023 Поделиться Опубликовано 12 марта, 2023 бес подскажи пожалуйста расположение блока иммобилайзера в машине. с уважением.VF7EBRFNC13025162 и если можно всех блоков где какие находятся.а то у нас такие мастера что легче самому сделать Ссылка на комментарий
Бес Опубликовано 13 марта, 2023 Поделиться Опубликовано 13 марта, 2023 9 часов назад, lex1503 сказал: VF7EBRFNC13025162 9 часов назад, lex1503 сказал: и если можно всех блоков где какие находятся Нет такой схемки на эту машину. иммобилайзер 1.pdf иммобилайзер 2.pdf иммобилайзер 3.pdf иммобилайзер 4.pdf иммобилайзер 5.pdf иммобилайзер 6.pdf иммобилайзер 7.pdf иммобилайзер 8.pdf иммобилайзер 9.pdf иммобилайзер 10.pdf иммобилайзер 11.pdf Есть вот такая. Но это по ОПРу. C8 FULL CAN Не уверен, что у тебя фулл кан... общая схема расположения компьютеров.pdf Природа мудра, и Всевышнего глаз Видит каждый наш шаг на тернистой дороге Наступает момент, когда каждый из нас У последней черты вспоминает о Боге... Ссылка на комментарий
METALMAN1988 Опубликовано 13 марта, 2023 Поделиться Опубликовано 13 марта, 2023 @Бес Извини, но правда не пойму, о каком "первом сообщении" идет речь. О закрепленном в телеге ? Или о твоем первом ? Там только схемы. А в файле в телеге, который скинули - я там пояснил, что там нет и бОльшей части расшифровок. Без них - темный лес. В любом случае спасибо за схемы. Я попробую установить программу Ситроен 2013 Ссылка на комментарий
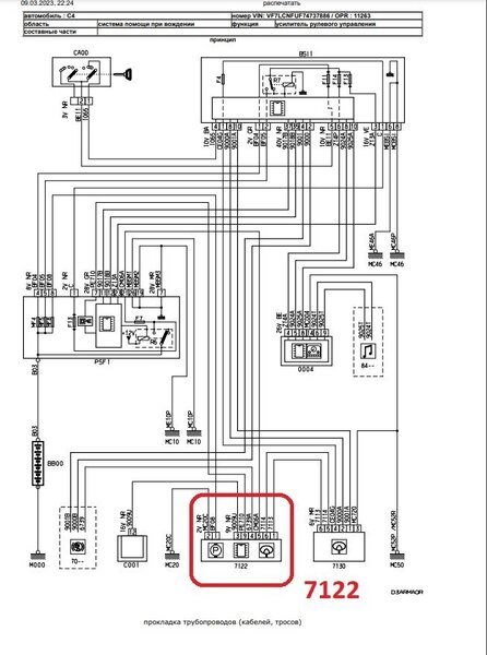
Бес Опубликовано 13 марта, 2023 Поделиться Опубликовано 13 марта, 2023 @METALMAN1988 ПСА - удивительная организация. У одной машины схемы делают интерактивные, у другой - стационарные, у третьей есть расшифровки, у четвертой нет, а у пятой и схем-то нет совсем. Ну нет по твоей машине расшифровки элементов, нету. Берешь из первого сообщения темы файл и смотришь на схему и определяешь какой элемент соответствует по номеру. components_psa ситроен С5.pdf список компонентов электросхем.pdf То, что ты показываешь - это больше похоже на "Размещение соединений", "Распределение соединений" и т.д. Посмотри, у тебя в списке - сращивание проводов. НО!!!! ПОХОЖЕ! Но не оно. Ну нет такой картинки как у тебя в руках по твоей машине. Нету ))) Только такие. ОБЩАЯ СХЕМА ВНУТРЕННИХ СОЕДИНЕНИЙ (5 ДВЕРЕЙ).pdf РАСПРЕДЕЛЕНИЕ ВНУТРЕННИХ СОЕДИНЕНИЙ.pdf РАСПРЕДЕЛЕНИЕ СОЕДИНЕНИЙ.pdf список компонентов электросхем.pdf components_psa.pdf Природа мудра, и Всевышнего глаз Видит каждый наш шаг на тернистой дороге Наступает момент, когда каждый из нас У последней черты вспоминает о Боге... Ссылка на комментарий
Бес Опубликовано 13 марта, 2023 Поделиться Опубликовано 13 марта, 2023 26 минут назад, METALMAN1988 сказал: А в файле в телеге, который скинули - я там пояснил, что там нет и бОльшей части расшифровок. Без них - темный лес Какой темный лес??? Открывай схему. Бери номер Открывай список. Ищи номер. Опа! Так это узел электронасоса ГУРа! Темный лес? A20C 1 Природа мудра, и Всевышнего глаз Видит каждый наш шаг на тернистой дороге Наступает момент, когда каждый из нас У последней черты вспоминает о Боге... Ссылка на комментарий
METALMAN1988 Опубликовано 13 марта, 2023 Поделиться Опубликовано 13 марта, 2023 @Бес Благодарю сердечно) куда на чай скинуть ???!! по любому!) .. частично нашел расшифровки) Ссылка на комментарий
Бес Опубликовано 13 марта, 2023 Поделиться Опубликовано 13 марта, 2023 Никуда ничего не надо. Пользуйся. )) Природа мудра, и Всевышнего глаз Видит каждый наш шаг на тернистой дороге Наступает момент, когда каждый из нас У последней черты вспоминает о Боге... Ссылка на комментарий
LKSQA Опубликовано 13 марта, 2023 Поделиться Опубликовано 13 марта, 2023 Добрый день! Интересует схема подключения топовых сидений на С4 Picasso 2013+ (массаж, подогрев, электрорегулировка, подставочка у пассажира под ноги). Вин дать неоткуда, ибо моя комплектация с обычными сидениями, хочу перекинуть топовые с машины, вин которой я не знаю :( Ссылка на комментарий
leri Опубликовано 13 марта, 2023 Поделиться Опубликовано 13 марта, 2023 Здравствуйте. VF34H9HZH55372228 Схема цепей питания блока ABS За ранее благодарю Ссылка на комментарий
Бес Опубликовано 14 марта, 2023 Поделиться Опубликовано 14 марта, 2023 15 часов назад, LKSQA сказал: Вин дать неоткуда, Ну и откуда я тогда возьму схемы? 14 часов назад, leri сказал: VF34H9HZH55372228 динамическая стабилизация.pdf Природа мудра, и Всевышнего глаз Видит каждый наш шаг на тернистой дороге Наступает момент, когда каждый из нас У последней черты вспоминает о Боге... Ссылка на комментарий
Рекомендуемые сообщения