andrey АВА Опубликовано 23 января, 2021 Поделиться Опубликовано 23 января, 2021 Здравствуйте,нужен совет о подогреве сидении. спинка и сидушка целые. кнопку включаешь под сиденьем реле щелкает.индикация горит.но не греет.вопрос кнопка.реле.или......вот такая кнопка .и какой вообще принцип работы такого подогрева.берлинго хтr 10год.спасибо Ссылка на комментарий
andrey АВА Опубликовано 23 января, 2021 Автор Поделиться Опубликовано 23 января, 2021 3 минуты назад, andrey АВА сказал: Здравствуйте,нужен совет о подогреве сидении. спинка и сидушка целые. кнопку включаешь под сиденьем реле щелкает.индикация горит.но не греет.вопрос кнопка.реле.или......вот такая кнопка.. на двух сиденьях одинаковая проблема.и какой вообще принцип работы такого подогрева.берлинго хтr 10год.спасибо Ссылка на комментарий
andrey АВА Опубликовано 24 января, 2021 Автор Поделиться Опубликовано 24 января, 2021 политиков и строителей на форуме больше чем автолюбителей Олегович 1 Ссылка на комментарий
ботаник2 Опубликовано 24 января, 2021 Поделиться Опубликовано 24 января, 2021 19 часов назад, andrey АВА сказал: под сиденьем реле щелкает Или. Вопросы конкретней ставьте, а то на них вы сами отвечаете. Принцип работы у всех одинаков, замыкаешь цепь, маты начинают греть. Сдёрни фишку и прозвони контакты. все когдато кончаетсяТолько в России человек, переходящий дорогу на красный свет светофора, может быть сбит пешеходом бегущим с противоположной стороны! Ссылка на комментарий
andrey АВА Опубликовано 24 января, 2021 Автор Поделиться Опубликовано 24 января, 2021 Сдёрни фишку и прозвони контакты .....так в этом и дело .что маты при прозвонки целые.вопрос по реле.я думаю если реле щелкает то питание на него идет.но возможно не выходит на маты.получается что с реле надо выход звонить.Принцип работы у всех одинаков.но не у всех одинаково работает.у кого сразу .у кого пока не сядешь на сидушку.у кого колесико регулирует.у кого термопара.просто хотел знать в этом обогреве получается за все отвечает реле что под сиденьем .спасибо Ссылка на комментарий
ВПН Опубликовано 24 января, 2021 Поделиться Опубликовано 24 января, 2021 2 часа назад, andrey АВА сказал: если реле щелкает то питание на него идет Питание реле и питание контактов . цепи разные Нормальность - понятие оооочень относительное. © Ссылка на комментарий
andrey АВА Опубликовано 24 января, 2021 Автор Поделиться Опубликовано 24 января, 2021 если не трудно ткныте носом дурака куда где начать прозванивать Ссылка на комментарий
ВПН Опубликовано 24 января, 2021 Поделиться Опубликовано 24 января, 2021 Я бы прозвонил таймер(реле) приходит на него (если щелкает, то скорее приходит) и выходит ли с него, а также приходит ли на него с подогрева . Схема нужна Нормальность - понятие оооочень относительное. © Ссылка на комментарий
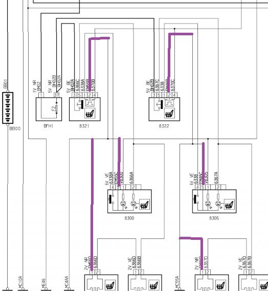
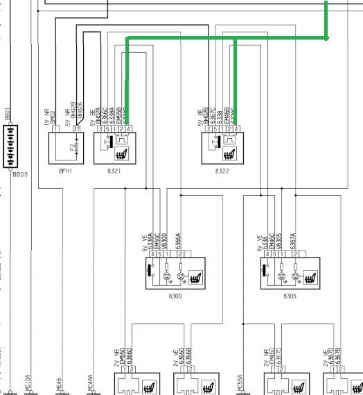
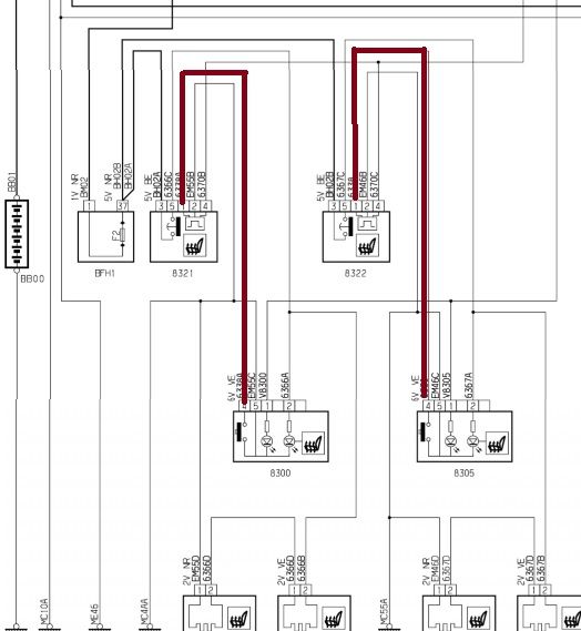
andrey АВА Опубликовано 24 января, 2021 Автор Поделиться Опубликовано 24 января, 2021 спасибо СхемаОбогревСl.pdf Ссылка на комментарий
ВПН Опубликовано 24 января, 2021 Поделиться Опубликовано 24 января, 2021 Красный вход +12вольт на реле, оранжевый выход - оранжевый должен на контактах реле звонится относительно массы. Спойлер При нажимании кнопки должно замыкаться на массу Спойлер Нормальность - понятие оооочень относительное. © Ссылка на комментарий
ВПН Опубликовано 24 января, 2021 Поделиться Опубликовано 24 января, 2021 точки массы Спойлер Я так понимаю, управляющее напряжение с BSI Спойлер Усё Нормальность - понятие оооочень относительное. © Ссылка на комментарий
andrey АВА Опубликовано 24 января, 2021 Автор Поделиться Опубликовано 24 января, 2021 большое спасибо Ссылка на комментарий
andrey АВА Опубликовано 24 января, 2021 Автор Поделиться Опубликовано 24 января, 2021 8 минут назад, andrey АВА сказал: большое спасибо. возможно ли что может питание отключено в BSI Ссылка на комментарий
ВПН Опубликовано 24 января, 2021 Поделиться Опубликовано 24 января, 2021 ну тогда релюхи щёлкать не будут Нормальность - понятие оооочень относительное. © Ссылка на комментарий
andrey АВА Опубликовано 24 января, 2021 Автор Поделиться Опубликовано 24 января, 2021 большое спасибо Ссылка на комментарий
ВПН Опубликовано 24 января, 2021 Поделиться Опубликовано 24 января, 2021 У вас нагреватели последовательно запитаны, сиденье и спинка. Если какой то не работает, то и второй работать не будет. Нормальность - понятие оооочень относительное. © Ссылка на комментарий
andrey АВА Опубликовано 25 января, 2021 Автор Поделиться Опубликовано 25 января, 2021 большое спасибо Ссылка на комментарий
andrey АВА Опубликовано 28 января, 2021 Автор Поделиться Опубликовано 28 января, 2021 Здравствуйте . вопрос по фишкам. какая идет на фронтальную подушку .а то мало ли.что под сиденьем 2 вот эти фишки и реле Ссылка на комментарий
andrey АВА Опубликовано 30 января, 2021 Автор Поделиться Опубликовано 30 января, 2021 Здравствуйте . ну неужели ни кто не сталкивался с этими фишками. Ссылка на комментарий
andrey АВА Опубликовано 30 января, 2021 Автор Поделиться Опубликовано 30 января, 2021 всем большое спасибо .разобрался Бес 1 Ссылка на комментарий
Рекомендуемые сообщения
Для публикации сообщений создайте учётную запись или авторизуйтесь
Вы должны быть пользователем, чтобы оставить комментарий
Создать учетную запись
Зарегистрируйте новую учётную запись в нашем сообществе. Это очень просто!
Регистрация нового пользователяВойти
Уже есть аккаунт? Войти в систему.
Войти