_Mrak_ Опубликовано 16 декабря, 2020 Поделиться Опубликовано 16 декабря, 2020 Пикасик 2008г 1.6 HDI, VIN VF7CH9HXC98281382, климат контроль. Предыстория, взял пикасик у перекупов, заказав предварительно осмотр спецом в Минске. Осматривающий вынес вердикт, что машинка для своих лет неплоха и после недолгого торга я стал счастливым обладателем пикасины. Еще при осмотре были выявлены две ошибки P0532 и P0118, первая ушла сама, а вот вторую я не счёл фатальной, так как форумы советовали просто поменять датчик ОЖ. Теперь сама история. На панели после включения зажигания индикатор температуры тестируется и показывает все деления, потом исчезают все палочки и никакой прогрев двигателя ни зажигает ни одной. Замена датчика ничего не дала, да и старый датчик при замере сопротивления показывает значения в пределах нормы от 4 ком при 15 гр до 300 ом при 90 гр. При этом если отключить датчик и пробовать завести машину загораются все деления индикатора и пишется «STOP Перегрев двигателя» и включается вентилятор на полные обороты, т.е. проводка вроде как цела. Подскажите куда копать или хотя бы куда приходит этот датчик, чтобы нормально прозвонить цепь. Не хочется потрошить жгуты, поиск по форумам не принес никакой информации. Ссылка на комментарий
Rudy1969 Опубликовано 16 декабря, 2020 Поделиться Опубликовано 16 декабря, 2020 Учитывая твои измерения сопротивления, чисто логически можно предположить, что при увеличении температуры сопротивление датчика уменьшается, т. е. при температуре более 90 гр. сопротивление стремится к нулю, таким образом, что при перегреве датчик должен давать коротыш и тогда выскочит ошибка «STOP Перегрев двигателя»? а у тебя она возникает при отключении датчика, когда его сопротивление как бы максимально. Это не логично. Думаю проводку надо бы прозвонить на массу или на +. У меня однажды выскакивала ошибка «STOP Перегрев двигателя», но из-за воздуха в термостате. Воздух стравил и все прошло. Олегович 1 TU5JP4, 16V - 1.6л 108,8лс Ссылка на комментарий
_Mrak_ Опубликовано 16 декабря, 2020 Автор Поделиться Опубликовано 16 декабря, 2020 Значения эталонного сопротивления датчика брал из одной из тем этого форума, поэтому и задаю здесь вопросы, надеясь на технически грамотных людей. На плюс и замыкание проверил сразу. Проводку и рад бы прозвонить но не знаю куда что идет, поиск не дает результата, типичный ответ по моей проблеме, поменять датчик (что не помогло). Я не авто электрик но с радиоаппаратурой на ты, могу предложить минимум десяток способов контроля шины на обрыв и замыкание, независимо от типа датчика, не думаю что французы тупее ))). Камрады, кто в теме, скиньте куда этот датчик идет, HELP!!! Ссылка на комментарий
usatik33 Опубликовано 17 декабря, 2020 Поделиться Опубликовано 17 декабря, 2020 22 часа назад, Rudy1969 сказал: тогда выскочит ошибка «STOP Перегрев двигателя»? При снятии фишки с датчика так и пишет. Мотроник защищает двигатель, он не видит датчика, и зажигает "гирлянду" 17 часов назад, _Mrak_ сказал: Я не авто электрик но с радиоаппаратурой на ты Так в чем проблема? Переменник в разъем, крутим, смотрим на приборку 23 часа назад, _Mrak_ сказал: На панели после включения зажигания индикатор температуры тестируется и показывает все деления, Вопрос к знатокам- это на всех рестайлах так? На дорестайле такого не видел. @Олегович, помогай :) 17 часов назад, _Mrak_ сказал: Камрады, кто в теме, скиньте куда этот датчик идет, HELP!!! Есть тема- https://citroens-club.ru/topic/73264-электрические-схемы-citroenpeugeot/page/233/?tab=comments#comment-1489707 Там запрашиваем свою схему мотроника по ВИН. Разбираемся. Нужна помощь- кидаем схему сюда, помогу чем смогу. Олегович 1 2000 EW7 1,8 Ссылка на комментарий
Олегович Опубликовано 23 декабря, 2020 Поделиться Опубликовано 23 декабря, 2020 В 17.12.2020 в 09:36, usatik33 сказал: На панели после включения зажигания индикатор температуры тестируется и показывает все деления, Да. Загорается всё. В книжке или в *Предложениях по техничке...* про датчики написано. https://citroens-club.ru/forum/196-техничка-xsara-picasso/ В 17.12.2020 в 00:14, _Mrak_ сказал: Проводку и рад бы прозвонить но не знаю куда что идет, поиск не дает результата, В книжке есть схемы для рестайла. _Mrak_ 1 XP 2008г.в.; TU5JP4; ручная КПП. ЮВАО Ссылка на комментарий
_Mrak_ Опубликовано 23 декабря, 2020 Автор Поделиться Опубликовано 23 декабря, 2020 @Олегович Спасибо большое за схемы. Ссылка на комментарий
Maxim- Опубликовано 25 декабря, 2021 Поделиться Опубликовано 25 декабря, 2021 @_Mrak_ Так чем дело то кончилось? Починил? Нашел место, где замыкало (или где контакт пропадал)? И куда именно идут две жилы с датчика? Нашел в поиске эту тему, ибо у меня аналогичная проблема. Внезапно, при прогреве и едва теплом двигателе вспыхивает табло перегрева и включается вентилятор. Датчик летом менял, все хорошо было месяца три. А потом пришли холода и сырость, и машиной почти не пользовался. Фишку самого датчика я проверю, конечно. Ссылка на комментарий
Олегович Опубликовано 27 декабря, 2021 Поделиться Опубликовано 27 декабря, 2021 @Maxim- у вас проще, при прогреве чистый обрыв. По книге смотреть схему или нажав *синюю кнопку в верхней части экрана* задать вопрос по схеме, с указанием вина. @Maxim-, Тип двигателя укажите в профиле. В подписи укажите год выпуска машины, клубникам будет проще выдать дельный совет. XP 2008г.в.; TU5JP4; ручная КПП. ЮВАО Ссылка на комментарий
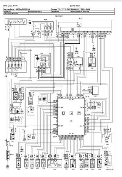
Nasos2015 Опубликовано 12 июля, 2022 Поделиться Опубликовано 12 июля, 2022 Всем привет.Машина 2.0hdi Ксара Пикассо 2002 г.Давно мучаюсь с показаниями температуры двигателя на дисплее.Замена на новый датчик и термостат не дала положительных результатов.Подкидывал переменник тоже не помогло.Если скинуть фишку с датчика пишет стоп дигатель тд.Если снять фишку с датчика и кинуть по очереди каждый на массу,то на дисплее появляется полная шкала.Понимаю,что провода идут на ЭБУ двигателя и потом хз куда дальше.Между собой не коротят.Под левым локером проводка в цолостности(смотрел).В схеме не силен сильно.Может есть у кого домычлы? https://citroens-club.ru/applications/core/interface/file/attachment.php?id=133670&key=c13ea2531f6fc6123b82b89aa21f519c Ссылка на комментарий
Ситруа Жомапель Опубликовано 12 июля, 2022 Поделиться Опубликовано 12 июля, 2022 1 час назад, Nasos2015 сказал: снять фишку с датчика и кинуть по очереди каждый на массу, то на дисплее в смысле, по очереди? с другой стороны вряд ли это принципиально, но на всякий случай можете объяснить? https://www.livemaster.ru/pawtteryceramics Ссылка на комментарий
Nasos2015 Опубликовано 12 июля, 2022 Поделиться Опубликовано 12 июля, 2022 @Ситруа Жомапель на датчик идет 2 провода как бы управляющий+ и масса.Вот сначала один провод с фишки кинул на массу кузова,а потом второй.По очереди не все сразу.При этом на дисплее появлялась полная шкала температуры двигателя на одном проводе,потом на другом .Связь с приборкой получается есть.Лексией тест температуры на дисплее делал.Тоже кубики показывает по очереди Ссылка на комментарий
Ситруа Жомапель Опубликовано 12 июля, 2022 Поделиться Опубликовано 12 июля, 2022 1 час назад, Nasos2015 сказал: + и масса.Вот сначала один провод с фишки кинул на массу кузова, а потом второй. если один +, а второй минус, то при контакте второго на массу ничего не должно меняться. В плане показаний. Мне так видится, пардон. Соответственно получается, что минус датчика до ЭБУ не доходит, но при этом где-то в пути закорочен на датчиковый плюс. Раз вот такое 1 час назад, Nasos2015 сказал: При этом на дисплее появлялась полная шкала температуры двигателя на одном проводе,потом на другом А ошибки там какие-то есть? https://www.livemaster.ru/pawtteryceramics Ссылка на комментарий
Nasos2015 Опубликовано 13 июля, 2022 Поделиться Опубликовано 13 июля, 2022 @Ситруа Жомапель Так вот и ищу эту проблему.Между собой коротыша нет по проводам.До Эбу все провода звонятся.Вскрывал ЭБУ ,окислов нет.Вскрывал ЭБУ,прочищал ,продувал и тд.Куда копнуть после …Бси снимал,смотрел ,тоже ничего не обнаружил.дисплей подкидывал другой,тоже ничего Ссылка на комментарий
usatik33 Опубликовано 13 июля, 2022 Поделиться Опубликовано 13 июля, 2022 13 часов назад, Nasos2015 сказал: Понимаю,что провода идут на ЭБУ двигателя и потом хз куда дальше. А дальше по кан шине в приборку (могу соврать). На 1,8 с мотроника идет 2 провода на БСИ. И дальше по шине на приборку. Они говорят ей о температуре. На вашей схеме этих проводов не видно (открывается только впрыск, остальные ссыль не рабочие) Датчик температуры 1220 по схеме? Что с показаниями температуры в лексии? Что с вентиляторами? Когда 98 по лексии вентилятор включается? Ошибки на фото с какого блока? @Nasos2015 вам бы найти такую бумажку впрыск описание мотроника.pdf на дизелек, многое стало бы понятно) Олегович 1 2000 EW7 1,8 Ссылка на комментарий
Ситруа Жомапель Опубликовано 13 июля, 2022 Поделиться Опубликовано 13 июля, 2022 4 часа назад, Nasos2015 сказал: Между собой коротыша нет по проводам.До Эбу все провода звонятся.Вскрывал ЭБУ ,окислов нет Что-то меня неудержимо тянет насоветовать что-нибудь. Как вариант, если известно какие провода идут от датчика, то взять двужильный провод похожего сечения и бросить от блока (или чего там) до датчика. И смотреть. а с самим датчиком всё в порядке? https://www.livemaster.ru/pawtteryceramics Ссылка на комментарий
Nasos2015 Опубликовано 13 июля, 2022 Поделиться Опубликовано 13 июля, 2022 @Ситруа Жомапель провода пересматривал эти.Не коротят между собой.От датчика (новый) идут на эбу.Потом хз куда они идут дальшепо эбу и тд. Ситруа Жомапель 1 Ссылка на комментарий
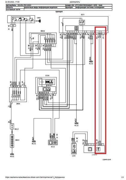
usatik33 Опубликовано 13 июля, 2022 Поделиться Опубликовано 13 июля, 2022 @nasos2015 эта бумажка есть читаемая--- информация системы охлаждения.pdf ?? 2000 EW7 1,8 Ссылка на комментарий
Бес Опубликовано 13 июля, 2022 Поделиться Опубликовано 13 июля, 2022 @usatik33 https://citroens-club.ru/topic/74441-электрические-схемы-citroenpeugeot/?do=findComment&comment=1533491 usatik33 1 Природа мудра, и Всевышнего глаз Видит каждый наш шаг на тернистой дороге Наступает момент, когда каждый из нас У последней черты вспоминает о Боге... Ссылка на комментарий
Nasos2015 Опубликовано 14 июля, 2022 Поделиться Опубликовано 14 июля, 2022 Вот читал лексией и параметры температуры видит.@usatik33 Ссылка на комментарий
Бес Опубликовано 14 июля, 2022 Поделиться Опубликовано 14 июля, 2022 23 часа назад, Nasos2015 сказал: Потом хз куда они идут дальшепо эбу и тд. Что значит - х.з???? Четко прописано два провода от ЭБУ к БСИ. Проверял? Спойлер Олегович и usatik33 2 Природа мудра, и Всевышнего глаз Видит каждый наш шаг на тернистой дороге Наступает момент, когда каждый из нас У последней черты вспоминает о Боге... Ссылка на комментарий
Рекомендуемые сообщения
Для публикации сообщений создайте учётную запись или авторизуйтесь
Вы должны быть пользователем, чтобы оставить комментарий
Создать учетную запись
Зарегистрируйте новую учётную запись в нашем сообществе. Это очень просто!
Регистрация нового пользователяВойти
Уже есть аккаунт? Войти в систему.
Войти