tvv Опубликовано 23 апреля, 2020 Поделиться Опубликовано 23 апреля, 2020 Может кто встречался: поворачиваю ключ в первое положение, тест идет, лампочки зажигаются, тухнут. Завожу, одиночный щелчок и все. Стартер не крутит, не щелкает, просто тишина. Ключ поворачиваю назад до конца и опять вперед, но уже не жду пока лампочки потухнут, а сразу проворачиваю на зажигание. Машина заводится. Это что-то с замком? Ссылка на комментарий
Бес Опубликовано 23 апреля, 2020 Поделиться Опубликовано 23 апреля, 2020 По моему да... Природа мудра, и Всевышнего глаз Видит каждый наш шаг на тернистой дороге Наступает момент, когда каждый из нас У последней черты вспоминает о Боге... Ссылка на комментарий
mister z Опубликовано 23 апреля, 2020 Поделиться Опубликовано 23 апреля, 2020 Это нормально. Комп думает, что вы просто забыли выключить зажигание. +7 963 245 1140 Ссылка на комментарий
Бес Опубликовано 23 апреля, 2020 Поделиться Опубликовано 23 апреля, 2020 А раньше не думал? Природа мудра, и Всевышнего глаз Видит каждый наш шаг на тернистой дороге Наступает момент, когда каждый из нас У последней черты вспоминает о Боге... Ссылка на комментарий
mister z Опубликовано 23 апреля, 2020 Поделиться Опубликовано 23 апреля, 2020 Раньше просто внимание не обращалось. +7 963 245 1140 Ссылка на комментарий
MityaSVR Опубликовано 25 апреля, 2020 Поделиться Опубликовано 25 апреля, 2020 Что-то я сомневаюсь... Это ж сколько надо ждать, чтоб было похоже на невынутый ключ? Предлагаю другой вариант - лампы гаснут когда все тесты завершаются, может в процессе тестирования обнаруживается что-то такое из-за чего комп блокирует запуск? Ошибки в мозгах есть? Ссылка на комментарий
Vladkor Опубликовано 26 апреля, 2020 Поделиться Опубликовано 26 апреля, 2020 В 23.04.2020 в 14:38, tvv сказал: Может кто встречался: поворачиваю ключ в первое положение, тест идет, лампочки зажигаются, тухнут. Завожу, одиночный щелчок и все. Стартер не крутит, не щелкает, просто тишина. Ключ поворачиваю назад до конца и опять вперед, но уже не жду пока лампочки потухнут, а сразу проворачиваю на зажигание. Машина заводится. Это что-то с замком? Это только утром или после долгой стоянки, или каждый раз? Ссылка на комментарий
tvv Опубликовано 27 апреля, 2020 Автор Поделиться Опубликовано 27 апреля, 2020 Спасибо всем ответившим. Уже третий день эффекта не наблюдаю? Заводится штатно. Ничего не предпринимал. Тест (кнопка под рулем) ошибок не выдает, ELM-ка тоже. P.S. Наблюдалось на холодную. Ссылка на комментарий
MityaSVR Опубликовано 27 апреля, 2020 Поделиться Опубликовано 27 апреля, 2020 Аккумулятор давно менялся? Что диагностика про его состояние пишет? Ссылка на комментарий
tvv Опубликовано 27 апреля, 2020 Автор Поделиться Опубликовано 27 апреля, 2020 Аккумулятор родной (2012). Особых нареканий пока нет. Ссылка на комментарий
MityaSVR Опубликовано 27 апреля, 2020 Поделиться Опубликовано 27 апреля, 2020 Дык, ёлы-палы, на дворе 2020 год! Аккумулятор уже давно просится на замену. Рекомендую проверить его на остаточную емкость - в этом и разгадка глюка будет. Пока всё включается в машине остатка не хватает на заводку. Комп это видит и не дает команды на стартер. У меня, когда аккумулятор сдыхал, такая же хрень была. Бес 1 Ссылка на комментарий
tvv Опубликовано 27 апреля, 2020 Автор Поделиться Опубликовано 27 апреля, 2020 Вполне может быть. Спасибо за подсказку. Ссылка на комментарий
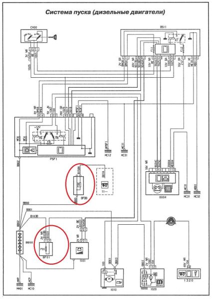
vinter83 Опубликовано 25 февраля, 2021 Поделиться Опубликовано 25 февраля, 2021 Добрый день! Подскажите где находятся эти предохранители? Citroen C5 X7 2.0 HDi vin: VF7RWRHRJ9L559526 Спасибо! Ссылка на комментарий
Бес Опубликовано 25 февраля, 2021 Поделиться Опубликовано 25 февраля, 2021 Верхний есть на схемах запуска. Справа от АКБ со стороны капота. Запуск двигателя 1.pdf МОДУЛЬ ПРЕДОХРАНИТЕЛЕЙ АККУМУЛЯТОРНОЙ БАТАРЕИ (BFDB).pdf Нижний стоит в разрыве между АКБ и 1031 : блок состояния заряда аккумуляторной батареи. Там провод 30 см. неужели не найти? Природа мудра, и Всевышнего глаз Видит каждый наш шаг на тернистой дороге Наступает момент, когда каждый из нас У последней черты вспоминает о Боге... Ссылка на комментарий
Рекомендуемые сообщения
Для публикации сообщений создайте учётную запись или авторизуйтесь
Вы должны быть пользователем, чтобы оставить комментарий
Создать учетную запись
Зарегистрируйте новую учётную запись в нашем сообществе. Это очень просто!
Регистрация нового пользователяВойти
Уже есть аккаунт? Войти в систему.
Войти