egorn Опубликовано 12 апреля, 2020 Поделиться Опубликовано 12 апреля, 2020 Помогите пожалуйста, машина Citroen c5 2005 2л МТ, водительская дверь закрывается только с супер блокировкой (два раза нажимать на закрытие), остальные двери ок. Менял замок - не помогло, что ещё может быть? Ссылка на комментарий
ИС-Xantia Опубликовано 13 апреля, 2021 Поделиться Опубликовано 13 апреля, 2021 Несколько месяцев назад появилась похожая проблема, но с задней правой дверью - она закрывается только после второго нажатия с брелка. Ни с первого, ни с третьего, а именно со второго. Режима суперблокировки у меня нет. Могу предположить откисание какого-то контакта (провода) и этому замку просто не хватает тока. А при втором нажатии другие замки уже не потребляют ток и его достаточно неудачливому. С5-II, ГА-3, 2,0 RFJ (EW10A) 2007г МКПП. До него Xantia 1,9D 1994г была 12 лет. Ссылка на комментарий
Logos Опубликовано 13 апреля, 2021 Поделиться Опубликовано 13 апреля, 2021 Вряд ли потребление тока остальными замками сказывается на том, что сразу не срабатывает неисправный. Даже когда у меня первый АКБ был уже совсем дохлый и едва мог провернуть стартер, он выдавал ток, достаточный для штатной работы всех замков. С5-II Break, 2,0 RFJ (EW10A), МКПП, 2007г.в. Ссылка на комментарий
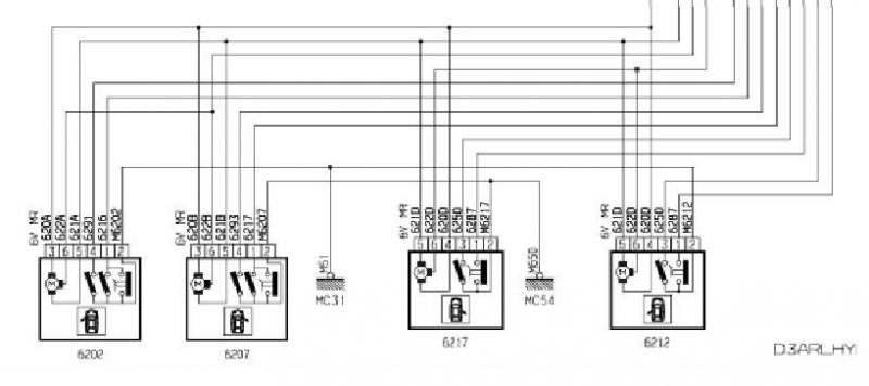
ИС-Xantia Опубликовано 13 апреля, 2021 Поделиться Опубликовано 13 апреля, 2021 Дело не АКБ - для него замки это слабая нагрузка, даже для дохлого. Кстати, вспомнил, что и передний правый замок барахлил, т.е. вся правая сторона. Судя по схеме левая и правая сторона имеет каждая свои массы. Возможно их откисание. Бес 1 С5-II, ГА-3, 2,0 RFJ (EW10A) 2007г МКПП. До него Xantia 1,9D 1994г была 12 лет. Ссылка на комментарий
Рекомендуемые сообщения
Для публикации сообщений создайте учётную запись или авторизуйтесь
Вы должны быть пользователем, чтобы оставить комментарий
Создать учетную запись
Зарегистрируйте новую учётную запись в нашем сообществе. Это очень просто!
Регистрация нового пользователяВойти
Уже есть аккаунт? Войти в систему.
Войти