Coyot.e Опубликовано 22 августа, 2019 Поделиться Опубликовано 22 августа, 2019 Добрый день. Есть вопрос по возбуждению генератора. Неужели блок управления двигателем даёт генератору напряжение возбуждения , или этот провод транзитом ещё куда-то ? vin VF7FCKFUC28863359 Ссылка на комментарий
Coyot.e Опубликовано 22 августа, 2019 Автор Поделиться Опубликовано 22 августа, 2019 Пропала зарядка . Поставили новый генератор. Всё равно нет зарядки. На отключенном от генератора проводе возбуждения 10 В. Подключаю , падает до "0". При подаче на прямую 12В на модуль возбуждения есть зарядка. Ссылка на комментарий
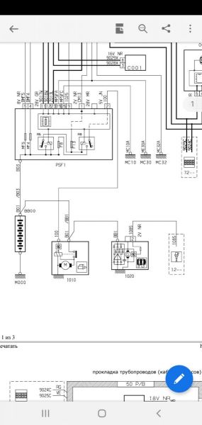
Олегович Опубликовано 26 ноября, 2019 Поделиться Опубликовано 26 ноября, 2019 На втором листе указаны промежуточные соединения. Раз приходит 10V, *часть напряжения* теряется и при нагрузке пропадает - плохой контакт (промежуточное соединение, разъем, штатный провод сгнил). XP 2008г.в.; TU5JP4; ручная КПП. ЮВАО Ссылка на комментарий
Рекомендуемые сообщения
Для публикации сообщений создайте учётную запись или авторизуйтесь
Вы должны быть пользователем, чтобы оставить комментарий
Создать учетную запись
Зарегистрируйте новую учётную запись в нашем сообществе. Это очень просто!
Регистрация нового пользователяВойти
Уже есть аккаунт? Войти в систему.
Войти