Alex350 Опубликовано 19 июля, 2019 Поделиться Опубликовано 19 июля, 2019 После того, как закончилось терпение из-за пробоев передней подвески на каждой ямке было принято решение перетряхнуть переднюю подвеску. Ранее я проводил эксперименты по замене пружин на пружины от Пежо 308 HDI, но не смотря на небольшое увеличение жесткости подвески клиренс как был, так и остался 140мм. Было решено заменить амортизаторы на оригинал последней модификации и установить проставки под пружины. На данный момент заменой оригинальных 5208X7 и 5208X8 являются 9823797780 и 9823797680. Вообще проблема с клиренсом была уже на второй год и пробег 20 тыс км. Меня терзают смутные сомнения, что хетчи с франко-калужской сборкой изначально шли с заниженным клиренсом, но пока амортизаторы нормальные никто на него не обращает внимание. А когда теряется жесткость и машина начинает биться брюхом на каждой кочке в первую очередь бросается в глаза клиренс. В общем далее все в картинках, я думаю и так понятно. Единственное если кто будет снимать пружины - после сборки обязательно надо восстановить поцарапанное покрытие, иначе даже за год коррозия очень сильно распространяется. Я использовал резинобитумную мастику для днища. Спойлер Спойлер Бес и Aleksandr161 2 Ссылка на комментарий
FreeTiller Опубликовано 19 июля, 2019 Поделиться Опубликовано 19 июля, 2019 Гуд! Но думаю, не все клубни поняли по картинкам подробности данного апгрейда.( Рекомендую под каждым фото и чертёжиком расписать, что это и где ...! ? Ссылка на комментарий
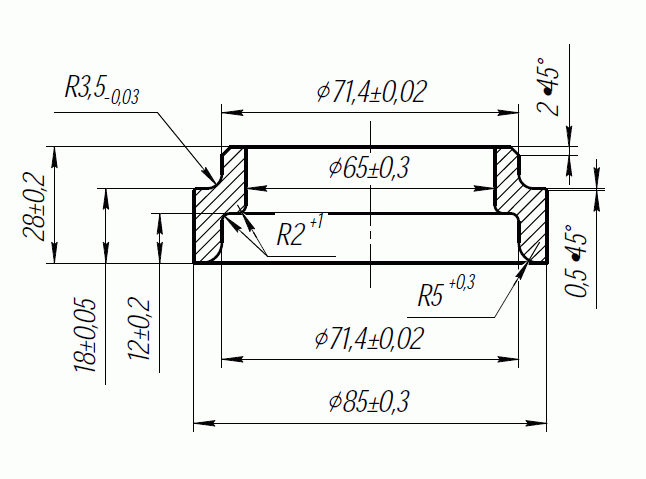
Alex350 Опубликовано 20 июля, 2019 Автор Поделиться Опубликовано 20 июля, 2019 Редактирование уже недоступно. Из непонятного на фотографиях крупным планом сняты: опорный подшипник, опора пружины, и серый макет проставки напечатанный на 3д принтере. Но смысл в том, что между опорным подшипником и опорой пружины устанавливается проставка изображенная на чертеже. Фотографии изготовленной у меня, к сожалению, не нашлось. Высота проставки 18мм была выбрана потому что порог в передней части машины был ниже чем в задней на 20мм. Но мне показалось, что 2 сантиметра это много, а 15мм это мало. Поэтому остановился на 18мм. PN: Амортизаторы: Правый оригинал 9823797780 Левый оригинал 9823797680 Набор пыльников штоков и ограничителей хода kayaba 910067 Опорный подшипник SNR m25901 (стоял в оригинале) Опора пружины верх. sasic 2650035 (очень похожа на оригинал, но я не уверен) Опорные подшипники были рабочие, но уже с вымытой смазкой и песком. можно было ездить, но раз залез ставить их снова было нельзя. Верхние опоры пружин можно было не менять, но мне они были нужны для снятия размеров проставок. Ссылка на комментарий
Юрийk Опубликовано 15 августа, 2019 Поделиться Опубликовано 15 августа, 2019 Привет, тоже планирую поднять клиренс. Сначала хотел заказать все проставки но сейчас обнаружил ваши размеры, а на задние случаем не снимали размеры? Ссылка на комментарий
Юрийk Опубликовано 15 августа, 2019 Поделиться Опубликовано 15 августа, 2019 Вообще у нас в Саратове дороги зимой полный швах, и после всех унижений над машиной я решил надо выходить из положения. Теперь голову ломаю или заказывать все проставки или воспользоваться вашими размерами. Ссылка на комментарий
Alex350 Опубликовано 20 августа, 2019 Автор Поделиться Опубликовано 20 августа, 2019 Зад у меня не просевший и с ним я ничего не делал. Я всего лишь поднял морду до заводского состояния. Ссылка на комментарий
Юрийk Опубликовано 21 августа, 2019 Поделиться Опубликовано 21 августа, 2019 Спасибо я понял, возможно не точно до этого изложил свои мысли. Ссылка на комментарий
Рекомендуемые сообщения
Для публикации сообщений создайте учётную запись или авторизуйтесь
Вы должны быть пользователем, чтобы оставить комментарий
Создать учетную запись
Зарегистрируйте новую учётную запись в нашем сообществе. Это очень просто!
Регистрация нового пользователяВойти
Уже есть аккаунт? Войти в систему.
Войти