inworkman Опубликовано 29 января, 2016 Поделиться Опубликовано 29 января, 2016 Доброго времени суток. Сегодня подвеска упала в самый низ в движении и пишет Suspension faulty! Max speed 90km\h. Загорается сервис. На кнопки поднятия не реагирует. Хотя на экране пиктограмка, что пытается поднять. Моторчик не слышно. Считал сканером ошибки. C1141 - деффект переднего датчика высоты положения кузова С1146 - деффект заднего датчика высоты положения кузова U1118 - деффект отсутствия связи с коммутационным блоком BSI U2118 - просыпание (неправильный прием информации о коррекции высоты) U2005 - просыпание (неправильный прием информации скорости атвомобиля) Не совсем понимаю как так одномоментно могут вылететь передний и задний датчик... такое бывает? И что за деффект отсутствия связи с блоком BSI? Просыпание ошибки от датчиков? Эххх... как поступить посоветуете и с чего начать? Визуально подтеков нигде не увидел. Спасибо! Ссылка на комментарий
2701bb Опубликовано 29 января, 2016 Поделиться Опубликовано 29 января, 2016 Нет питания, на насос, проверить предохранитель. Если сгорел, снимать элмотор с насоса, чистить щеточный узел. Больший номинал не ставить, убивает элмотор. Бес, mavruc и maus75 3 Ссылка на комментарий
inworkman Опубликовано 29 января, 2016 Автор Поделиться Опубликовано 29 января, 2016 посмотрю завтра в мануале какой предохранитель... если же он не сгорел? какие действия? И если не трудно - киньте ссфлку или фото где находится насос гидрактива и как почистить щеточный узел... Сомнения меня гложут, что за раз оба датчика померли :( А что делать с просыпанием подвески? Если мне не изменяет память, то, когда до этого подвеска работала ОК, я подключал сканер - что-то типа этих ошибок про просыпание было. И ни не удалялись Ссылка на комментарий
inworkman Опубликовано 1 февраля, 2016 Автор Поделиться Опубликовано 1 февраля, 2016 Машину отремонтировал. Осталось выставить уровень LDS лексией. Пока выставил дедовским способом - машину на пол и налил по сетку. Правый подводной патрубок к задней центральной сфере дал течь. Ссылка на комментарий
g0L Опубликовано 1 февраля, 2016 Поделиться Опубликовано 1 февраля, 2016 @inworkman, а в чем дело то было? Ссылка на комментарий
inworkman Опубликовано 2 февраля, 2016 Автор Поделиться Опубликовано 2 февраля, 2016 (изменено) Выдавило всю LDS через трубку высокого давления. Ошибки так и висят в памяти. C1141 - деффект переднего датчика высоты положения кузова С1146 - деффект заднего датчика высоты положения кузова U1118 - деффект отсутствия связи с коммутационным блоком BSI U2118 - просыпание (неправильный прием информации о коррекции высоты) U2005 - просыпание (неправильный прием информации скорости атвомобиля) Пытаюсь удалить - пишет, что при удалении ошибок из ECU только у BSI есть доступ. Захожу в BSI - там нет этих ошибок. Они все со статусом (не характеризуется.) Я так понимаю, что это не постоянная ошибка, а просто вылезла и он ее зафиксировал. Так вот вопрос. На что влияет и как удалить? Вчера выставлял уровень LDS при помощи диагностического сканера. Дак вот, то что я изначально налил туда, используя дедовский метод у кого нет сканера. Опустил машину в самое нижнее положение и налил по сеточку в стаканчике. Вчера сканером стравил давление с системы - у меня давануло ЛДС аж через крышку бачка. Сколько давануло - непонятно, но приличный подтек. Плюс я выкачал из бачка 600 грамм ЛДС, чтобы было, как написано по сеточку в стаканчике. Изменено 2 февраля, 2016 пользователем inworkman Ссылка на комментарий
MityaSVR Опубликовано 2 февраля, 2016 Поделиться Опубликовано 2 февраля, 2016 "Дедовским методом" туда можно почти литр лишней LDS влить. А потом бачки взрываются ;). Про трубку дай угадаю. Трещина рядом с пластиной крепежной? Если так, то обварить и она ещё столько же проходит. Только варить у квалифицированного аргонщика надо. Фторопластовое кольцо можно не снимать, оно не портится. Зеленое снять, а после сварки одеть обратно. http://citroens-club.ru/forum/index.php?showtopic=31185&do=findComment&comment=1191396 Ссылка на комментарий
inworkman Опубликовано 2 февраля, 2016 Автор Поделиться Опубликовано 2 февраля, 2016 Почти, но не угадал))) Трещина в том месте, где заканчивается муфта, которая обжимает шланг. Я сначала ее не заметил - думал, что шланг прохудился. Отвез, поменял шланг. Поставили ее на место. Налил 2 литра ЛДС и наблюдал, как она брызжет фонтаном на пол))) Приехал обратно к тому, кто делал трубки. Сказал айяйяй кто же так делает. Он говорит - не должно. Вскрыли, крутили вертели и увидели микротрещину. Варить ничего не стал. Заглубил трубку сантиметра на 3 и новой муфтой обжали. Будем посмотреть... Ссылка на комментарий
MityaSVR Опубликовано 2 февраля, 2016 Поделиться Опубликовано 2 февраля, 2016 Ну теперь точно сломает по пластине. олегмак 1 Ссылка на комментарий
vazzi Опубликовано 14 января, 2017 Поделиться Опубликовано 14 января, 2017 У меня вот схожая проблемма , но машина нигде не течёт , и не упала до конца , а после морозов просто опускается каждый день на 5мм((( Насос жужжит , его движок я чистил летом , жижи добавил 0.5 л , ни на мм не поднялась , думаю если лексию подключить тоже начнёт на датчики высоты ругаться.... Ссылка на комментарий
MityaSVR Опубликовано 14 января, 2017 Поделиться Опубликовано 14 января, 2017 А сообщение о неисправности подвески есть? Ссылка на комментарий
system Опубликовано 20 апреля, 2017 Поделиться Опубликовано 20 апреля, 2017 3 дня назад у меня тоже натекло под передним правым колесом, прилично так. пока занимался задним бампером машина была в верхнем положении, машина не упала. заводил - поднималась и опускалась нормально. все осмотрел - везде все сухо было, единственное заметил что капает на привод. под капотом все сухо, стойка сухая была! - капало где то из-за подкрылка еще до кучи. думал трубка или рейка. с рейком облом - на привод капать никак не может. за ночь морда упала в 1 положение само собой, поднимать отказывался. сбросил давление - в бачке сухо!, долил 2л - уровень не появился!, бахнул еще литрушку - пусто. нереал. один хер не поднимается. оставил на ночь на подумать снова. на след день под машиной было только несколько капель - уже хорошо думаю. открыл - насос как то тихо очень работает, как без масла. сбросил давление - через крышку ливануло неслабо так, как! непонятно, уровня не видел до этого. ок, вылилось думаю 1-1.5л. завожу - не поднимает. засада: откуда то до этого лилось масло - не нашел, упала морда - непонятки с маслом, через день под машиной более менее, сброил давление - масла дохера. всю голову сломал. посмотрел ошибки лексией, 1в1 как у автора, только кроме заднего датчика. картинка начала вырисовываться, но непонятки откуда лилось масло, а потом перестало. потыкал лексией в насос, регуляторы. отдельно не поднимает, насос не гудит. беда. машина на днище, домкратом не подлезть. снова взял таймаут до вечера. вечером снова снова сбросил давление, снова масло полилось через крышку!. да откуда хз. снова потыкал лексией в насос и регуляторы - тишина, стер ошибки по подвеске. завел - начала поднимать зад! уже хорошо. зад поднялся, а перед не хочет, хотя насос качает. так далеко не уедешь блин. вспомнил про ошибку по датчику и покачал морду - помогло, начала подниматься. стало еще лучше. все уровни работают, все хорошо. под машиной несколько капель!, хотя привод/рычаг/стаб все в масле, стойка была сухая. бегом в гараж разбираться, пока поднялась) снял колесо и о*уел, стойка вся сырая. да как так то!, снял подкрылок, там вроде все в порядке. но как стойка была сухая все это время, хотя масло лилось, а потом за 5км до гаража стала вся сырая. не понимаю. ну теперь хоть все понятно стало. тягу на датчик заказал, стойку пока нет. машина пока не падает, оставляю пока в макс положении на ночь. п.с. а самое главное! я познал таки комфорт ситроена, которого последние пару лет вообще не замечал, меняя и сферы и стойки и перебрав подвеску. с*ка, какой же он плавный стал. раньше при переезде через рельсы, мне казалось что передние стойки вылетят от таких ударов, то сейчас я только замечаю что где то там снизу шлепает резина по рельсам. каааайфф. только пока не могу понять что под замену, только тягу или датчик до кучу. щас все работает вроде. mavruc 1 C5 2.0 дизель 2008 136л.с. Aisin Ссылка на комментарий
ИС-Xantia Опубликовано 20 апреля, 2017 Поделиться Опубликовано 20 апреля, 2017 за ночь морда упала в 1 положение само собой, поднимать отказывался. сбросил давление - в бачке сухо! Чем сбрасывал? Из первого положения давление иногда не сбрасывается - гистерезис датчика и люфты его привода. Поэтому вся жижа осталась в сферах - вот и все чудеса. я познал таки комфорт ситроена, которого последние пару лет вообще не замечал После чего это произошло? С5-II, ГА-3, 2,0 RFJ (EW10A) 2007г МКПП. До него Xantia 1,9D 1994г была 12 лет. Ссылка на комментарий
system Опубликовано 20 апреля, 2017 Поделиться Опубликовано 20 апреля, 2017 Чем сбрасывал? Из первого положения давление иногда не сбрасывается - гистерезис датчика и люфты его привода. Поэтому вся жижа осталась в сферах - вот и все чудеса. После чего это произошло? сбрасывал лексией само собой, уж такое добро в хозяйстве с самой покупки с5) а разве в 1 положении в сферах будет жидкости больше чем во 2 положении? если опускаешь лдска ж в бачок и уходит. или я неправ? думаю или датчик закис или тяга. выходит что после покачивания морды, датчик провернулся и заработал.. т.е. жесткость изначально была из-за закисшего датчика выходит C5 2.0 дизель 2008 136л.с. Aisin Ссылка на комментарий
ИС-Xantia Опубликовано 20 апреля, 2017 Поделиться Опубликовано 20 апреля, 2017 а разве в 1 положении в сферах будет жидкости больше чем во 2 положении? если опускаешь лдска ж в бачок и уходит. или я неправ? В нижнем положении (кнопкой, без Лексы) жижа уходит из стоек, но в сферах ее может еще много остаться - это зависит от настройки ездового положения. Полный сброс Лексой опускает подвеску еще на несколько мм, с ходу разницу и не заметишь. жесткость изначально была из-за закисшего датчика выходит Из-за закисшего будет иной клиренс, отсюда и жесткость. С5-II, ГА-3, 2,0 RFJ (EW10A) 2007г МКПП. До него Xantia 1,9D 1994г была 12 лет. Ссылка на комментарий
system Опубликовано 20 апреля, 2017 Поделиться Опубликовано 20 апреля, 2017 В нижнем положении (кнопкой, без Лексы) жижа уходит из стоек, но в сферах ее может еще много остаться - это зависит от настройки ездового положения. Полный сброс Лексой опускает подвеску еще на несколько мм, с ходу разницу и не заметишь. Из-за закисшего будет иной клиренс, отсюда и жесткость. ну значит так. ну да, морда была чуть ниже. после того как покачал и поднялась стала ощутимо повыше. теперь надо махнуть текущую стойку, тягу/датчик и выставить высоту C5 2.0 дизель 2008 136л.с. Aisin Ссылка на комментарий
system Опубликовано 2 мая, 2017 Поделиться Опубликовано 2 мая, 2017 ситроен как обычно прикалывается. стойка течь перестала от слова вообще. уровень лдс стоит и не уходит. шо это было епрст. C5 2.0 дизель 2008 136л.с. Aisin Ссылка на комментарий
Dimonbur Опубликовано 4 октября, 2021 Поделиться Опубликовано 4 октября, 2021 @system поменял тяни на датчик и подвеска стала лучше работать? Ссылка на комментарий
JUMO Опубликовано 6 февраля, 2022 Поделиться Опубликовано 6 февраля, 2022 Такая же надпись вчера выскочила, причем завёлся, поехал с утра и всё нормально. Потом остановился, заглушил на полчаса, завёлся и вот оно :( Машина опустилась, по проселкам нечищеным коекак дополз до дачки. сегодня подошел, завёл и никаких ошибок, но на слух при повороте ключа не слышно жужжания гидронасоса хотя при нажатии кнопок управления подвеской на табло положение меняется якобы. Нашел упоминание про предохернитель под АКБ но хотелось бы поточнее знать где он - сбоку от АКБ какойто блочок, это не он? И как правильно смотреть уровень жижи? Как правильно крышку бачки открывать - при заведенной машине или на заглушенной или вообще на подъемнике? Сервис это конечно хорошо, но с дачки на нижнем положении стрёмно выползать по колее... Ссылка на комментарий
JUMO Опубликовано 7 февраля, 2022 Поделиться Опубликовано 7 февраля, 2022 Что, правда никто не знает где этот пердохернитель? Ссылка на комментарий
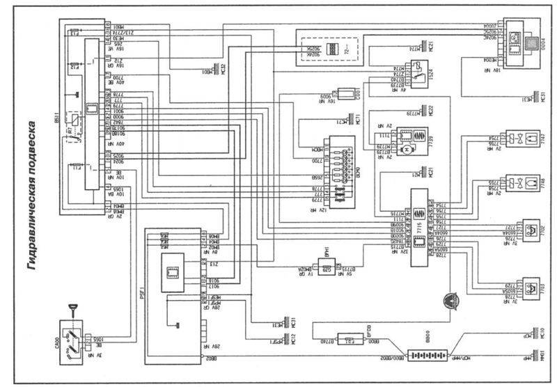
Бес Опубликовано 7 февраля, 2022 Поделиться Опубликовано 7 февраля, 2022 G39 10 A Γидравлическая подвеска Природа мудра, и Всевышнего глаз Видит каждый наш шаг на тернистой дороге Наступает момент, когда каждый из нас У последней черты вспоминает о Боге... Ссылка на комментарий
JUMO Опубликовано 7 февраля, 2022 Поделиться Опубликовано 7 февраля, 2022 Спасибо, но по эл.схемам гдето есть вставочка на 40А и вот скорее именно она и тогось :( Ссылка на комментарий
Бес Опубликовано 7 февраля, 2022 Поделиться Опубликовано 7 февраля, 2022 Ну и где она есть? Где схемы? Природа мудра, и Всевышнего глаз Видит каждый наш шаг на тернистой дороге Наступает момент, когда каждый из нас У последней черты вспоминает о Боге... Ссылка на комментарий
JUMO Опубликовано 7 февраля, 2022 Поделиться Опубликовано 7 февраля, 2022 Ну вот например F01 внизу прямо от АКБ на реле и далее в насос : Ссылка на комментарий
Бес Опубликовано 7 февраля, 2022 Поделиться Опубликовано 7 февраля, 2022 К этой схеме прилагалась схема месторасположения блоков. На третьем листе. Всё есть, надо только поискать. Природа мудра, и Всевышнего глаз Видит каждый наш шаг на тернистой дороге Наступает момент, когда каждый из нас У последней черты вспоминает о Боге... Ссылка на комментарий
Рекомендуемые сообщения
Для публикации сообщений создайте учётную запись или авторизуйтесь
Вы должны быть пользователем, чтобы оставить комментарий
Создать учетную запись
Зарегистрируйте новую учётную запись в нашем сообществе. Это очень просто!
Регистрация нового пользователяВойти
Уже есть аккаунт? Войти в систему.
Войти