Юраш Опубликовано 20 ноября, 2011 Поделиться Опубликовано 20 ноября, 2011 Рассматриваю вариант установки заднего дворника (штатно не поставлялся). Есть ли смысл заморчиваться? 1. Проводка установлена во всех машинах или надо самому тянуть? 2. Как устроена подача воды. Стоит отдельный бачок? Или протянут шланг от штатного бачка? 3. В стекле я так понял отверстие просверлено. Возможно самому просверлить или как вариант искать стекло с отверстием? Ссылка на комментарий
tarakan67 Опубликовано 21 ноября, 2011 Поделиться Опубликовано 21 ноября, 2011 (изменено) Знаю ответ только на второй вопрос: бачок для омывайки один и электродвигатель один(он реверсивный) и для лобового стекла и для заднего. В системе стоит распределительный клапан. когда электродвигатель крутится в одну сторону распределительный клапан направляет воду на лобовое стекло, если двигатель крутится в обратную сторону тот же клапан направляет воду на заднее стекло. Форсунки омывателя заднего стекла установлены в основании антенны(речь идёт о кузове хетчбек) Изменено 21 ноября, 2011 пользователем tarakan67 Юраш 1 Ссылка на комментарий
Юраш Опубликовано 22 ноября, 2011 Автор Поделиться Опубликовано 22 ноября, 2011 Это сложно проще отдельный бачок кинуть. Ладно будем пока собирать информацию, а там посмотрим Ссылка на комментарий
Цепятыч Опубликовано 22 ноября, 2011 Поделиться Опубликовано 22 ноября, 2011 Ещё проще не заморачиваться этим вопросом. Совсем не пользуюсь задним омывателем, не нужен. Ссылка на комментарий
Юраш Опубликовано 22 ноября, 2011 Автор Поделиться Опубликовано 22 ноября, 2011 А привык. У меня на ренохе был, а сейчас без него как без рук)) Идея похоже осуществимая, да больно дорогая, если только все запчасти найду где нибудь недорого, тогда буду пробовать. Ссылка на комментарий
Алeкс Опубликовано 22 ноября, 2011 Поделиться Опубликовано 22 ноября, 2011 Юраш,у нас в разделе по разборкам авто поспрашивайте, может у кого есть эти з/ч Ссылка на комментарий
Юраш Опубликовано 25 ноября, 2011 Автор Поделиться Опубликовано 25 ноября, 2011 Да проблема не в том, что бы найти задний дворник с этим я сам справлюсь))) Проблема в том есть ли смысл этим заниматься. Одно дело если есть подготовка и дворник надо просто подключить, совсем другое если самому проводку тянуть и шланги))) Ссылка на комментарий
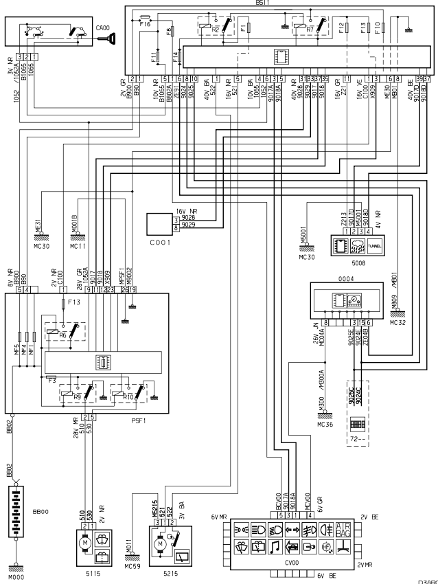
Андрей А. Кузьмин Опубликовано 8 декабря, 2011 Поделиться Опубликовано 8 декабря, 2011 Дабы не плодить темы спрошу здесь. Предыстория: Захотел воткнуть доп подсветку багажника в 5ю дверь, долго искал где взять плюс и решил глянуть в колодке дворника (нет чтобы в электросхему), на среднем проводе увидел +12,7 и обрадовавшись подцепился к нему (минус взял в замке). После сборки правда не заработало, но решил что это из за включившегося экономичного режима. После пуска двига опять не заработало, и в поездке заметил что не пашет задний дворник. Надыбал электросхему, оказалось провод сигнальный (абажаю французских инженеров). Отключил свою подсветку, дворник не заработал при этом релюшка в торпеде щёлкает исправно, предохранитель цел. Куда копать ума не приложу, неужели в BSI чёто накрылось :help:Помогите люди добрые, а то надоело стекло тряпочкой тереть. P.S. кто знает как добраться до релюх и разъёмов за водительским бордачком, неужели торпеду разбирать? 1.bmp Ссылка на комментарий
grand88jelka@yandex.ru Опубликовано 27 июля, 2012 Поделиться Опубликовано 27 июля, 2012 привет.тоже хочу установить то,что и ты. Разобрался?напиши подробнее! Заранее благодарен Ссылка на комментарий
Рекомендуемые сообщения
Для публикации сообщений создайте учётную запись или авторизуйтесь
Вы должны быть пользователем, чтобы оставить комментарий
Создать учетную запись
Зарегистрируйте новую учётную запись в нашем сообществе. Это очень просто!
Регистрация нового пользователяВойти
Уже есть аккаунт? Войти в систему.
Войти