xexxx Опубликовано 18 января, 2013 Поделиться Опубликовано 18 января, 2013 Привет всем! Вопрос срочный. Что сломалось в печи? Дует только на 4-й скорости, вечером все работало при этом. Какой то предохранитель? Спасибо! Ссылка на комментарий
xexxx Опубликовано 18 января, 2013 Поделиться Опубликовано 18 января, 2013 (изменено) По поиску нашукал к замене какой то резистор мотора печки, где он стоит, есть ли картинка? как его поменять без пайки? жить в зиму невозможно без печи, очень хочется нормальной работы оной:) Так же вижу что перемычку можно поставить вместо термопредохранителя, куда ее мастырить, есть ли фотки? СПАСИБО!!! Совсем никто не знает где этот блок стоит и как его малой кровью достать?((( Изменено 18 января, 2013 пользователем xexxx Ссылка на комментарий
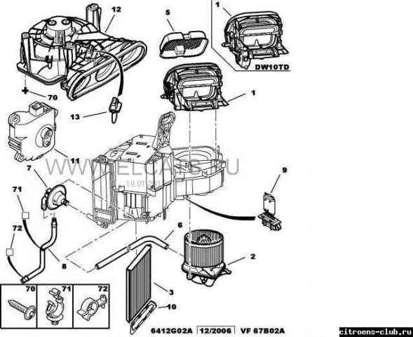
kislyc Опубликовано 19 января, 2013 Поделиться Опубликовано 19 января, 2013 (изменено) Совсем никто не знает где этот блок стоит и как его малой кровью достать?((( [/img] 13 РЕЗИСТОР прозвони тестером :excl:/>/>/>/>/>/>/>/> и вот тыкни http://citroens-club.ru/forum/index.php?showtopic=22871&st=20 31 пост!!!! СТРАНИЦА 33 :spiteful:/> Изменено 19 января, 2013 пользователем kislyc китаец на французе 1 Ссылка на комментарий
Моби Опубликовано 19 января, 2013 Поделиться Опубликовано 19 января, 2013 вчера на работу ехал vetfelix, китаец на французе, mms-spb и 1 другой 4 Ссылка на комментарий
Wizman Опубликовано 19 января, 2013 Поделиться Опубликовано 19 января, 2013 Вчера была такая оказия. Поехал с работы за детями в школу. Завелся нормально, через пару минут включил слабый обдув стекла, чтобы не потело. По дороге ругался, что было лень почистить от снега щель перед капотом -- завалило снегом, обдув слабый, стекла все равно слегка потеют. Пока доехал до школы -- прогрелся до примерно 85 градусов. Заглушил и пошел детей забирать. Через минут десять вернулся, завел мотор и почистил от снега щель перед капотом. Сел в салон, а моторчик печки не але. Домой ехал с открытыми стеклами ... Дома понадеялся на простой случай и облазил блок предохранителей -- все в порядке, ни одного сгоревшего нема. Завел мотор и включил моторчик печки -- не алё ... Мож кто сталкивался и куда смотреть ??? Где чего и как прозванивать? -- Это правда, что у вас в России медведи по дорогам ходят? -- Брехня, нету у нас дорог ... Ссылка на комментарий
павлек Опубликовано 19 января, 2013 Поделиться Опубликовано 19 января, 2013 вчера на работу ехал Вай Кикоз!Моби,а на борту какой Цельсий был? Завел мотор и включил моторчик печки -- не алё . Лёш,может сам мотрочик,Алё? Ссылка на комментарий
Wizman Опубликовано 19 января, 2013 Поделиться Опубликовано 19 января, 2013 Дык, Паша, машина то новая !!! Если это накрылся моторчик, то это не гуд ... -- Это правда, что у вас в России медведи по дорогам ходят? -- Брехня, нету у нас дорог ... Ссылка на комментарий
Leja69 Опубликовано 19 января, 2013 Поделиться Опубликовано 19 января, 2013 Алексей, а рециркуляция выкл/вкл ? Ссылка на комментарий
Alph Опубликовано 19 января, 2013 Поделиться Опубликовано 19 января, 2013 (изменено) Лёша, почитай там: http://citroens-club.ru/forum/index.php?showtopic=28827&view=findpost&p=723194 Изменено 19 января, 2013 пользователем Alph Эксплуатирую Berlingo XTR 109hp с сентября 10го. С уважением, Сергей. Ссылка на комментарий
павлек Опубликовано 19 января, 2013 Поделиться Опубликовано 19 января, 2013 Дык, Паша, машина то новая !!! У меня до М59 французов не было.Купив,всё не понимал,чего хают французов.Крепкий аппарат(М59),для работы самое то! А вот купив В9,понял,почему к французским машинкам относятся чуть лучше чем к Жигулям. Дай бог,конечно,Лёш,чтобы моторчик печки был жив-здоров. А сгорел какой-нибудь секретный предохранитель. Ссылка на комментарий
Romeo Опубликовано 19 января, 2013 Поделиться Опубликовано 19 января, 2013 Моторчику каюк! Ссылка на комментарий
Моби Опубликовано 19 января, 2013 Поделиться Опубликовано 19 января, 2013 на улице -38, в салоне - нуууу, когда к работе приехал уже без шапки был.... Ссылка на комментарий
Wizman Опубликовано 19 января, 2013 Поделиться Опубликовано 19 января, 2013 Romeo, не каркай! -- Это правда, что у вас в России медведи по дорогам ходят? -- Брехня, нету у нас дорог ... Ссылка на комментарий
Wizman Опубликовано 19 января, 2013 Поделиться Опубликовано 19 января, 2013 p.s.: Сегодня еще раз ковырялся с электрикой ... Если и есть проблема, то похоже в реле вентилятора. Сегодня днем, вспомнив про слишком умный комп, который отсекает сгоевшие лампочки и т.п., испробовал "оригинальный" способ -- скинул "плюс" с аккумулятора и оставил так стоять на стоянке около работы. Вечером, когда время было домой ехать одел клемму, завел двигло и минут семь погрел. Сел в машину, включил вентилятор на одну полную лопасть с направлением на ветровое стекло -- послышался привычный звук передвигаемых заслонок и потом -- о чудо! -- вентилятор заработал !!! Но к сожалению, радость моя была недолгая -- через минут 10 заметил что ветровое стекло стало слегка запотевать -- и действительно, вентилятор снова отключился ... :( Алексей, а рециркуляция выкл/вкл ? Все работает штатно, все лампочки горят в соответствии с нажатыми кнопочками, заслонки двигаются (звуки слышно), заслонка рециркуляции перемещается (чувствуется по потоку воздуха и звукам). Вопрос по обогреву заднего стекла -- если включить, то как быстро отогревается при включении? Я им не пользовался ни разу (мне кажется, что он не нужен, как и задняя щетка и внутрисалонное зеркало заднего вида, в моих условиях эксплуатации ...), а сегодня решил потестить пока на работу ехал -- за 15 минут дороги заднее стекло не разморозилось, разве что слегка по контуру ниточек ... На соседской Калине включение обогрева размораживает стекло практически за минуту. -- Это правда, что у вас в России медведи по дорогам ходят? -- Брехня, нету у нас дорог ... Ссылка на комментарий
павлек Опубликовано 19 января, 2013 Поделиться Опубликовано 19 января, 2013 за 15 минут дороги заднее стекло не разморозилось Да нет,у меня мин. за пять заднее отогревается до соплей. Поставил обогрев бок. зеркал.По окончании ходовых испытаний -отпишусь в теме. Ссылка на комментарий
Leja69 Опубликовано 19 января, 2013 Поделиться Опубликовано 19 января, 2013 Поставил обогрев бок. зеркал Паш, так у тебя его не было? Ссылка на комментарий
rybak Опубликовано 19 января, 2013 Поделиться Опубликовано 19 января, 2013 Я сегодня на 4 часа оставил авто на теплой парковке в Ашане, красота. Столько льда и снега накопил- весь стаял :greeting: Вот пошлешь кого нибудь сгоряча,а потом переживаешь...дошел...не дошел... Ссылка на комментарий
павлек Опубликовано 19 января, 2013 Поделиться Опубликовано 19 января, 2013 Паш, так у тебя его не было? Leja69,после рестайла -упростили. ОДэшники обнадёжили,что дескать проводка проведена.Нет не было.) Да,подключили к кнопке "обогрев зад. стекла".(как и должно быть) Ссылка на комментарий
seregka66 Опубликовано 20 января, 2013 Поделиться Опубликовано 20 января, 2013 у меня при -38 в салоне жарко бывает, но, конечно же после продолжительной езды. например по трассе километров 20. специально не засекал. Wizman, настоятельно советую прежде чем что-то делать отогреть машинку основательно в теплом гараже. скорей всего это глюки. у меня уже несколько случаев было подобных. в первый раз просто чек загорелся помогло снятие клеммы, потом парктроник стал постоянно верещать при включении задней - прошло само, потом вообще стартер не крутил и панель не загоралась - опять помогло снятие клеммы. это все от мороза. у нас сейчас - 20 - оттепель Жить - прекрасно! Самое главное - начать как можно раньше. Ссылка на комментарий
Leja69 Опубликовано 20 января, 2013 Поделиться Опубликовано 20 января, 2013 "Цепляясь за соломинку или мёртвому припарки" Сегодня забежал на Южку прикупил фильтр салона.Только вот погода не благоприятствует -загогулиной изогнувшись под бардачком копаться. Это от 20 декабря. Что-то изменилось после установки? + долив ОЖ? Ссылка на комментарий
павлек Опубликовано 20 января, 2013 Поделиться Опубликовано 20 января, 2013 Что-то изменилось после установки? + долив ОЖ? Leja69,пошёл купил банный градусник (до +90С прим.) Засунул градусник в.. в цент. выход воздуха,стал измерять. Темп. на градуснике показывает +81С,на датчике +89С. Понятно,что градус по дороге чуть теряется.. так что печка работает норм. Правда таких примерно равных показателей t можно добиться,только через час езды (+-) Вывод: печка прогревается медленно.У соседа по гаражу (тоже рестайл),точно такая же история: жена,говорит,запилила -в Жигулях теплее было.И ещё из замечаний соседа.Магнитола работает в каком-то своём режиме.Вкл. когда захочет;диски выплёвывает (у меня,только пробл. с дисками была) Ссылка на комментарий
Wizman Опубликовано 20 января, 2013 Поделиться Опубликовано 20 января, 2013 парктроник стал постоянно верещать Тоже такая же хрень с этим парктроником -- его писки не соответствуют реальной обстановке, иногда сразу же отчанно пищит, как будто в сугроб задом въехал. А в последнее время очень часто пишет на БК что парктроник не исправен. Что-то изменилось после установки? + долив ОЖ? В моем случае после замены салонного фильтра и долива ОЖ ничего не поменялось ... -- Это правда, что у вас в России медведи по дорогам ходят? -- Брехня, нету у нас дорог ... Ссылка на комментарий
seregka66 Опубликовано 20 января, 2013 Поделиться Опубликовано 20 января, 2013 Wizman, после теплого гаража что-то меняется? Жить - прекрасно! Самое главное - начать как можно раньше. Ссылка на комментарий
newwinner Опубликовано 20 января, 2013 Поделиться Опубликовано 20 января, 2013 У меня Берлинго XTR, даже в минус пять происходят странные вещи: на ходу вода прогревается до 70-80, а потом если постоять с включеными мотором и печкой минут пятнадцать, вода падает почти до нуля и соответственно в салоне становится холодно. Не могу же я на стоянке всё время держать газ, чтобы обороты были выше 2000? Это не нормально.. Почему температуры воды на стоянке так падает? Ссылка на комментарий
seregka66 Опубликовано 20 января, 2013 Поделиться Опубликовано 20 января, 2013 у вас вместо антифриза вода??????????? Жить - прекрасно! Самое главное - начать как можно раньше. Ссылка на комментарий
Рекомендуемые сообщения
Для публикации сообщений создайте учётную запись или авторизуйтесь
Вы должны быть пользователем, чтобы оставить комментарий
Создать учетную запись
Зарегистрируйте новую учётную запись в нашем сообществе. Это очень просто!
Регистрация нового пользователяВойти
Уже есть аккаунт? Войти в систему.
Войти